вконтакте

Контактный телефон: +7 (981) 121-46-93, +7 (800) 200-90-76 , Email: parts-katalog@yandex.ru, где купить

 
 

  Логин:

Пароль:

Регистрация

www.partskatalog.ru Все каталоги Запчасти Mercury Запчасти Suzuki Запчасти Tohatsu Запчасти Honda Контакты

назад Раздел:   вперёд

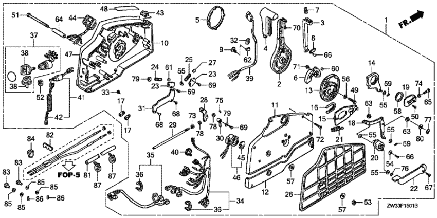
Модификация Вашего двигателя:   Honda BF50A4 LHTW
Модели с серийным номером двигателя от BAZE-3000001 до BAZE-
Модели с серийным номером рамы от BAZS-3400001 до BAZS-3499999

Вернуться к выбору узлов мотора

   Дистанционное управление (2)
Remote Control (2)      


ДЕТАЛИРОВКА ДЛЯ МОДЕЛИ: HONDA BF50A4

Подвесной 4x-тактный лодочный двигатель BF50A4 - Remote Control (2) - Дистанционное управление (2)

Время выполнения запроса 0.22325992584229 сек.

 
 

данный сайт носит информационный характер и не является публичной офертой

склад запчастей для водомоторной техники