вконтакте

Контактный телефон: +7 (981) 121-46-93, +7 (800) 200-90-76 , Email: parts-katalog@yandex.ru, где купить

 
 

  Логин:

Пароль:

Регистрация

www.partskatalog.ru Все каталоги Запчасти Mercury Запчасти Suzuki Запчасти Tohatsu Запчасти Honda Контакты

назад Раздел:   вперёд

Модификация Вашего двигателя:   Honda BF50A LRTD
Модели с серийным номером двигателя от BAZE-1000001 до BAZE-9999999
Модели с серийным номером рамы от BAZL-1000001 до BAZL-1999999

Вернуться к выбору узлов мотора

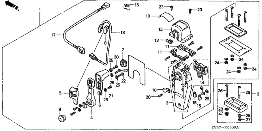
   Дистанционное управление (одинарное, правое, монтаж сверху)
Remote Control (top Mount Single Type) (right)      


ДЕТАЛИРОВКА ДЛЯ МОДЕЛИ: HONDA BF50A

Подвесной  лодочный мотор BF50A - Remote Control (top Mount Single Type) (right) - Дистанционное управление (одинарное, правое, монтаж сверху)

Время выполнения запроса 0.19745492935181 сек.

 
 

данный сайт носит информационный характер и не является публичной офертой

склад запчастей для водомоторной техники