Контактный телефон: +7 (981) 121-46-93, +7 (800) 200-90-76 , Email: parts-katalog@yandex.ru, где купить |
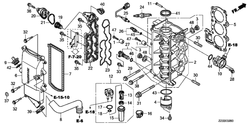
Модификация Вашего двигателя: Honda BFP60A XRTU; Power Thrust Вернуться к выбору узлов мотора Головка блока цилиндра |
|||||||||||||||||||||||||||||||||||||||||||||||||||||||||||||||||||||||||||||||||||||||||||||||||||||||||||||||||||||||||||||||||||||||||||||||||||||||||||||||||||||||||||||||||||||||||||||||||||||||||||||||||||||||||||||||||||||||||||||||||||||||||||||||||||||||||||||||||||||||||||||||||||||||||||||||||||||||||||||||||||||
| Номер на рисунке | Артикул | Наименование | Кол-во на складе | Цена | |
| 1 | 12155-ZV4-A00 | Металлический анод (Metal, anode) | под заказ | 1370 руб. | |
| 2 | 12210-ZZ3-000ZA | Головка цилиндра, комплект *nh8* (Head comp., cylinder *nh8*) | под заказ | 172800 руб. | |
| 3 | 12217-ZW1-010 | Болт уплотнения, 20 мм (Bolt, sealing, 20mm) | под заказ | 590 руб. | |
| 4 | 12241-ZZ3-000 | Крышка кулачка тяги (Cover, cam thrust) | под заказ | 4820 руб. | |
| 5 | 12251-ZZ3-003 | Прокладка головки блока цилиндра (Gasket, cylinder head) | под заказ | 20140 руб. | |
| 6 | 12310-ZZ3-000 | Крышка головки цилиндра (Cover, cylinder head) | под заказ | 0 руб. | |
| 7 | 12312-ZZ3-000 | Прокладка крышки головки цилиндра (Packing, head cover) | под заказ | 4900 руб. | |
| 8 | 15422-ZZ3-000 | Масляная трубка (Tube, oil) | под заказ | 0 руб. | |
| 9 | 15611-921-000 | Крышка заливной горловины масла (жёлтый) (Cap, oil (yellow)) | под заказ | 1030 руб. | |
| 10 | 16700-ZZ3-003 | Топливный насос, в сборе (Pump assy., fuel) | под заказ | 14810 руб. | |
| 10 | 16700-ZZ3-013 | (последний код) PUMP ASSY., FUEL | под заказ | 18590 руб. | |
| 11 | 16717-ZZ3-000 | Лифтер топливного насоса (Lifter, fuel pump) | под заказ | 0 руб. | |
| 12 | 16900-ZZ5-003 | Сетчатый фильтр топлива, в сборе (Strainer assy., fuel) | 1 шт | 13770 руб. | |
| 13 | 16901-ZZ5-003 | Фильтр (Filter) | 2 шт | 2340 руб. | |
| 14 | 16906-ZZ5-003 | Поплавок (Float) | под заказ | 950 руб. | |
| 15 | 16912-ZZ5-003 | Cвыше (Cup) | под заказ | 1750 руб. | |
| 16 | 16915-ZZ3-000 | Подвес для топливного фильтра (Suspension, strainer) | под заказ | 0 руб. | |
| 17 | 16918-ZZ5-003 | Уплотнительное кольцо (O-ring) | под заказ | 500 руб. | |
| 18 | 16919-ZZ5-003 | Уплотнительное кольцо (O-ring) | под заказ | 590 руб. | |
| 19 | 19300-ZW9-003 | Термостат в сборе. (Thermostat assy.) | под заказ | 7770 руб. | |
| 20 | 19315-ZW9-000 | Крышка термостата (Cover, thermostat) | 1 шт | 2550 руб. | |
| 21 | 19317-ZW9-000 | Уплотнительное кольцо крышки термостата (O-ring, thermostat cover) | 1 шт | 940 руб. | |
| 22 | 19361-ZZ3-000 | Крышка водяной рубашки (Cover, water jacket) | под заказ | 13540 руб. | |
| 23 | 19371-ZZ3-000 | Прокладка наружной крышки водяной рубашки (Packing, ex. water jacket cover) | под заказ | 2950 руб. | |
| 23 | 19371-ZZ3-010 | (последний код) PACKING, EX. WATER JACKET | под заказ | 3370 руб. | |
| 24 | 31908-ZZ3-003 | Свеча зажигания (lmar6c-9) (Plug, spark (lmar6c-9)) | 3 шт | 3450 руб. | |
| 25 | 35655-ZZ3-003 | Кислородный датчик (Sensor, oxygen) | под заказ | 71720 руб. | |
| 26 | 35673-ZY3-003 | Датчик температуры воды, в сборе (Sensor assy., water temperature) | под заказ | 3700 руб. | |
| 27 | 35695-ZY9-003 | Датчик в сборе., tdc (Sensor assy., tdc) | под заказ | 20360 руб. | |
| 28 | 90003-ZW9-000 | Фланцевый болт, 6x22 (Bolt, flange, 6x22) | под заказ | 420 руб. | |
| 29 | 90003-ZZ3-000 | Фланцевый болт, 8x90 (Bolt, flange, 8x90) | под заказ | 820 руб. | |
| 30 | 90004-ZZ3-000 | Болт под шпильку, 8x32 (Bolt, stud, 8x32) | под заказ | 840 руб. | |
| 31 | 90007-MEL-003 | Болт с шайбой, 9x105 (Bolt-washer, 9x105) | под заказ | 690 руб. | |
| 32 | 90011-ZZ3-000 | Болт крышки головки (Bolt, head cover) | под заказ | 590 руб. | |
| 33 | 90017-ZY3-000 | Фланцевый болт, 6x16 (Bolt, flange, 6x16) | под заказ | 220 руб. | |
| 34 | 90018-ZW5-000 | Фланцевый болт, 6x20 (Bolt, flange, 6x20) | под заказ | 290 руб. | |
| 35 | 90030-ZY3-000 | Фланцевый болт, 6x22 (Bolt, flange, 6x22) | под заказ | 220 руб. | |
| 36 | 90063-ZY3-000 | Фланцевый болт, 6x37 (Bolt, flange, 6x37) | под заказ | 0 руб. | |
| 37 | 90082-ZW4-H01 | Колпчок болта, 6 мм (Cap, bolt, 6mm) | под заказ | 720 руб. | |
| 38 | 90158-ZW4-000 | Фланцевый болт, 8x70 (Bolt, flange, 8x70) | под заказ | 350 руб. | |
| 38 | 90158-ZW4-010 | (последний код) BOLT,FLANGE 8X70 | под заказ | 500 руб. | |
| 39 | 90606-ZW5-030 | Струбцина трубки (d29) (Clamp, tube (d29)) | под заказ | 1020 руб. | |
| 40 | 90683-SA0-003 | Зажим (Clip) | под заказ | 460 руб. | |
| 41 | 91201-ZE3-004 | Сальник, 35x52x8 (Oil seal, 35x52x8) | 3 шт | 1360 руб. | |
| 42 | 91301-805-000 | Уплотнительное кольцо, 26x2.7 (O-ring, 26x2.7) | под заказ | 380 руб. | |
| 43 | 91302-PX4-004 | Уплотнительное кольцо (O-ring) | под заказ | 520 руб. | |
| 44 | 91303-ZW9-000 | Уплотнительное кольцо, 31.2x2.4 (O-ring, 31.2x2.4) | под заказ | 510 руб. | |
| 45 | 91307-PNA-003 | Уплотнительное кольцо (O-ring) | под заказ | 260 руб. | |
| 46 | 91333-PNA-003 | Уплотнительное кольцо (O-ring) | под заказ | 300 руб. | |
| 47 | 93500-050-204-J | Винт (Screw) | под заказ | 110 руб. | |
| 48 | 94109-20000 | Шайба (Washer) | под заказ | 160 руб. | |
Время выполнения запроса 2.3383538722992 сек.
склад запчастей для водомоторной техники