вконтакте

Контактный телефон: +7 (981) 121-46-93, +7 (800) 200-90-76 , Email: parts-katalog@yandex.ru, где купить

 
 

  Логин:

Пароль:

Регистрация

www.partskatalog.ru Все каталоги Запчасти Mercury Запчасти Suzuki Запчасти Tohatsu Запчасти Honda Контакты

назад Раздел:   вперёд

Модификация Вашего двигателя:   Honda BF9.9AM LB
Модели с серийным номером двигателя от BABE-1200001 до BABE-1299999
Модели с серийным номером рамы от BABL-1200001 до BABL-1299999

Вернуться к выбору узлов мотора

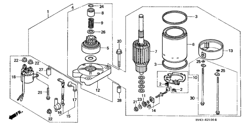
   Двигатель стартера
Starter Motor      


ДЕТАЛИРОВКА ДЛЯ МОДЕЛИ: HONDA BF9.9AM

Подвесной  лодочный двигатель BF9.9AM - Starter Motor - Двигатель стартера

Время выполнения запроса 0.20342993736267 сек.

 
 

данный сайт носит информационный характер и не является публичной офертой

склад запчастей для водомоторной техники