вконтакте

Контактный телефон: +7 (981) 121-46-93, +7 (800) 200-90-76 , Email: parts-katalog@yandex.ru, где купить

 
 

  Логин:

Пароль:

Регистрация

www.partskatalog.ru Все каталоги Запчасти Mercury Запчасти Suzuki Запчасти Tohatsu Запчасти Honda Контакты


Вернуться к выбору модели двигателя


   Выберите раздел каталога

найти расходники на лодочные моторы Suzuki

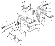
Clamp Bracket (55) (s/n: 0d181999 And Below) (Кронштейн транца (55) (s / n: 0d181999 и ниже))

Clamp Bracket (55) (s/n: 0d181999 And Below) (Кронштейн транца (55) (s / n: 0d181999 и ниже))

Clamp Bracket (manual) (s/n: 0d1812000 And Up) (Кронштейн транца (ручной) (s / n: 0d1812000 и выше))

Clamp Bracket (manual) (s/n: 0d1812000 And Up) (Кронштейн транца (ручной) (s / n: 0d1812000 и выше))

Drive Shaft Housing (Корпус вала передачи)

Drive Shaft Housing (Корпус вала передачи)

Gear Housing (drive Shaft) (Шестерня Корпус (Корпус вала передачи))

Gear Housing (drive Shaft) (Шестерня Корпус (Корпус вала передачи))

Gear Housing (propeller Shaft) (Шестерня Корпус (Вал гребного винта))

Gear Housing (propeller Shaft) (Шестерня Корпус (Вал гребного винта))

Gear Hsg (dr/ Shaft) (bigfoot) (seapro/marathon/pontoon) (Шестерня Hsg (dr / Sha футов) (bigfoot) (seapro / marathon / pontoon))

Gear Hsg (dr/ Shaft) (bigfoot) (seapro/marathon/pontoon) (Шестерня Hsg (dr / Sha футов) (bigfoot) (seapro / marathon / pontoon))

Gear Hsg (prop Shaft) (bigfoot) (seapro/marathon/pontoon) (Шестерня Hsg (prop Sha футов) (bigfoot) (seapro / marathon / pontoon))

Gear Hsg (prop Shaft) (bigfoot) (seapro/marathon/pontoon) (Шестерня Hsg (prop Sha футов) (bigfoot) (seapro / marathon / pontoon))

Power Trim Components (s/n: 0d181999 And Below) (Компоненты механизма наклона (s / n: 0d181999 и ниже))

Power Trim Components (s/n: 0d181999 And Below) (Компоненты механизма наклона (s / n: 0d181999 и ниже))

Manual Tilt Components (ручной Tilt Components)

Manual Tilt Components (ручной Tilt Components)

Power Trim Components (s/n: 0d182000 And Up) (Компоненты механизма наклона (s / n: 0d182000 и выше))

Power Trim Components (s/n: 0d182000 And Up) (Компоненты механизма наклона (s / n: 0d182000 и выше))

Oil Injection Components (Oil Injection Components)

Oil Injection Components (Oil Injection Components)

Steering Handle Kit (Румпель, установочный комплект)

Steering Handle Kit (Румпель, установочный комплект)

Steering Handle Kit (Румпель, установочный комплект)

Steering Handle Kit (Румпель, установочный комплект)

Jet Pump Assembly (Jet Помпа Assembly)

Jet Pump Assembly (Jet Помпа Assembly)

Jet Components (Jet Components)

Jet Components (Jet Components)

Extension Components (Удлиняющие компоненты)

Extension Components (Удлиняющие компоненты)

Miscellaneous Parts/accessories (Прочие запчасти / Аксессуары)

Miscellaneous Parts/accessories (Прочие запчасти / Аксессуары)

Cowling (Капот двигателя)

Cowling (Капот двигателя)

Flywheel And Starter Motor (50/60) (Маховик и Двигатель стартера (50 / 60))

Flywheel And Starter Motor (50/60) (Маховик и Двигатель стартера (50 / 60))

Starter Assembly (manual) (55) (Стартер Assembly (ручной) (55))

Starter Assembly (manual) (55) (Стартер Assembly (ручной) (55))

Flywheel (55) (Маховик (55))

Flywheel (55) (Маховик (55))

Starter Motor Assembly (Двигатель стартера Assembly)

Starter Motor Assembly (Двигатель стартера Assembly)

Throttle Lever And Linkage (Рычаг дросселя и Подъемный механизм)

Throttle Lever And Linkage (Рычаг дросселя и Подъемный механизм)

Electrical Components (50/60) (Компоненты электрики (50 / 60))

Electrical Components (50/60) (Компоненты электрики (50 / 60))

Electrical Components (55) (Компоненты электрики (55))

Electrical Components (55) (Компоненты электрики (55))

Attenuator Plate (Attenuator Пластина)

Attenuator Plate (Attenuator Пластина)

Carburetor (wme-22/22b/23/24/35) (Карбюратор (wme-22 / 22b / 23 / 24 / 35))

Carburetor (wme-22/22b/23/24/35) (Карбюратор (wme-22 / 22b / 23 / 24 / 35))

Carburetor (wme-26/27/28/28/43/44/45) (Карбюратор (wme-26 / 27 / 28 / 28 / 43 / 44 / 45))

Carburetor (wme-26/27/28/28/43/44/45) (Карбюратор (wme-26 / 27 / 28 / 28 / 43 / 44 / 45))

Fuel Pump (white Or Red) (Топливный насос (белый Or красный))

Fuel Pump (white Or Red) (Топливный насос (белый Or красный))

Fuel Pump (black 50/60) (Топливный насос (чёрный 50 / 60))

Fuel Pump (black 50/60) (Топливный насос (чёрный 50 / 60))

Fuel Pump (55/60 Seapro/marathon) (Топливный насос (55 / 60 Seapro / marathon))

Fuel Pump (55/60 Seapro/marathon) (Топливный насос (55 / 60 Seapro / marathon))

Cylinder Block And Crankcase (Блок цилиндра и Картер двигателя)

Cylinder Block And Crankcase (Блок цилиндра и Картер двигателя)

Induction Manifold And Reed Block (Induction Коллектор и Reed Block)

Induction Manifold And Reed Block (Induction Коллектор и Reed Block)

Crankshaft, Pistons And Connecting Rods (Коленвал, Поршни и Шатун)

Crankshaft, Pistons And Connecting Rods (Коленвал, Поршни и Шатун)

Exhaust Plate (Выхлоп Пластина)

Exhaust Plate (Выхлоп Пластина)

Swivel Bracket (s/n: 0d181999 And Below) (Поворотный кронштейн (s / n: 0d181999 и ниже))

Swivel Bracket (s/n: 0d181999 And Below) (Поворотный кронштейн (s / n: 0d181999 и ниже))

Swivel Bracket (s/n: 0d182000 And Up) (Поворотный кронштейн (s / n: 0d182000 и выше))

Swivel Bracket (s/n: 0d182000 And Up) (Поворотный кронштейн (s / n: 0d182000 и выше))

Transom Bracket (50/60) (s/n: 0d181999 And Below) (Кронштейн транца (50 / 60) (s / n: 0d181999 и ниже))

Transom Bracket (50/60) (s/n: 0d181999 And Below) (Кронштейн транца (50 / 60) (s / n: 0d181999 и ниже))

Transom Bracket (50/60) (s/n: 0d182000 And Up) (Кронштейн транца (50 / 60) (s / n: 0d182000 и выше))

Transom Bracket (50/60) (s/n: 0d182000 And Up) (Кронштейн транца (50 / 60) (s / n: 0d182000 и выше))

DOC_INDEX_NBR=571


Время выполнения запроса 0.059478044509888 сек.

 
 

данный сайт носит информационный характер и не является публичной офертой

склад запчастей для водомоторной техники