вконтакте

Контактный телефон: +7 (981) 121-46-93, +7 (800) 200-90-76 , Email: parts-katalog@yandex.ru, где купить

 
 

  Логин:

Пароль:

Регистрация

www.partskatalog.ru Все каталоги Запчасти Mercury Запчасти Suzuki Запчасти Tohatsu Запчасти Honda Контакты



УВАЖАЕМЫЕ КЛИЕНТЫ!
C 19 ДЕКАБРЯ 2025 ПО 02 МАРТА 2026 ГОДА ОТДЕЛ ЗАПЧАСТЕЙ И СЕРВИС РАБОТАТЬ НЕ БУДУТ
ПРОДАЖА ЛОДОЧНЫХ МОТОРОВ В ШТАТНОМ РЕЖИМЕ
ОБ ИЗМЕНЕНИЯХ В ГРАФИКЕ РАБОТЫ ЧИТАЙТЕ НА САЙТА




запчастиsuzuki

Узнать наличие и цену запчасти:

Вернуться к началу выбора

Поиск модели по серийному номеру


РЕЖИМЫ ПРОСМОТРА

Все узлы и детали

Двигатель

Трансмиссия

Электрика

Внешние части

Тип двигателя: 4x - тактный

Модель двигателя: Suzuki DF100

Модификация Вашего двигателя:   Suzuki DF-100 ATL (E01)
Двигатели с серийным номером после 10003F-510001
Код модели двигателя: DF100A TL FROM 10003F-510001~ (E01)
Год выпуска двигателя: 2015
Регион: Россия, Европа


Поиск запчастей по коду или названию


   Выберите раздел

найти расходники на лодочные моторы Suzuki

Начните вводить запрос

111A  -  Cylinder  Head (111A - Головка блока цилиндра)

111A - Cylinder Head (111A - Головка блока цилиндра)

113A  -  Cylinder  Block (Df100At  E01:up  To  Vin.510031) (113A - Блок цилиндра (Df100At E01: выше To Vin.510031))

113A - Cylinder Block (Df100At E01:up To Vin.510031) (113A - Блок цилиндра (Df100At E01: выше To Vin.510031))

116A -  Crankshaft (116A - Коленвал)

116A - Crankshaft (116A - Коленвал)

119A   -  Timing  Chain (119A - Распределяющая цепь)

119A - Timing Chain (119A - Распределяющая цепь)

121A  -  Camshaft (121A - Распределительный вал)

121A - Camshaft (121A - Распределительный вал)

122A  -  Intake  Manifold (122A - Впускной коллектор)

122A - Intake Manifold (122A - Впускной коллектор)

134A  -  Silencer  (Df100At E01) (134A - Глушитель (Df100At E01))

134A - Silencer (Df100At E01) (134A - Глушитель (Df100At E01))

136A  -  Ring  Gear  Cover (Df100At  E01) (136A - Крышка механизма маховика (Df100At E01))

136A - Ring Gear Cover (Df100At E01) (136A - Крышка механизма маховика (Df100At E01))

136A  -  Ring  Gear  Cover (Df100At  E01) (136A - Крышка механизма маховика (Df100At E01))

136A - Ring Gear Cover (Df100At E01) (136A - Крышка механизма маховика (Df100At E01))

143A  -  Fuel  Vapor  Separator  (Df100At  E01) (143A - Отделитель паров топлива (Df100At E01))

143A - Fuel Vapor Separator (Df100At E01) (143A - Отделитель паров топлива (Df100At E01))

144A  -  Fuel  Injector (Df100At  E01) (144A - Топливный инжектор (Df100At E01))

144A - Fuel Injector (Df100At E01) (144A - Топливный инжектор (Df100At E01))

146A  -  Fuel  Pump (146A - Топливный насос)

146A - Fuel Pump (146A - Топливный насос)

160A  -  Water  Pump  (Df100At E01) (160A - Водяной насос (Df100At E01))

160A - Water Pump (Df100At E01) (160A - Водяной насос (Df100At E01))

162A  -  Thermostat  (Df100At E01) (162A - Термостат (Df100At E01))

162A - Thermostat (Df100At E01) (162A - Термостат (Df100At E01))

163A  -  Throttle  Body (163A - Дроссель газа)

163A - Throttle Body (163A - Дроссель газа)

175A  -  Oil  Pump (175A - Масляный насос)

175A - Oil Pump (175A - Масляный насос)

180A  -  Oil  Pan  (Df100At E01) (180A - Масляный поддон (Df100At E01))

180A - Oil Pan (Df100At E01) (180A - Масляный поддон (Df100At E01))

180A  -  Oil  Pan  (Df100At E01) (180A - Масляный поддон (Df100At E01))

180A - Oil Pan (Df100At E01) (180A - Масляный поддон (Df100At E01))

204A  -  Clutch  Shaft (204A - Сцепление Вал)

204A - Clutch Shaft (204A - Сцепление Вал)

210A  -  Shift  Rod (Df100At E01) (210A - Переключающая тяга (Df100At E01))

210A - Shift Rod (Df100At E01) (210A - Переключающая тяга (Df100At E01))

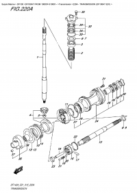
220A  -  Transmission (Df100At  E01) (220A - Трансмиссия (Df100At E01))

220A - Transmission (Df100At E01) (220A - Трансмиссия (Df100At E01))

301A  -  Starting  Motor (301A - Двигатель электростартера)

301A - Starting Motor (301A - Двигатель электростартера)

303A  -  Magneto (303A - Магнето)

303A - Magneto (303A - Магнето)

307A  -  Ignition  Coil (307A - Катушка зажигания)

307A - Ignition Coil (307A - Катушка зажигания)

311A  -  Rectifier (311A - Выпрямитель)

311A - Rectifier (311A - Выпрямитель)

311A  -  Rectifier (311A - Выпрямитель)

311A - Rectifier (311A - Выпрямитель)

315A  -  Sensor  (Df100At E01) (315A - Датчик (Df100At E01))

315A - Sensor (Df100At E01) (315A - Датчик (Df100At E01))

322A  -  Harness  (Df100At  E01) (322A - Жгут проводов (Df100At E01))

322A - Harness (Df100At E01) (322A - Жгут проводов (Df100At E01))

326A  -  Ptt  Switch/engine  Control  Unit  (Df100At  E01) (326A - Переключатель гидроподъёма / Блок управления двигателем (Df100At E01))

326A - Ptt Switch/engine Control Unit (Df100At E01) (326A - Переключатель гидроподъёма / Блок управления двигателем (Df100At E01))

335A  -  Clamp  Bracket (Df100At  E01) (335A - Кронштейн транца (Df100At E01))

335A - Clamp Bracket (Df100At E01) (335A - Кронштейн транца (Df100At E01))

336A  -  Swivel  Bracket (Df100At  E01) (336A - Поворотный кронштейн (Df100At E01))

336A - Swivel Bracket (Df100At E01) (336A - Поворотный кронштейн (Df100At E01))

337A  -  Trim  Cylinder (Df100At  E01) (337A - Цилиндр трима (Df100At E01))

337A - Trim Cylinder (Df100At E01) (337A - Цилиндр трима (Df100At E01))

340A  -  Ptt  Motor  (Df100At  E01) (340A - Двигатель гидроподъёма (Df100At E01))

340A - Ptt Motor (Df100At E01) (340A - Двигатель гидроподъёма (Df100At E01))

401A  -  Engine  Holder (Df100At  E01) (401A - Основание двигателя (Df100At E01))

401A - Engine Holder (Df100At E01) (401A - Основание двигателя (Df100At E01))

405A  -  Drive  Shaft  Housing (Df100At  E01) (405A - Корпус вала передачи (Df100At E01))

405A - Drive Shaft Housing (Df100At E01) (405A - Корпус вала передачи (Df100At E01))

407A  -  Gear  Case (Df100At E01) (407A - Картер коробки передач (Df100At E01))

407A - Gear Case (Df100At E01) (407A - Картер коробки передач (Df100At E01))

410A  -  Side  Cover  (Df100At  E01) (410A - Боковая крышка (Df100At E01))

410A - Side Cover (Df100At E01) (410A - Боковая крышка (Df100At E01))

420A  -  Engine  Cover (Df100At  E01) (420A - Крышка двигателя (капот) (Df100At E01))

420A - Engine Cover (Df100At E01) (420A - Крышка двигателя (капот) (Df100At E01))

432A  -  Fuel  Tank (432A - Топливный бак)

432A - Fuel Tank (432A - Топливный бак)

442A  -  Drag  Link (442A - Переключающая тяга)

442A - Drag Link (442A - Переключающая тяга)

460A  -  Meter  (Df115At E01) (460A - Прибор (Df115At E01))

460A - Meter (Df115At E01) (460A - Прибор (Df115At E01))

501A  -  Opt:meter (501A - Опции: приборы)

501A - Opt:meter (501A - Опции: приборы)

505A  -  Opt:meter  Kit (505A - Опции: приборы Kit)

505A - Opt:meter Kit (505A - Опции: приборы Kit)

507A  -  Opt:water  Pressure    Gauge  Sub  Kit (507A - Опции: Комплект прибора изменения давления воды)

507A - Opt:water Pressure Gauge Sub Kit (507A - Опции: Комплект прибора изменения давления воды)

507A  -  Opt:water  Pressure    Gauge  Sub  Kit (507A - Опции: Комплект прибора изменения давления воды)

507A - Opt:water Pressure Gauge Sub Kit (507A - Опции: Комплект прибора изменения давления воды)

508A  -  Opt:remote  Control  (Df100At  E01) (508A - Опции: дистанционное управление (Df100At E01))

508A - Opt:remote Control (Df100At E01) (508A - Опции: дистанционное управление (Df100At E01))

519A  -  Opt:remote  Control  Spacer (519A - Опции: дистанционное управление Проставка)

519A - Opt:remote Control Spacer (519A - Опции: дистанционное управление Проставка)

521A  -  Opt:harness (521A - Опции: жгут проводов)

521A - Opt:harness (521A - Опции: жгут проводов)

530A  -  Opt:switch (530A - Опции: переключатели)

530A - Opt:switch (530A - Опции: переключатели)

541A  -  Opt:remote  Control  Assy  Dual  (1) (541A - Опции: дистанционное управление в сборе Dual (1))

541A - Opt:remote Control Assy Dual (1) (541A - Опции: дистанционное управление в сборе Dual (1))

542A  -  Opt:remote  Control  Assy  Dual  (2) (542A - Опции: дистанционное управление в сборе Dual (2))

542A - Opt:remote Control Assy Dual (2) (542A - Опции: дистанционное управление в сборе Dual (2))

570A  -  Opt:tiller  Handle  (Df100At  E01) (570A - Опции: Румпель (Df100At E01))

570A - Opt:tiller Handle (Df100At E01) (570A - Опции: Румпель (Df100At E01))

585A  -  Opt:gasket  Set (585A - Опции: комплект прокладок)

585A - Opt:gasket Set (585A - Опции: комплект прокладок)

588A  -  Opt:lowrance Gauge (588A - Опции: приборы Lowrance)

588A - Opt:lowrance Gauge (588A - Опции: приборы Lowrance)

600A  -  Opt:multi  Function  Gauge (600A - Опции: multi Function Gauge)

600A - Opt:multi Function Gauge (600A - Опции: multi Function Gauge)




 
 

данный сайт носит информационный характер и не является публичной офертой

склад запчастей для водомоторной техники