вконтакте

Контактный телефон: +7 (981) 121-46-93, +7 (800) 200-90-76 , Email: parts-katalog@yandex.ru, где купить

 
 

  Логин:

Пароль:

Регистрация

www.partskatalog.ru Все каталоги Запчасти Mercury Запчасти Suzuki Запчасти Tohatsu Запчасти Honda Контакты


запчастиsuzuki

Узнать наличие и цену запчасти:

Вернуться к началу выбора

Поиск модели по серийному номеру


РЕЖИМЫ ПРОСМОТРА

Все узлы и детали

Двигатель

Трансмиссия

Электрика

Внешние части

Тип двигателя: 4x - тактный

Модель двигателя: Suzuki DF9.9

Модификация Вашего двигателя:   Suzuki DF-9.9 BTL (P01)
Двигатели с серийным номером после 00995F-810001
Код модели двигателя: DF9.9B TL FROM 00995F-810001~ (P01)
Год выпуска двигателя: 2018
Регион: Россия, Европа


Поиск запчастей по коду или названию


   Выберите раздел

найти расходники на лодочные моторы Suzuki

Начните вводить запрос

111A  -  Cylinder  Head (111A - Головка блока цилиндра)

111A - Cylinder Head (111A - Головка блока цилиндра)

113A  -  Cylinder  Block (113A - Блок цилиндра)

113A - Cylinder Block (113A - Блок цилиндра)

116A  -  Crankshaft (116A - Коленвал)

116A - Crankshaft (116A - Коленвал)

120A  -  Timing  Belt (120A - Ремень распредвала)

120A - Timing Belt (120A - Ремень распредвала)

121B  -  Camshaft  (Electric  Starter) (121B - Распределительный вал (Электростартер))

121B - Camshaft (Electric Starter) (121B - Распределительный вал (Электростартер))

126A  -  Inlet  Manifold  (Df9.9B)(Df9.9Br)(Df9.9Bt)(Df9.9Bth) (126A - Впускной коллектор (Df9.9B) (Df9.9Br) (Df9.9Bt) (Df9.9Bth))

126A - Inlet Manifold (Df9.9B)(Df9.9Br)(Df9.9Bt)(Df9.9Bth) (126A - Впускной коллектор (Df9.9B) (Df9.9Br) (Df9.9Bt) (Df9.9Bth))

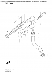
144A  -  Fuel  Injector (144A - Топливный инжектор)

144A - Fuel Injector (144A - Топливный инжектор)

146A  -  Fuel  Pump  (P01) (146A - Топливный насос (P01))

146A - Fuel Pump (P01) (146A - Топливный насос (P01))

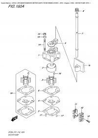
160A  -  Water  Pump  (P01) (160A - Водяной насос (P01))

160A - Water Pump (P01) (160A - Водяной насос (P01))

162A  -  Thermostat (162A - Термостат)

162A - Thermostat (162A - Термостат)

163B  -  Throttle  Body  (Df9.9Br)(Df9.9Bt)(Df15Ar)(Df15At)(Df20Ar)(Df20At) (163B - Дроссель газа (Df9.9Br) (Df9.9Bt) (Df15Ar) (Df15At) (Df20Ar) (Df20At))

163B - Throttle Body (Df9.9Br)(Df9.9Bt)(Df15Ar)(Df15At)(Df20Ar)(Df20At) (163B - Дроссель газа (Df9.9Br) (Df9.9Bt) (Df15Ar) (Df15At) (Df20Ar) (Df20At))

166A  -  Throttle  Control  (Df9.9Br)(Df9.9Bt)(Df15Ar)(Df15At)(Df20Ar)(Df20At) (166A - Управление дросселем (Df9.9Br) (Df9.9Bt) (Df15Ar) (Df15At) (Df20Ar) (Df20At))

166A - Throttle Control (Df9.9Br)(Df9.9Bt)(Df15Ar)(Df15At)(Df20Ar)(Df20At) (166A - Управление дросселем (Df9.9Br) (Df9.9Bt) (Df15Ar) (Df15At) (Df20Ar) (Df20At))

167B - Recoil  Starter  (Df9.9Bt)(Df9.9Bth)(Df15At)(Df20At)(Df20Ath) (167B - Барабанный стартер (Df9.9Bt) (Df9.9Bth) (Df15At) (Df20At) (Df20Ath))

167B - Recoil Starter (Df9.9Bt)(Df9.9Bth)(Df15At)(Df20At)(Df20Ath) (167B - Барабанный стартер (Df9.9Bt) (Df9.9Bth) (Df15At) (Df20At) (Df20Ath))

167B -  Recoil  Starter  (Df9.9Bt)(Df9.9Bth)(Df15At)(Df20At)(Df20Ath) (167B - Барабанный стартер (Df9.9Bt) (Df9.9Bth) (Df15At) (Df20At) (Df20Ath))

167B - Recoil Starter (Df9.9Bt)(Df9.9Bth)(Df15At)(Df20At)(Df20Ath) (167B - Барабанный стартер (Df9.9Bt) (Df9.9Bth) (Df15At) (Df20At) (Df20Ath))

175A  -  Oil  Pump (175A - Масляный насос)

175A - Oil Pump (175A - Масляный насос)

206B - Clutch  Rod  (Df9.9Br)(Df9.9Bt)(Df15Ar)(Df15At)(Df20Ar)(Df20At) (206B - Тяга сцепления (Df9.9Br) (Df9.9Bt) (Df15Ar) (Df15At) (Df20Ar) (Df20At))

206B - Clutch Rod (Df9.9Br)(Df9.9Bt)(Df15Ar)(Df15At)(Df20Ar)(Df20At) (206B - Тяга сцепления (Df9.9Br) (Df9.9Bt) (Df15Ar) (Df15At) (Df20Ar) (Df20At))

210A - Shift  Rod (210A - Переключающая тяга)

210A - Shift Rod (210A - Переключающая тяга)

220B  -  Transmission  (Df9.9Bt)(Df9.9Bth)(Df15At)(Df20At)(Df20Ath) (220B - Трансмиссия (Df9.9Bt) (Df9.9Bth) (Df15At) (Df20At) (Df20Ath))

220B - Transmission (Df9.9Bt)(Df9.9Bth)(Df15At)(Df20At)(Df20Ath) (220B - Трансмиссия (Df9.9Bt) (Df9.9Bth) (Df15At) (Df20At) (Df20Ath))

301A  -  Starting  Motor  (Electric  Starter) (301A - Двигатель электростартера (Электростартер))

301A - Starting Motor (Electric Starter) (301A - Двигатель электростартера (Электростартер))

303B  -  Magneto  (Electric  Starter) (303B - Магнето (Электростартер))

303B - Magneto (Electric Starter) (303B - Магнето (Электростартер))

310B  -  Rectifier/ignition  Coil  (Df9.9Br)(Df9.9Bt)(Df9.9Bth) (310B - Выпрямитель / Катушка зажигания (Df9.9Br) (Df9.9Bt) (Df9.9Bth))

310B - Rectifier/ignition Coil (Df9.9Br)(Df9.9Bt)(Df9.9Bth) (310B - Выпрямитель / Катушка зажигания (Df9.9Br) (Df9.9Bt) (Df9.9Bth))

322C  -  Harness  (Df9.9Bt)(Df15At)(Df20At) (322C - Жгут проводов (Df9.9Bt) (Df15At) (Df20At))

322C - Harness (Df9.9Bt)(Df15At)(Df20At) (322C - Жгут проводов (Df9.9Bt) (Df15At) (Df20At))

327A  -  Ptt  Switch  (Df9.9Bt)(Df15At)(Df20At) (327A - Переключатель гидроподъёма (Df9.9Bt) (Df15At) (Df20At))

327A - Ptt Switch (Df9.9Bt)(Df15At)(Df20At) (327A - Переключатель гидроподъёма (Df9.9Bt) (Df15At) (Df20At))

334B  -  Sensor/switch  (Df9.9Br)(Df9.9Bt)(Df15Ar)(Df15At)(Df20Ar)(Df20At) (334B - Датчики и переключатели (Df9.9Br) (Df9.9Bt) (Df15Ar) (Df15At) (Df20Ar) (Df20At))

334B - Sensor/switch (Df9.9Br)(Df9.9Bt)(Df15Ar)(Df15At)(Df20Ar)(Df20At) (334B - Датчики и переключатели (Df9.9Br) (Df9.9Bt) (Df15Ar) (Df15At) (Df20Ar) (Df20At))

335C  -  Clamp  Bracket  (Df9.9Bt)(Df9.9Bth)(Df15At)(Df20At)(Df20Ath) (335C - Кронштейн транца (Df9.9Bt) (Df9.9Bth) (Df15At) (Df20At) (Df20Ath))

335C - Clamp Bracket (Df9.9Bt)(Df9.9Bth)(Df15At)(Df20At)(Df20Ath) (335C - Кронштейн транца (Df9.9Bt) (Df9.9Bth) (Df15At) (Df20At) (Df20Ath))

336C - Swivel Bracket  (Df9.9Bt)(Df15At)(Df20At) (336C - Поворотный кронштейн (Df9.9Bt) (Df15At) (Df20At))

336C - Swivel Bracket (Df9.9Bt)(Df15At)(Df20At) (336C - Поворотный кронштейн (Df9.9Bt) (Df15At) (Df20At))

338A  -  Tilt  Cylinder  (Df9.9Bt)(Df9.9Bth)(Df15At)(Df20At)(Df20Ath) (338A - Цилиндр наклона (Df9.9Bt) (Df9.9Bth) (Df15At) (Df20At) (Df20Ath))

338A - Tilt Cylinder (Df9.9Bt)(Df9.9Bth)(Df15At)(Df20At)(Df20Ath) (338A - Цилиндр наклона (Df9.9Bt) (Df9.9Bth) (Df15At) (Df20At) (Df20Ath))

340A  -  Ptt  Motor  (Df9.9Bt)(Df9.9Bth)(Df15At)(Df20At)(Df20Ath) (340A - Двигатель гидроподъёма (Df9.9Bt) (Df9.9Bth) (Df15At) (Df20At) (Df20Ath))

340A - Ptt Motor (Df9.9Bt)(Df9.9Bth)(Df15At)(Df20At)(Df20Ath) (340A - Двигатель гидроподъёма (Df9.9Bt) (Df9.9Bth) (Df15At) (Df20At) (Df20Ath))

401A  -  Engine  Holder (401A - Основание двигателя)

401A - Engine Holder (401A - Основание двигателя)

405A - Drive  Shaft  Housing (405A - Корпус вала передачи)

405A - Drive Shaft Housing (405A - Корпус вала передачи)

405A - Drive Shaft  Housing (405A - Корпус вала передачи)

405A - Drive Shaft Housing (405A - Корпус вала передачи)

407A  -  Gear  Case  (3  Blade) (407A - Картер коробки передач (3 Blade))

407A - Gear Case (3 Blade) (407A - Картер коробки передач (3 Blade))

407B  -  Gear  Case  (4  Blade)  (Df9.9B)(Df9.9Br)(Df9.9Bt)(Df15A)(Df15Ar) (407B - Картер коробки передач (4 Blade) (Df9.9B) (Df9.9Br) (Df9.9Bt) (Df15A) (Df15Ar))

407B - Gear Case (4 Blade) (Df9.9B)(Df9.9Br)(Df9.9Bt)(Df15A)(Df15Ar) (407B - Картер коробки передач (4 Blade) (Df9.9B) (Df9.9Br) (Df9.9Bt) (Df15A) (Df15Ar))

410C  -  Side  Cover  (Df9.9Bt)(Df15At)(Df20At) (410C - Боковая крышка (Df9.9Bt) (Df15At) (Df20At))

410C - Side Cover (Df9.9Bt)(Df15At)(Df20At) (410C - Боковая крышка (Df9.9Bt) (Df15At) (Df20At))

420B  -  Engine  Cover  (Df9.9Bt)(Df9.9Bth) (420B - Крышка двигателя (капот) (Df9.9Bt) (Df9.9Bth))

420B - Engine Cover (Df9.9Bt)(Df9.9Bth) (420B - Крышка двигателя (капот) (Df9.9Bt) (Df9.9Bth))

432A  -  Fuel  Tank (432A - Топливный бак)

432A - Fuel Tank (432A - Топливный бак)

442A  -  Drag  Link  (Df9.9Br)(Df9.9Bt)(Df15Ar)(Df15At)(Df20Ar)(Df20At) (442A - Переключающая тяга (Df9.9Br) (Df9.9Bt) (Df15Ar) (Df15At) (Df20Ar) (Df20At))

442A - Drag Link (Df9.9Br)(Df9.9Bt)(Df15Ar)(Df15At)(Df20Ar)(Df20At) (442A - Переключающая тяга (Df9.9Br) (Df9.9Bt) (Df15Ar) (Df15At) (Df20Ar) (Df20At))

450B  -  Remote  Control  (Df9.9Bt)(Df15At)(Df20At) (450B - Дистанционное управление (Df9.9Bt) (Df15At) (Df20At))

450B - Remote Control (Df9.9Bt)(Df15At)(Df20At) (450B - Дистанционное управление (Df9.9Bt) (Df15At) (Df20At))

501A - Opt:meter  (Df9.9Br)(Df9.9Bt)(Df15Ar)(Df15At)(Df20Ar)(Df20At) (501A - Опции: приборы (Df9.9Br) (Df9.9Bt) (Df15Ar) (Df15At) (Df20Ar) (Df20At))

501A - Opt:meter (Df9.9Br)(Df9.9Bt)(Df15Ar)(Df15At)(Df20Ar)(Df20At) (501A - Опции: приборы (Df9.9Br) (Df9.9Bt) (Df15Ar) (Df15At) (Df20Ar) (Df20At))

515A  -  Opt:remocon  Cable  (Df9.9B)(Df9.9Br)(Df9.9Bt)(Df15A)(Df15Ar)(Df15At) (515A - Опции: трос дистанционного управления (Df9.9B) (Df9.9Br) (Df9.9Bt) (Df15A) (Df15Ar) (Df15At))

515A - Opt:remocon Cable (Df9.9B)(Df9.9Br)(Df9.9Bt)(Df15A)(Df15Ar)(Df15At) (515A - Опции: трос дистанционного управления (Df9.9B) (Df9.9Br) (Df9.9Bt) (Df15A) (Df15Ar) (Df15At))

530A  -  Opt:switch  (Df9.9Br)(Dt9.9Bt)(Df15Ar)(Df15At)(Df20Ar)(Df20At) (530A - Опции: переключатели (Df9.9Br) (Dt9.9Bt) (Df15Ar) (Df15At) (Df20Ar) (Df20At))

530A - Opt:switch (Df9.9Br)(Dt9.9Bt)(Df15Ar)(Df15At)(Df20Ar)(Df20At) (530A - Опции: переключатели (Df9.9Br) (Dt9.9Bt) (Df15Ar) (Df15At) (Df20Ar) (Df20At))

544A  -  Opt:remote  Control  Assy  Single  (1)  (Df9.9B)(Df9.9Br)(Df9.9Bt)(Df15A) (544A - Дистанционное управление в сборе, одинарное (1) (Df9.9B) (Df9.9Br) (Df9.9Bt) (Df15A))

544A - Opt:remote Control Assy Single (1) (Df9.9B)(Df9.9Br)(Df9.9Bt)(Df15A) (544A - Дистанционное управление в сборе, одинарное (1) (Df9.9B) (Df9.9Br) (Df9.9Bt) (Df15A))

545A  -  Opt:remote  Control  Assy  Single  (2)  (Df9.9B)(Df9.9Br)(Df9.9Bt)(Df15A) (545A - Дистанционное управление в сборе, одинарное (2) (Df9.9B) (Df9.9Br) (Df9.9Bt) (Df15A))

545A - Opt:remote Control Assy Single (2) (Df9.9B)(Df9.9Br)(Df9.9Bt)(Df15A) (545A - Дистанционное управление в сборе, одинарное (2) (Df9.9B) (Df9.9Br) (Df9.9Bt) (Df15A))

546A - Opt:remocon Cable (Electric Starter) (Df9.9B)(Df15A)(Df20A) (546A - Опции: трос дистанционного управления (Электростартер) (Df9.9B) (Df15A) (Df20A))

546A - Opt:remocon Cable (Electric Starter) (Df9.9B)(Df15A)(Df20A) (546A - Опции: трос дистанционного управления (Электростартер) (Df9.9B) (Df15A) (Df20A))

583A  -  Opt:fuel  Tank  (Df9.9B)(Df9.9Br)(Df9.9Bt)(Df9.9Bth)(Df15A)(Df15Ar) (583A - Опции: топливный бак (Df9.9B) (Df9.9Br) (Df9.9Bt) (Df9.9Bth) (Df15A) (Df15Ar))

583A - Opt:fuel Tank (Df9.9B)(Df9.9Br)(Df9.9Bt)(Df9.9Bth)(Df15A)(Df15Ar) (583A - Опции: топливный бак (Df9.9B) (Df9.9Br) (Df9.9Bt) (Df9.9Bth) (Df15A) (Df15Ar))

600A  -  Opt:multi  Function  Gauge  (Df9.9Br)(Df9.9Bt)(Df15Ar) (600A - Опции: multi Function Gauge (Df9.9Br) (Df9.9Bt) (Df15Ar))

600A - Opt:multi Function Gauge (Df9.9Br)(Df9.9Bt)(Df15Ar) (600A - Опции: multi Function Gauge (Df9.9Br) (Df9.9Bt) (Df15Ar))




 
 

данный сайт носит информационный характер и не является публичной офертой

склад запчастей для водомоторной техники