Контактный телефон: +7 (981) 121-46-93, +7 (800) 200-90-76 , Email: parts-katalog@yandex.ru, где купить |
Вернуться к выбору узлов мотора Tiller Handle | ||||||||||||||||||||||||||||||||||||||||||||||||||||||||||||||||||||||||||||||||||||||||||||||||||||||||||||||||||||||||||||||||||||||||||||||||||||||||||||||||||||||||||||||||||||||||||||||||||||||||||||||||||||||||||||||||||||||||||||||||||||||
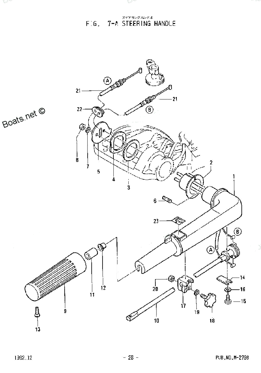
| Номер на рисунке | Артикул | Наименование | QTY | Кол-во на складе | Цена | |
| 01 | 3B2-63011-0 | Румпель - замена 3b2s63011-1 (Steering Handle - замена 3b2s63011-1) | под заказ | нет сведений | ||
| 01 | 3B2S63011-1 | Румпель - (Steering Handle - ) | под заказ | нет сведений | ||
| 02 | 3B2-63102-0 | Врулка румпеля (Bushing Handle) | 2 шт | 700 руб. | ||
| 03 | 3B2-63108-0 | Шайба 30-45-1 (Washer 30-45-1) | 4 шт | 230 руб. | ||
| 04 | 3B2-63109-0 | Волнистая шайба 30-45-1.2 (Wave Washer 30-45-1.2) | под заказ | 440 руб. | ||
| 05 | 3B2-63103-0 | Стопор ручки руля (Stopper Steering Handle) | под заказ | 1090 руб. | ||
| 06 | 3B2-63104-0 | Стержневой болт - замена 3b2-63104-1 (Stud Bolt - замена 3b2-63104-1) | под заказ | 310 руб. | ||
| 06 | 3B2-63104-1 | (актуальный код замены) Стержневой болт - Stud Bolt | под заказ | 370 руб. | ||
| 07 | 941303-0600 | Пружинная шайба (Spring Washer) | 4 шт | 150 руб. | ||
| 08 | 930103-0600 | Гайка (Nut) | 1 шт | 240 руб. | ||
| 09 | 350-63012-0 | Рукоятка (Grip) | под заказ | 2870 руб. | ||
| 09 | 350-63012-2 | (актуальный код замены) Рукоятка - Grip | под заказ | 2990 руб. | ||
| 10 | 3B2-63041-0 | Вал дросселя (Throttle Shaft) | под заказ | 1800 руб. | ||
| 11 | 345-63048-0 | Rubber Вал дросселя A (Rubber Throttle Shaft A) | 2 шт | 210 руб. | ||
| 12 | 350-63046-0 | Втулка 8.2-10-11 (Bushing 8.2-10-11) | 5 шт | 320 руб. | ||
| 13 | 9208-3-0518 | Винт - замена 920803-0518 (Screw - замена 920803-0518) | под заказ | 110 руб. | ||
| 13 | 920803-0518 | (актуальный код замены) Винт - Screw | под заказ | 170 руб. | ||
| 14 | 3B2-63063-0 | Поддержка вала дросселя (Supporter Throttle Shaft) | под заказ | 260 руб. | ||
| 15 | 910103-0612 | Болт (Bolt) | под заказ | 150 руб. | ||
| 16 | 9401-3-0600 | Шайба - замена 940103-0600 (Washer - замена 940103-0600) | под заказ | 70 руб. | ||
| 16 | 940103-0600 | (актуальный код замены) Шайба - Washer | под заказ | 130 руб. | ||
| 17 | 3B2-63035-0 | Трущаяся деталька Рукоятка - замена 3b2-63035-1 (Friction Piece Grip - замена 3b2-63035-1) | под заказ | 440 руб. | ||
| 17 | 3B2-63035-1 | (актуальный код замены) Трущаяся деталька Рукоятка - Friction Piece Grip | под заказ | 420 руб. | ||
| 18 | 3B2-63034-0 | Adjust Винт (Adjust Screw) | 2 шт | 420 руб. | ||
| 21 | 3B2-63600-1 | Тросик дросселя (Throttle Wire) | 3 шт | 3070 руб. | ||
| 21 | SC-CB023 | (не оригинальный аналог) Трос газа Tohatsu / Mercury SC-CB023 | под заказ | 470 руб. | ||
| 21 | PT8-01030100 | (аналог Parsun) THROTTLE CABLE ASSY | под заказ | 470 руб. | ||
| 21 | SK3B2-63600-1 | (не оригинальный аналог) Трос румпеля Skipper для Tohatsu 8-9.8 | 0 шт | 698 руб. | ||
| 22 | 3B2-63621-0 | Пыльник Тросик дросселя (Grommet Throttle Wire) | под заказ | 320 руб. | ||
| 23 | 369-72019-0 | Lable Дроссель - замена 369-72019-1 (Lable Throttle - замена 369-72019-1) | под заказ | 190 руб. | ||
| 23 | 369-72019-2 | (актуальный код замены) ** Наклейка дросселя - ** Throttle Decal | 1 шт | 320 руб. | ||
| 23 | 369-72019-1 | Lable Дроссель - (Lable Throttle - ) | под заказ | 190 руб. | ||
Время выполнения запроса 2.4050951004028 сек.
склад запчастей для водомоторной техники