Контактный телефон: +7 (981) 121-46-93, +7 (800) 200-90-76 , Email: parts-katalog@yandex.ru, где купить |
Вернуться к выбору узлов мотора Bracket 1 Manual Tilt | ||||||||||||||||||||||||||||||||||||||||||||||||||||||||||||||||||||||||||||||||||||||||||||||||||||||||||||||||||||||||||||||||||||||||||||||||||||||||||||||||||||||||||||||||||||||||||||||||||||||||||||||||||||||||||||||||||||||||||||||||||||||||||||||||||||||||||||||||||||||||||||||||||||||||||||||||||||||||||||||||||||||||||||||||||||||||||||||||||||||||||||||||||||||||||||||||||||||||||||||||||||||||||||||||||||||||||||||||||||||||||||||||||||||||||||||||||||||||||||||||||
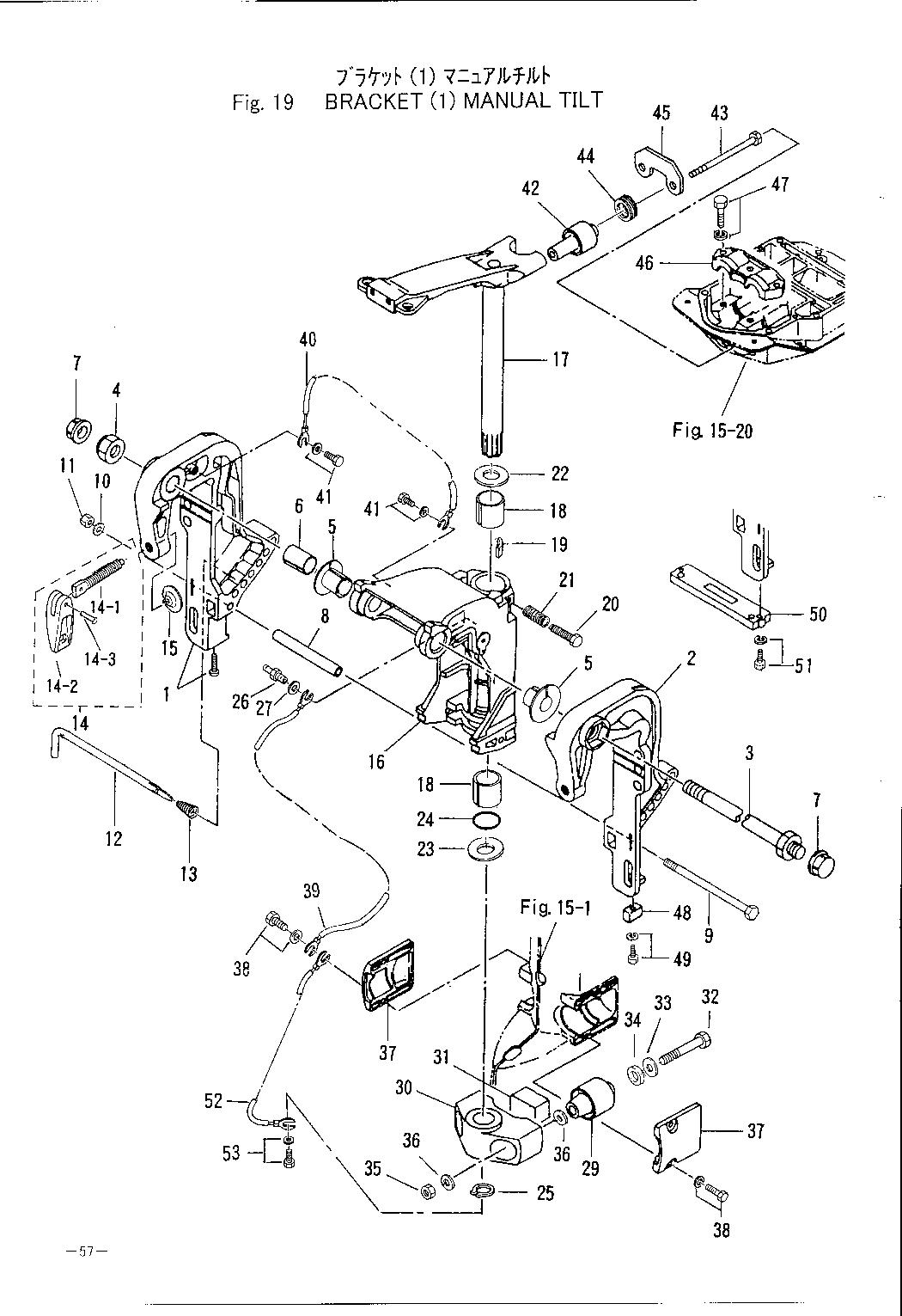
| Номер на рисунке | Артикул | Наименование | QTY | Кол-во на складе | Цена | |
| 01 | 3C8S62112-0 | Кронштейн транца R Ass - замена 3c8s62110-0 (Stern Bracket R Ass - замена 3c8s62110-0) | под заказ | нет сведений | ||
| 01 | 3C8S62110-0 | Кронштейн транца R Ass - (Stern Bracket R Ass - ) | под заказ | нет сведений | ||
| 02 | 3C8S62113-0 | Кронштейн транца L (Stern Bracket L) | под заказ | нет сведений | ||
| 03 | 346-62191-0 | Bracket Болт в сборе - замена 3ac-62191-0 (Bracket Bolt Assy - замена 3ac-62191-0) | под заказ | 5830 руб. | ||
| 03 | 3AC-62191-0 | (актуальный код замены) Поворотный кронштейн Вал - Swivel Bracket Shaft | под заказ | 5830 руб. | ||
| 04 | 346-62124-0 | Bracket Гайка (nylon) - замена 346-62124-1 (Bracket Nut (nylon) - замена 346-62124-1) | под заказ | 1920 руб. | ||
| 04 | 346-62124-1 | (актуальный код замены) Нейлоновая гайка 7 / 8 - Nylon Nut 7/8 | под заказ | 2140 руб. | ||
| 05 | 349-62126-0 | Втулка Bracket Болт (Bushing Bracket Bolt) | 11 шт | 740 руб. | ||
| 06 | 3C8-62132-0 | Втулка 22-25-35.5 (Bushing 22-25-35.5) | под заказ | 510 руб. | ||
| 07 | 346-62127-0 | Cap Bracket Болт (Cap Bracket Bolt) | под заказ | 260 руб. | ||
| 08 | 3C8-62117-1 | Удлинитель (Distance Piece) | под заказ | 2480 руб. | ||
| 09 | 3C8-62120-1 | Болт 8-170 (Bolt 8-170) | под заказ | 1240 руб. | ||
| 12 | 3C8-62121-1 | Стержень тяги (Thrust Rod) | 2 шт | 3210 руб. | ||
| 13 | 345-62122-2 | Пружина стержня тяги (Spring Thrust Rod) | 1 шт | 400 руб. | ||
| 14 | 3C8S62100-1 | Винт струбцины в сборе (Clamp Screw Assy) | под заказ | нет сведений | ||
| 14-1 | 3E3-62103-0 | Винт струбцины (Clamp Screw) | под заказ | нет сведений | ||
| 14-3 | 3C8-62104-1 | Заклёпка 3-22 (Rivet 3-22) | под заказ | 150 руб. | ||
| 14-3 | 3C8-62104-2 | (актуальный код замены) Заклёпка 3-22 - Rivet 3-22 | 2 шт | 110 руб. | ||
| 15 | 332-62101-0 | Винт зажимной колодки (Pad Clamp Screw) | 7 шт | 820 руб. | ||
| 16 | 3C8S62310-2 | Поворотный кронштейн - замена 3c8s62310-3 (Swivel Bracket - замена 3c8s62310-3) | под заказ | нет сведений | ||
| 16 | 3C8S62310-3 | (актуальный код замены) Поворотный кронштейн запчасть снята с производства - Swivel Bracket ###sold Out### | под заказ | нет сведений | ||
| 17 | 3C8S62010-2 | Steering Shaft в сборе (Steering Shaft Assy) | под заказ | нет сведений | ||
| 18 | 345-62417-0 | Втулка Steering Shaft (Bushing Steering Shaft) | 12 шт | 820 руб. | ||
| 18 | SC-OT163 | (не оригинальный аналог) Втулка крепления мотора Tohatsu / Mercury SC-OT163 | под заказ | 470 руб. | ||
| 19 | 345-62441-0 | Фрикционный диск (Friction Plate) | 4 шт | 720 руб. | ||
| 19 | PF8-01000100 | (аналог Parsun) LOCKED BLOCK ASSY | под заказ | 220 руб. | ||
| 21 | 346-62421-1 | Пружина Фрикционный диск (Spring Friction Plate) | под заказ | 440 руб. | ||
| 22 | 3A0-62423-2 | вышеper Упорная пластина (Upper Thrust Plate) | под заказ | 400 руб. | ||
| 23 | 346-62424-1 | Нижняя упорная пластина (Thrust Plate Lower) | 5 шт | 590 руб. | ||
| 24 | 345-62415-0 | Уплотнительное кольцо 3.5-25 7 замена 3h8-62415-0 (O-ring 3.5-25 7 замена 3h8-62415-0) | 4 шт | 220 руб. | ||
| 24 | 3H8-62415-0 | (актуальный код замены) Уплотнительное кольцо 3.5-25.7 - O-ring 3.5-25.7 | под заказ | 140 руб. | ||
| 25 | 945103-2500 | C-ring (C-ring) | под заказ | 260 руб. | ||
| 26 | 344-67177-0 | Смазочный ниппель (Grease Nipple) | под заказ | 260 руб. | ||
| 26 | 344-67177-1 | (актуальный код замены) Смазочный ниппель (344-67177-0) - Grease Nipple (344-67177-0) | под заказ | 300 руб. | ||
| 27 | 940103-0600 | Шайба - замена 940113-0600 (Washer - замена 940113-0600) | под заказ | 130 руб. | ||
| 27 | 940113-0600 | Шайба - (Washer - ) | 2 шт | 90 руб. | ||
| 29 | 3C8-61302-0 | Lower Крепёжная резинка (Lower Mount Rubber) | под заказ | 4380 руб. | ||
| 29 | 3C8-61302-1 | (актуальный код замены) Нижний демпфер - Rubber Mount (lower) | под заказ | 4580 руб. | ||
| 30 | 3C8S61411-2 | Монтажный кронштейн (Mount Bracket) | под заказ | нет сведений | ||
| 31 | 3C8-61336-0 | Демпфер Rubber (Damper Rubber) | под заказ | 590 руб. | ||
| 32 | 3C8-61321-1 | Болт Lower Крепёжная резинка (Bolt Lower Mount Rubber) | под заказ | 1380 руб. | ||
| 33 | 353-61334-0 | Шайба 13-34-3 (Washer 13-34-3) | 4 шт | 570 руб. | ||
| 34 | 3C7-61338-0 | Демпфер Rubber 21-36-5 (Damper Rubber 21-36-5) | под заказ | 1260 руб. | ||
| 35 | 930403-1200 | Нейлоновая гайка (Nylon Nut) | под заказ | 650 руб. | ||
| 37 | 3C8S61342-0 | Cap Lower Крепёжная резинка (Cap Lower Mount Rubber) | под заказ | нет сведений | ||
| 39 | 3C8-62396-0 | Провод заземления - замена 3c8-62396-1 (Ground Wire - замена 3c8-62396-1) | под заказ | 670 руб. | ||
| 39 | 3C8-62396-1 | (актуальный код замены) Провод заземления - Ground Wire | под заказ | 720 руб. | ||
| 40 | 3C8-62158-0 | Провод заземления - замена 398-62396-1 (Ground Wire - замена 398-62396-1) | под заказ | 670 руб. | ||
| 40 | 398-62396-1 | (актуальный код замены) Провод заземления - Ground Wire | под заказ | 800 руб. | ||
| 41 | 910113-5612 | Болт - замена 9101e3-5612 (Bolt - замена 9101e3-5612) | под заказ | 210 руб. | ||
| 41 | 9101E3-5612 | (актуальный код замены) Болт - Bolt | под заказ | 210 руб. | ||
| 42 | 3E3-61301-1 | вышеper Mount Robber замена 3e3-61301-2 (Upper Mount Robber замена 3e3-61301-2) | под заказ | 3070 руб. | ||
| 42 | 3E3-61301-2 | (актуальный код замены) Верхняя монтажная резинка - Rubber Mount (upper) | под заказ | 3210 руб. | ||
| 43 | 353-61307-0 | Болт Крепёжная резинка вышеper (Bolt Mount Rubber Upper) | под заказ | 1140 руб. | ||
| 43 | 353-61307-1 | (актуальный код замены) Болт - Bolt | под заказ | 1140 руб. | ||
| 44 | 3E3-61333-0 | вышеper Демпфер Rubber (Upper Damper Rubber) | под заказ | 1090 руб. | ||
| 45 | 3E3-61335-0 | вышеper Lock Plate (Upper Lock Plate) | под заказ | 550 руб. | ||
| 46 | 3C8S61341-0 | Крышка верхней монтажной резинкиer (Cap Upper Mount Rubber) | под заказ | нет сведений | ||
| 48 | 3B7-60218-1 | Анод (Anode) | под заказ | 920 руб. | ||
| 48 | 01256 | (не оригинальный аналог) Анод Tecnoseal для Tohatsu M25-140 цинк | 0 шт | 1011 руб. | ||
| 50 | 3C7-60218-2 | Анод Кронштейн транца (Anode Stern Bracket) | под заказ | 2420 руб. | ||
| 50 | 01254AL | (не оригинальный аналог) Анод Tecnoseal для Tohatsu M40-140 алюминий | 0 шт | 2274 руб. | ||
| 50 | 01254 | (не оригинальный аналог) Анод Tecnoseal для Tohatsu M40-140 цинк | 0 шт | 3266 руб. | ||
| 51 | 910103-6630 | Болт (Bolt) | под заказ | 210 руб. | ||
| 52 | 3A3-62396-0 | Провод - замена 3a3-62396-1 (Wire - замена 3a3-62396-1) | под заказ | 470 руб. | ||
| 52 | 3A3-62396-1 | (актуальный код замены) Провод заземления - Ground Wire | под заказ | 1160 руб. | ||
Время выполнения запроса 5.2742209434509 сек.
склад запчастей для водомоторной техники