Контактный телефон: +7 (981) 121-46-93, +7 (800) 200-90-76 , Email: parts-katalog@yandex.ru, где купить |
Вернуться к выбору узлов мотора Tiller Handle | |||||||||||||||||||||||||||||||||||||||||||||||||||||||||||||||||||||||||||||||||||||||||||||||||||||||||||||||||||||||||||||||||||||||||||||||||||||||||||||||||||||||||||||||||||||||||||||||||||||||||||||||||||||||||||||||||||||||||||||||||||||||||||||||||||||||||||||||||||||||||||||||||||||||||||||||||||||||||||||||||||
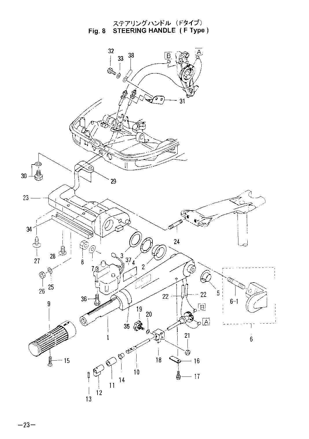
| Номер на рисунке | Артикул | Наименование | QTY | Кол-во на складе | Цена | |
| 01 | 3C8S63011-1 | Румпель (Steering Handle) | под заказ | нет сведений | ||
| 02 | 3C8-63101-0 | Втулка A Румпель (Bushing A Steering Handle) | под заказ | 610 руб. | ||
| 03 | 3B2-63108-0 | Шайба 30-45-1 (Washer 30-45-1) | 4 шт | 230 руб. | ||
| 04 | 3B2-63109-0 | Волнистая шайба 30-45-1.2 (Wave Washer 30-45-1.2) | под заказ | 440 руб. | ||
| 05 | 3C8-63102-1 | Втулка B Румпель (Bushing B Steering Handle) | под заказ | 280 руб. | ||
| 06 | 3C8S63027-0 | Holder в сборе Румпель (Holder Assy Steering Handle) | под заказ | нет сведений | ||
| 06-01 | 915313-1022 | Стержневой болт (Stud Bolt) | под заказ | 310 руб. | ||
| 06-01 | 9153E3-1022 | (актуальный код замены) Стержневой болт - Stud Bolt | под заказ | 760 руб. | ||
| 08 | 930103-1000 | Гайка (Nut) | под заказ | 190 руб. | ||
| 09 | 398-63012-0 | Рукоятка (Grip) | 2 шт | 2870 руб. | ||
| 10 | 3C8-63041-1 | Вал дросселя (Throttle Shaft) | под заказ | 2360 руб. | ||
| 11 | 345-63048-0 | Rubber Вал дросселя A (Rubber Throttle Shaft A) | 2 шт | 210 руб. | ||
| 12 | 398-63053-0 | Прокладка Вал дросселя (Spacer Throttle Shaft) | 1 шт | 320 руб. | ||
| 13 | 951403-0310 | Стопор пружины (Spring Pin) | под заказ | 140 руб. | ||
| 14 | 350-63046-0 | Втулка 8.2-10-11 (Bushing 8.2-10-11) | 5 шт | 320 руб. | ||
| 15 | 921803-0525 | Винт (Screw) | 1 шт | 170 руб. | ||
| 16 | 3C8-63063-0 | Поддержка вала дросселя (Supporter Throttle Shaft) | под заказ | 210 руб. | ||
| 17 | 910113-5612 | Болт - замена 9101e3-5612 (Bolt - замена 9101e3-5612) | под заказ | 210 руб. | ||
| 17 | 9101E3-5612 | (актуальный код замены) Болт - Bolt | под заказ | 210 руб. | ||
| 18 | 3B2-63035-1 | Трущаяся деталька Рукоятка (Friction Piece Grip) | под заказ | 420 руб. | ||
| 19 | 3B2-63034-0 | Adjust Винт (Adjust Screw) | 2 шт | 420 руб. | ||
| 20 | 940103-0600 | Шайба - замена 940113-0600 (Washer - замена 940113-0600) | под заказ | 130 руб. | ||
| 20 | 940113-0600 | Шайба - (Washer - ) | 2 шт | 90 руб. | ||
| 21 | 930103-0600 | Гайка (Nut) | 1 шт | 240 руб. | ||
| 22 | 3C8-63600-0 | Тросик дросселя - замена 3c8-63600-1 (Throttle Wire - замена 3c8-63600-1) | под заказ | 1920 руб. | ||
| 22 | 3C8-63600-1 | (актуальный код замены) Тросик дросселя - Throttle Wire | под заказ | 2770 руб. | ||
| 22 | SC-CB034 | (не оригинальный аналог) Трос газа Tohatsu / Mercury SC-CB034 | под заказ | 590 руб. | ||
| 22 | SK3C8-63600-0 | (не оригинальный аналог) Трос газа Skipper для Tohatsu MD40B2, MD50B2 | 0 шт | 418 руб. | ||
| 23 | 3C8S62001-2 | Sterring Bracket (Sterring Bracket) | под заказ | нет сведений | ||
| 25 | 940103-0800 | Шайба (Washer) | под заказ | 150 руб. | ||
| 26 | 930403-0800 | Нейлоновая гайка (Nylon Nut) | под заказ | 360 руб. | ||
| 27 | 3C8-63607-0 | Зажим Тросик дросселя (Clip Throttle Wire) | под заказ | 170 руб. | ||
| 28 | 921903-0625 | Винт (Screw) | под заказ | 150 руб. | ||
| 29 | 345-06915-0 | Струбцина 6.5-14 (Clamp 6.5-14) | под заказ | 490 руб. | ||
| 31 | 3C8-63508-0 | Bracket Тросик дросселя (Bracket Throttle Wire) | под заказ | 280 руб. | ||
| 31 | 3C8-63508-1 | (актуальный код замены) Кронштейн Тросик дросселя - Bracket Throttle Wire | под заказ | 650 руб. | ||
| 32 | 910114-0614 | Болт (Bolt) | под заказ | 130 руб. | ||
| 34 | 3T5-62004-0 | Holder Cord (Holder Cord) | под заказ | 1480 руб. | ||
| 35 | 3T5-72019-0 | Наклейка - управление дросселем (Label Throttle) | под заказ | 360 руб. | ||
| 36 | 910103-6625 | Болт (Bolt) | под заказ | 190 руб. | ||
| 37 | 3T5-84335-0 | Label Main Переключатель (Label Main Switch) | под заказ | 360 руб. | ||
| 38 | 309-06972-0 | Струбцина (Clamp) | под заказ | 240 руб. | ||
| 38 | 3PR-06972-0 | (актуальный код замены) Струбцина - Clamp | под заказ | 210 руб. | ||
Время выполнения запроса 10.483288049698 сек.
склад запчастей для водомоторной техники