Контактный телефон: +7 (981) 121-46-93, +7 (800) 200-90-76 , Email: parts-katalog@yandex.ru, где купить |
Вернуться к выбору узлов мотора Power Trim & Tilt | |||||||||||||||||||||||||||||||||||||||||||||||||||||||||||||||||||||||||||||||||||||||||||||||||||||||||||||||||||||||||||||||||||||||||||||||||||||||||||||||||||||||||||||||||||||||||||||||||||||||||||||||||||||||||||||||||||||||||||||||||||||||||||||||||||||||||||||||||||||||||||||||||||||||||||||||||||||||||||||||||||||||||||||||||||||||||||||||||||||||
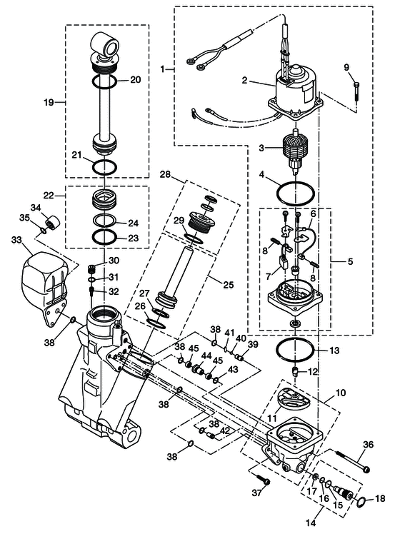
| Номер на рисунке | Артикул | Наименование | QTY | Кол-во на складе | Цена | |
| 01 | 3T9-77180-0 | Motor в сборе (Motor Assy) | под заказ | 78290 руб. | ||
| 02 | 3T9-77195-0 | Yoke в сборе (Yoke Assy) | под заказ | 33810 руб. | ||
| 03 | 3E0-77190-0 | Armature в сборе - Sold Out (Armature Assy - Sold Out) | под заказ | нет сведений | ||
| 04 | 353-77182-1 | Уплотнительное кольцо (O-ring) | под заказ | 780 руб. | ||
| 05 | 3E0-77192-0 | Bracket в сборе (Bracket Assy) | под заказ | 25100 руб. | ||
| 06 | 3E0-77183-0 | Brush в сборе (Brush Assy) | под заказ | 14180 руб. | ||
| 07 | 353-77191-0 | Breaker (Breaker) | под заказ | 10280 руб. | ||
| 08 | 3E0-77184-0 | Пружина (Spring) | под заказ | 950 руб. | ||
| 08 | 3E0-77199-1 | Болт (Bolt) | под заказ | 1110 руб. | ||
| 10 | 3E0-77430-1 | Pump (Pump) | под заказ | 40360 руб. | ||
| 11 | 3E0-77434-0 | Фильтр B (Filter B) | под заказ | 3070 руб. | ||
| 12 | 3E0-77163-0 | Coвышеling Pump (Coupling Pump) | под заказ | 1300 руб. | ||
| 13 | 3B7-77167-0 | Уплотнительное кольцо (O-ring) | 1 шт | 660 руб. | ||
| 14 | 3E0-77176-1 | Manual Клапан (Manual Valve) | под заказ | 8970 руб. | ||
| 15 | 3B7-77411-0 | Уплотнительное кольцо (O-ring) | под заказ | 600 руб. | ||
| 16 | 3E0-77407-0 | Упаковка (Packing) | под заказ | 1160 руб. | ||
| 17 | 3E0-77408-0 | Back выше Ring (Back Up Ring) | под заказ | 510 руб. | ||
| 18 | 945003-1800 | C-ring (C-ring) | под заказ | 240 руб. | ||
| 19 | 3E0-77365-1 | Поршень Rod в сборе Tilt (Piston Rod Assy Tilt) | под заказ | 55400 руб. | ||
| 20 | 3E0-77383-0 | Уплотнительное кольцо (O-ring) | под заказ | 260 руб. | ||
| 21 | 3B7-77375-0 | Уплотнительное кольцо (O-ring) | под заказ | 400 руб. | ||
| 22 | 3B7-77377-1 | Free Поршень (Free Piston) | под заказ | 5140 руб. | ||
| 23 | 3B7-77375-0 | Уплотнительное кольцо (O-ring) | под заказ | 400 руб. | ||
| 24 | 3B7-77376-0 | Back-выше Ring (Back-up Ring) | под заказ | 760 руб. | ||
| 25 | 3E0-77390-0 | Поршень Trim в сборе (Piston Trim Assy) | под заказ | 12020 руб. | ||
| 25 | 3E0-77388-0 | (актуальный код замены) Поршень трима в сборе - Trim Piston Assy | под заказ | 10180 руб. | ||
| 26 | 3B7-77392-0 | Уплотнительное кольцо (O-ring) | под заказ | 420 руб. | ||
| 27 | 3B7-77393-0 | Back-выше Ring (Back-up Ring) | под заказ | 990 руб. | ||
| 28 | 3E0-77395-0 | Rod Guide Sub-в сборе Trim (Rod Guide Sub-assy Trim) | под заказ | 8430 руб. | ||
| 29 | 3E0-77398-0 | Уплотнительное кольцо (O-ring) | 1 шт | 620 руб. | ||
| 30 | 3E0-77472-0 | Заглушка (Plug) | под заказ | 1600 руб. | ||
| 30 | 3E0-77472-1 | (актуальный код замены) Заглушка - Plug | под заказ | 1420 руб. | ||
| 31 | 3B7-77179-0 | Уплотнительное кольцо (O-ring) | под заказ | 500 руб. | ||
| 32 | 3E0-77475-0 | Фильтр (Filter) | под заказ | 1340 руб. | ||
| 34 | 3E0-77168-0 | Cap (Cap) | под заказ | 970 руб. | ||
| 35 | 3E0-77169-0 | Уплотнительное кольцо (O-ring) | под заказ | 340 руб. | ||
| 36 | 3E0-77431-0 | Болт (Bolt) | под заказ | 1140 руб. | ||
| 36 | 3E0-77431-1 | (актуальный код замены) Болт - Bolt | под заказ | 1090 руб. | ||
| 37 | 3E0-77432-0 | Болт (Bolt) | под заказ | 650 руб. | ||
| 37 | 3E0-77432-1 | (актуальный код замены) Болт - Bolt | под заказ | 630 руб. | ||
| 38 | 3E0-77167-0 | Уплотнительное кольцо (O-ring) | под заказ | 420 руб. | ||
| 39 | 3E0-77557-0 | Orifice (Orifice) | под заказ | 3290 руб. | ||
| 40 | 3E0-77558-0 | Шарик (Ball) | под заказ | 150 руб. | ||
| 41 | 3E0-77559-0 | штифт или шпилька (Pin) | под заказ | 530 руб. | ||
| 42 | 3E0-77479-0 | Orifice (Orifice) | под заказ | 1030 руб. | ||
| 43 | 3B7-77169-0 | Уплотнительное кольцо (O-ring) | под заказ | 680 руб. | ||
| 44 | 3E0-77453-0 | Клапан Seat (Valve Seat) | под заказ | 3730 руб. | ||
| 45 | 3E0-77456-0 | Фильтр (Filter) | под заказ | 1050 руб. | ||
Время выполнения запроса 3.5954928398132 сек.
склад запчастей для водомоторной техники