Контактный телефон: +7 (981) 121-46-93, +7 (800) 200-90-76 , Email: parts-katalog@yandex.ru, где купить |
Вернуться к выбору узлов мотора Air Compressor | ||||||||||||||||||||||||||||||||||||||||||||||||||||||||||||||||||||||||||||||||||||||||||||||||||||||||||||||||||||||||||||||||||||||||||||||||||||||||||||||||||||||||||||||||||||||||||||||||||||||||||||||||||||||||||||||||||||||||||||||||||||||||||||||||||||||||||||
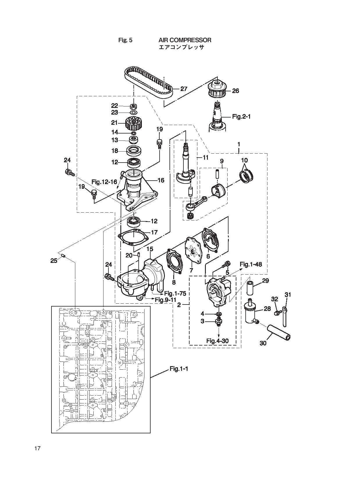
| Номер на рисунке | Артикул | Наименование | QTY | Кол-во на складе | Цена | |
| 01 | 3HKB10000-0 | Air Compressor в сборе (Air Compressor Assy) | под заказ | 159870 руб. | ||
| 01 | 3HKB10000-2 | (актуальный код замены) - Air Compressor Ass~y | под заказ | 159870 руб. | ||
| 03 | 3T5-04308-0 | Adapter Шланг Joint (Adapter Hose Joint) | под заказ | 820 руб. | ||
| 04 | 3T5-04309-0 | Metal Шайба 10.2-17-2 (Metal Washer 10.2-17-2) | под заказ | 280 руб. | ||
| 05 | 9101F4-5635 | Болт (Bolt) | под заказ | 240 руб. | ||
| 05 | 910114-5635 | (актуальный код замены) Болт?910113-5635 - Bolt?910113-5635 | под заказ | 190 руб. | ||
| 06 | 3T1-10012-0 | Прокладка Compressor Head (Gasket Compressor Head) | под заказ | 920 руб. | ||
| 07 | 3U1-10010-0 | Язычковый клапан, в сборе (Reed Valve Assy) | под заказ | 16300 руб. | ||
| 07 | 3HK-10010-1 | (актуальный код замены) Read Клапан в сборе - Read Valve Assy | 2 шт | 17130 руб. | ||
| 08 | 3T1-10019-0 | Клапан Seat Прокладка (Valve Seat Gasket) | 2 шт | 880 руб. | ||
| 09 | 3T1-87330-0 | Air Compressor Поршень Шатун (Air Compressor Piston Connecting Rod) | под заказ | 15430 руб. | ||
| 10 | 3T1-10025-0 | Поршневые кольца (compressor) (Piston Ring (compressor)) | под заказ | 1100 руб. | ||
| 11 | 3T1-87331-1 | Compressor Коленвал?a??? (Compressor Crankshaft?a???) | под заказ | 17840 руб. | ||
| 12 | 9601-0-6203 | Шариковый подшипник (Ball Bearing) | под заказ | 1320 руб. | ||
| 13 | 3T1-10042-0 | Воротник 13.5-25-13 (Collar 13.5-25-13) | под заказ | 3940 руб. | ||
| 14 | 3T5-10046-0 | Уплотнительное кольцо 1.9-13 (O-ring 1.9-13) | под заказ | 120 руб. | ||
| 15 | 3T1B10048-0 | Compressor Cylinder (Compressor Cylinder) | под заказ | 19520 руб. | ||
| 16 | 3T1B10049-0 | Compressor Housing (Compressor Housing) | под заказ | 53820 руб. | ||
| 17 | 3T1-10054-0 | Compressor Housing Прокладка (Compressor Housing Gasket) | под заказ | 880 руб. | ||
| 18 | 3T5-10041-0 | Сальник 25-45-8 (Oil Seal 25-45-8) | под заказ | 1890 руб. | ||
| 19 | 910103-5625 | Болт (Bolt) | под заказ | 210 руб. | ||
| 20 | 334-65012-0 | Шпонка 4-10 (Dowel Pin 4-10) | 8 шт | 480 руб. | ||
| 21 | 3T1-10062-0 | Driven Шкив (Driven Pulley) | под заказ | 7910 руб. | ||
| 22 | 309-00132-0 | Гайка магнето (Nut Magneto) | под заказ | 190 руб. | ||
| 23 | 3B7-01116-0 | Шайба (Washer) | под заказ | 170 руб. | ||
| 25 | 345-01111-0 | Шпонка 6-12 (Dowel Pin 6-12) | под заказ | 210 руб. | ||
| 25 | 910103-7835 | Болт (Bolt) | под заказ | 320 руб. | ||
| 26 | 3T1-10060-0 | Drive Шкив (Drive Pulley) | под заказ | 24980 руб. | ||
| 27 | 3T1-10061-0 | Drive Belt (Drive Belt) | под заказ | 6260 руб. | ||
| 28 | 3GF-10130-0 | Air Фильтр (Air Filter) | под заказ | 2990 руб. | ||
| 29 | 98AT130-060 | Шланг (Hose) | под заказ | 740 руб. | ||
| 30 | 98AT130-140 | Шланг (Hose) | под заказ | 740 руб. | ||
| 31 | 309-06972-0 | Струбцина (Clamp) | под заказ | 240 руб. | ||
| 31 | 3PR-06972-0 | (актуальный код замены) Струбцина - Clamp | под заказ | 210 руб. | ||
| 32 | 910103-6612 | Болт (Bolt) | 2 шт | 190 руб. | ||
Время выполнения запроса 2.9842028617859 сек.
склад запчастей для водомоторной техники