Контактный телефон: +7 (981) 121-46-93, +7 (800) 200-90-76 , Email: parts-katalog@yandex.ru, где купить |
Вернуться к выбору узлов мотора Fig.05 Fuel Pump | |||||||||||||||||||||||||||||||||||||||||||||||||||||||||||||||||||||||||||||||||||||||||||||||||||||||||||||||||||||||||||||||||||||||||||||||||||||||||||||||||||||||||||||||||||||||||||||||||||||||||||||||||||||||||||||||||||||||||||||||||||||||||||||||||||||||||||||||||||||||||||||||||||||||||||||||||||||||||||||||||||||||||||||||||||||||||||||||||||||||||||||||||||||||||||||||||||||||||||||||||||||||||||||||||||||||||||||||||||||||||||||||||||||||||||||||||||||||||||||||||||||||||||||||||||||||||||||||||||||||||||||||||||||||||||||||||||||||||||||||||||||||||||||||||||||||||||||||||||||||||||||||||||||||||||||||||||||||||||||||||||||||||||||||||||||||||||
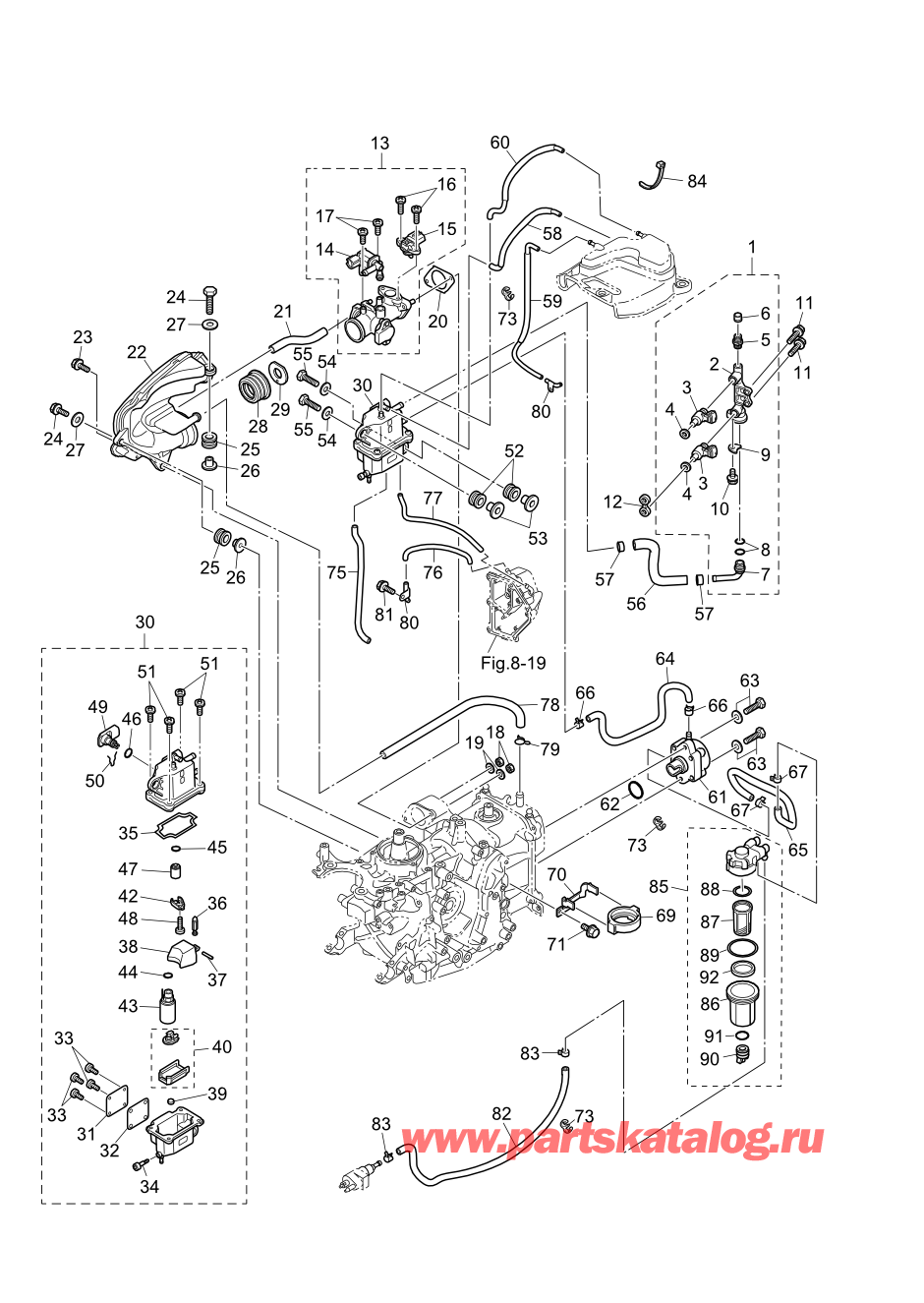
| Номер на рисунке | Артикул | Наименование | QTY | Кол-во на складе | Цена | |
| 5-1 | 3RS-10200-0 | Топливная магистраль в сборе (Fuel Rail Assy) | 1 | под заказ | 43740 руб. | |
| 5-2 | 3RS-10201-0 | * Топливная магистраль (* Fuel Rail) | 1 | под заказ | 4040 руб. | |
| 5-3 | 3RS-10300-0 | * Топливный инжектор в сборе (* Fuel Injector Assy) | 2 | под заказ | 13710 руб. | |
| 5-4 | 3RS-10323-0 | * Кольцевой сальник (* Seal Ring) | 2 | под заказ | 440 руб. | |
| 5-5 | 3T5-10098-0 | * Клапан в сборе (pressure Check) (* Valve Assy (pressure Check)) | 1 | под заказ | 1540 руб. | |
| 5-6 | 3T5-10099-0 | * Колпачок (* Cap) | 1 | под заказ | 260 руб. | |
| 5-7 | 3T5-10161-0 | * Ниппель 8-6-13l? (* Nipple 8-6-13l?) | 1 | под заказ | 1720 руб. | |
| 5-8 | 3T5-10162-0 | * Уплотнительное кольцо 1.9-9.8 (* O-ring 1.9-9.8) | 2 | под заказ | 240 руб. | |
| 5-9 | 3T5-10169-0 | * Держатель пластины (* Holding Plate) | 1 | под заказ | 210 руб. | |
| 5-10 | 910103-5612 | * Болт (* Bolt) | 1 | под заказ | 170 руб. | |
| 5-11 | 910103-5625 | Болт (Bolt) | 2 | под заказ | 210 руб. | |
| 5-12 | 3RS-03952-0 | Изолятор (Insulator) | 1 | под заказ | 950 руб. | |
| 5-13 | 3RS-10100-0 | Дроссель газа в сборе (Throttle Body Assy) | 1 | под заказ | 37090 руб. | |
| 5-14 | 3RS-10211-0 | * Клапан холостого хода (* Isc Valve) | 1 | под заказ | 12700 руб. | |
| 5-15 | 3RS-10214-0 | * Датчик абсолютного давления газа (* Map Sensor) | 1 | под заказ | 13570 руб. | |
| 5-16 | 921503-5510 | * Винт (* Screw) | 2 | под заказ | 170 руб. | |
| 5-17 | 921503-5516 | * Винт (* Screw) | 2 | под заказ | 130 руб. | |
| 5-18 | 930103-0600 | Гайка (Nut) | 2 | 1 шт | 240 руб. | |
| 5-19 | 940103-0600 | Шайба (Washer) | 2 | под заказ | 130 руб. | |
| 5-20 | 3BJ-02011-0 | Прокладка карбюратора (Carburetor Gasket) | 1 | 4 шт | 570 руб. | |
| 5-21 | 3RS-10212-0 | Шланг (Hose) TSC Valve-Intake Silencer / TSC Клапан-Впуск глушителя | 1 | под заказ | 1020 руб. | |
| 5-22 | 3RS-02409-0 | Впуск глушителя в сборе (Intake Silencer Assy) | 1 | под заказ | 7870 руб. | |
| 5-23 | 910103-0620 | Болт (Bolt) | 2 | под заказ | 170 руб. | |
| 5-24 | 910103-5630 | Болт (Bolt) | 2 | под заказ | 210 руб. | |
| 5-25 | 3KY-06920-0 | Монтажная резинка (Rubber Mount) | 2 | под заказ | 820 руб. | |
| 5-26 | 3RS-76079-0 | Воротник (Collar) | 2 | под заказ | 400 руб. | |
| 5-27 | 3C8-66308-0 | Шайба 6-16-1.5 (Washer 6-16-1.5) | 2 | под заказ | 170 руб. | |
| 5-28 | 3RU-02418-0 | Прокладка (Gasket) | 1 | под заказ | 1050 руб. | |
| 5-29 | 3RU-03536-0 | Рестриктор (Restrictor) | 1 | под заказ | 700 руб. | |
| 5-30 | 3RS-10150-0 | Пароотделитель в сборе (Vapor Separator Assy) | 1 | под заказ | 120620 руб. | |
| 5-31 | 3RS-10179-0 | * Крышка (* Cover) | 1 | под заказ | 3430 руб. | |
| 5-32 | 3RS-10180-0 | * Сальник (* Seal) | 1 | под заказ | 3280 руб. | |
| 5-33 | 921503-0408 | * Винт (* Screw) | 4 | 1 шт | 240 руб. | |
| 5-34 | 3RS-03292-0 | * Дренажный винт (* Drain Screw) | 1 | под заказ | 4040 руб. | |
| 5-35 | 3RS-04116-0 | * Прокладка (* Gasket) | 1 | под заказ | 3850 руб. | |
| 5-36 | 3RS-03239-0 | * Клапан поплавка в сборе (* Float Valve Assy) | 1 | под заказ | 4040 руб. | |
| 5-37 | 3RS-03232-0 | * Стопор рычага поплавка (* Float Arm Pin) | 1 | под заказ | 3030 руб. | |
| 5-38 | 3RS-03230-0 | * Поплавок (* Float) | 1 | под заказ | 7560 руб. | |
| 5-39 | 3RS-04314-0 | * Пыльник (* Grommet) | 1 | под заказ | 3430 руб. | |
| 5-40 | 3RS-04322-0 | * Фильтр (вход) (* Filter (inlet)) | 1 | под заказ | 8870 руб. | |
| 5-42 | 3RS-10157-0 | * Держатель (* Holder) Regulator / Регулятор | 1 | под заказ | 3430 руб. | |
| 5-43 | 3RS-04302-0 | * Fuel Feed Помпа (* Fuel Feed Pump) | 1 | под заказ | 22540 руб. | |
| 5-44 | 3RS-03116-0 | * Уплотнительное кольцо (* O-ring) FFP Out Side / FFP Out Side | 1 | под заказ | 3280 руб. | |
| 5-45 | 3RT-03116-0 | * Уплотнительное кольцо (* O-ring) Connector / Коннектор | 1 | под заказ | 3280 руб. | |
| 5-46 | 3RS-10095-0 | * Уплотнительное кольцо (* O-ring) Regulator / Регулятор | 1 | под заказ | 3280 руб. | |
| 5-47 | 3RS-10154-0 | * Регулятор топлива (* Fuel Regulator) | 1 | под заказ | нет сведений | |
| 5-48 | 921503-0408 | * Винт (* Screw) | 1 | 1 шт | 240 руб. | |
| 5-49 | 3RS-10172-0 | * Vst Коннектор (* Vst Connector) | 1 | под заказ | нет сведений | |
| 5-50 | 3RS-03244-0 | * Зажим (* Clip) | 1 | под заказ | 2790 руб. | |
| 5-51 | 921503-0516 | * Винт (* Screw) | 1 | под заказ | 110 руб. | |
| 5-52 | 3KY-06920-0 | Монтажная резинка (Rubber Mount) | 2 | под заказ | 820 руб. | |
| 5-53 | 3RS-76079-0 | Воротник (Collar) | 2 | под заказ | 400 руб. | |
| 5-54 | 3C8-66308-0 | Шайба 6-16-1.5 (Washer 6-16-1.5) | 2 | под заказ | 170 руб. | |
| 5-55 | 910103-0625 | Болт (Bolt) | 2 | 2 шт | 170 руб. | |
| 5-56 | 3RS-02168-0 | Защита топливного шланга (Fuel Hose W/protector) VST-Fuel Rail / VST-Топливная магистраль | 1 | под заказ | 3120 руб. | |
| 5-57 | 3AC-10087-0 | Струбцина ?16.8 (Clamp ?16.8) | 2 | под заказ | 510 руб. | |
| 5-58 | 3RS-10185-0 | Защита шланга вентиляции (Vent Hose W/protector) VST-Catch Tank / VST-Catch Tank | 1 | под заказ | 1040 руб. | |
| 5-59 | 3RT-10185-0 | Защита шланга вентиляции (Vent Hose W/protector) Catch Tank-Vent / Catch Tank-Vent | 1 | под заказ | 1180 руб. | |
| 5-60 | 3RU-10185-0 | Защита шланга вентиляции (Vent Hose W/protector) Catch Tank-Exposure / Catch Tank-Exposure | 1 | под заказ | 1060 руб. | |
| 5-61 | 3H8-04000-1 | Топливный насос в сборе (Fuel Pump Assy) | 1 | 1 шт | 11900 руб. | |
| 5-62 | 3H8-62415-0 | Уплотнительное кольцо 3.5-25.7 (O-ring 3.5-25.7) | 1 | под заказ | 140 руб. | |
| 5-63 | 910103-5625 | Болт (Bolt) | 2 | под заказ | 210 руб. | |
| 5-64 | 3RS-04080-0 | Защита топливного шланга (Fuel Hose W/protector) Fuel Pump-VST / Топливный насос-VST | 1 | под заказ | 1280 руб. | |
| 5-64 | 3RS-04077-0 | Защита топливного шланга (Fuel Hose W/protector) Fuel Pump-VST US Model / Топливный насос-VST US Model | 1 | под заказ | 2250 руб. | |
| 5-65 | 3RT-04080-0 | Защита топливного шланга (Fuel Hose W/protector) Fuel Filter-Fuel Pump / Топливный фильтр-Топливный насос | 1 | под заказ | 1460 руб. | |
| 5-65 | 3RS-02166-0 | Защита топливного шланга (Fuel Hose W/protector) Fuel Filter-Fuel Pump US Model / Топливный фильтр-Топливный насос US Model | 1 | под заказ | 2630 руб. | |
| 5-66 | 3GT-35143-0 | Зажим 9.4 (Clip ?9.4) Fuel Pump-VST / Топливный насос-VST | 2 | под заказ | 210 руб. | |
| 5-67 | 3GT-35143-0 | Зажим 9.4 (Clip ?9.4) Fuel Filter-Fuel Pum / Топливный фильтр-Fuel Pum | 2 | под заказ | 210 руб. | |
| 5-69 | 3RS-02232-0 | Держатель топливного фильтра (Fuel Filter Holder) | 1 | под заказ | 740 руб. | |
| 5-70 | 3RS-02239-0 | Пластина (Plate) | 1 | под заказ | 1320 руб. | |
| 5-71 | 910103-5612 | Болт (Bolt) | 1 | под заказ | 170 руб. | |
| 5-73 | 3T1-06915-0 | Струбцина ?10 (Clamp ?10) | 3 | под заказ | 360 руб. | |
| 5-75 | 3RT-65212-0 | Водяная трубка (Water Hose) Drive Shaft Housing-Fuel Cooler / Корпус вала передачи-Fuel Cooler | 1 | под заказ | 440 руб. | |
| 5-76 | 3RS-65210-0 | Трубка охлаждения (Cooling Hose) Idle Port Cover-Nipple / Idle Port Крышка-Ниппель | 1 | под заказ | 650 руб. | |
| 5-77 | 3RT-65210-0 | Трубка охлаждения (Cooling Hose) Idle Port Cover-Fuel Cooler / Idle Port Крышка-Fuel Cooler | 1 | под заказ | 690 руб. | |
| 5-78 | 3RS-07734-0 | Сапун зажиты шланга (Breather Hose W/protector) Head Cover-Intake Silencer / Head Крышка-Впуск глушителя | 1 | под заказ | 1080 руб. | |
| 5-79 | 3C7-02215-0 | Зажим 12 (Clip ?12) Head Side / Head Side | 1 | под заказ | 170 руб. | |
| 5-80 | 3RS-01138-0 | Ниппель (Nipple) Drive Shaft Housing / Корпус вала передачи | 2 | под заказ | 1300 руб. | |
| 5-81 | 9101E3-5612 | Болт (Bolt) | 1 | под заказ | 210 руб. | |
| 5-82 | 3RU-04080-0 | Защита топливного шланга (Fuel Hose W/protector) Fuel Connector - Fuel Filter / Топливный коннектор - Топливный фильтр | 1 | под заказ | 2380 руб. | |
| 5-82 | 3JK-02160-0 | Защита топливного шланга 455-25 (Fuel Hose W/protector 455-25) Fuel Connector - Fuel Filter for US Model / Топливный коннектор - Топливный фильтр для US Model | 1 | под заказ | 4870 руб. | |
| 5-83 | 3GT-35143-0 | Зажим 9.4 (Clip ?9.4) | 2 | под заказ | 210 руб. | |
| 5-84 | 369-84398-1 | Ремешок 202 (Band 202) | 1 | под заказ | 270 руб. | |
| 5-85 | 3RS-02230-0 | Топливный фильтр в сборе (Fuel Filter Assy) | 1 | под заказ | 4100 руб. | |
| 5-86 | 3RS-02237-0 | * Cвыше (* Cup) | 1 | под заказ | нет сведений | |
| 5-87 | 3B7-02234-0 | * Фильтр (* Filter) | 1 | 1 шт | 790 руб. | |
| 5-87 | SC-OT228 | (не оригинальный аналог) Фильтрующий элемент топливного фильтра Yamaha SC-OT228 | 1 | под заказ | 640 руб. | |
| 5-88 | 3B7-02236-0 | * Уплотнительное кольцо (* O-ring) | 1 | 3 шт | 250 руб. | |
| 5-89 | 3RS-02235-0 | * Уплотнительное кольцо (* O-ring) | 1 | под заказ | нет сведений | |
| 5-90 | 3RS-02253-0 | * Дренажный клапан (* Drain Valve) | 1 | под заказ | нет сведений | |
| 5-91 | 3RS-02258-0 | * Сальник (* Seal) | 1 | под заказ | нет сведений | |
| 5-92 | 3RS-02229-0 | * Поплавок (* Float) | 1 | под заказ | нет сведений | |
Время выполнения запроса 5.307156085968 сек.
склад запчастей для водомоторной техники