вконтакте

Контактный телефон: +7 (981) 121-46-93, +7 (800) 200-90-76 , Email: parts-katalog@yandex.ru, где купить

 
 

  Логин:

Пароль:

Регистрация

www.partskatalog.ru Все каталоги Запчасти Mercury Запчасти Suzuki Запчасти Tohatsu Запчасти Honda Контакты



УВАЖАЕМЫЕ КЛИЕНТЫ!
C 31 ОКТЯБРЯ 2025 ПО 10 НОЯБРЯ 2025 ГОДА РАБОТАТЬ НЕ БУДЕМ




запчасти

Вернуться к началу выбора


Тип двигателя: 2x - тактный

Модель двигателя: Tohatsu M40C

Модификация Вашего двигателя:   Tohatsu M40C (00221030-4)
Версия каталога запчастей: 2002 год



Поиск запчастей по коду или названию


   Выберите раздел

найти расходники на лодочные моторы Tohatsu

Cylinder-crankcase ass'y <br /> Цилиндр-Картер двигателя ass'y

Cylinder-crankcase ass'y
Цилиндр-Картер двигателя ass'y

Cylinder crank case assembly <br /> Картер блока цилиндра assembly

Cylinder crank case assembly
Картер блока цилиндра assembly

Piston & crank shaft <br /> Поршень & Коленвал

Piston & crank shaft
Поршень & Коленвал

Inlet-reed valve <br /> вход-Язычковый клапан

Inlet-reed valve
вход-Язычковый клапан

Inlet reed valve <br /> вход Язычковый клапан

Inlet reed valve
вход Язычковый клапан

Carburetor <br /> Карбюратор

Carburetor
Карбюратор

Fuel pump <br /> Топливный насос

Fuel pump
Топливный насос

Throttle mechanism <br /> Дроссель mechanism

Throttle mechanism
Дроссель mechanism

Bar handle <br /> Bar handle

Bar handle
Bar handle

Magento <br /> Magento

Magento
Magento

Magneto <br /> Магнето

Magneto
Магнето

Electric starter <br /> Электростартер

Electric starter
Электростартер

Electric starter (ep type) <br /> Электростартер (ep type)

Electric starter (ep type)
Электростартер (ep type)

Recoil starter <br /> Барабанный стартер

Recoil starter
Барабанный стартер

Drive shaft housing, gear case <br /> Корпус вала передачи / редуктор

Drive shaft housing, gear case
Корпус вала передачи / редуктор

Transmission, water pump <br /> Трансмиссия, Водяной насос

Transmission, water pump
Трансмиссия, Водяной насос

Starter lock <br /> Блокировка стартера

Starter lock
Блокировка стартера

Drive shaft housing <br /> Корпус вала передачи

Drive shaft housing
Корпус вала передачи

Gear shift <br /> Шестерня Переключатель

Gear shift
Шестерня Переключатель

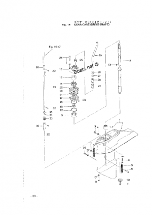
Gear case (drive shaft) <br /> Картер коробки передач (Корпус вала передачи)

Gear case (drive shaft)
Картер коробки передач (Корпус вала передачи)

Bracket & reverse lock <br /> Кронштейн & Блокировка задней передачи

Bracket & reverse lock
Кронштейн & Блокировка задней передачи

Gear case (propeller shaft) <br /> Картер коробки передач (Вал гребного винта)

Gear case (propeller shaft)
Картер коробки передач (Вал гребного винта)

Fuel tank (remote) <br /> Топливный бак (remote)

Fuel tank (remote)
Топливный бак (remote)

Shift (epto-ept) <br /> Переключатель (epto-ept)

Shift (epto-ept)
Переключатель (epto-ept)

Bracket <br /> Кронштейн

Bracket
Кронштейн

Remote control <br /> Дистанционное управление

Remote control
Дистанционное управление

Remote control (rc4c, 5d) <br /> Дистанционное управление (rc4c, 5d)

Remote control (rc4c, 5d)
Дистанционное управление (rc4c, 5d)

Reverse lock <br /> Блокировка задней передачи

Reverse lock
Блокировка задней передачи

Remote control box <br /> Дистанционное управление в сборе

Remote control box
Дистанционное управление в сборе

Motor cover <br /> Motor Крышка

Motor cover
Motor Крышка

Electric starter (p & f types) <br /> Электростартер (p & f types)

Electric starter (p & f types)
Электростартер (p & f types)

Accessories 2 <br /> Аксессуары 2

Accessories 2
Аксессуары 2

Accessories 1 <br /> Аксессуары 1

Accessories 1
Аксессуары 1

Meter <br /> Прибор

Meter
Прибор

Accessories <br /> Аксессуары

Accessories
Аксессуары

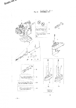
Assembly kit <br /> Assembly kit

Assembly kit
Assembly kit

Assembly, kit (ep type) <br /> Assembly, kit (ep type)

Assembly, kit (ep type)
Assembly, kit (ep type)

Assembly, kit (ef type) <br /> Assembly, kit (ef type)

Assembly, kit (ef type)
Assembly, kit (ef type)

 
tohatsu

 
 

данный сайт носит информационный характер и не является публичной офертой

склад запчастей для водомоторной техники