вконтакте

Контактный телефон: +7 (981) 121-46-93, +7 (800) 200-90-76 , Email: parts-katalog@yandex.ru, где купить

 
 

  Логин:

Пароль:

Регистрация

www.partskatalog.ru Все каталоги Запчасти Mercury Запчасти Suzuki Запчасти Tohatsu Запчасти Honda Контакты



УВАЖАЕМЫЕ КЛИЕНТЫ!
C 19 ДЕКАБРЯ 2025 ПО 02 МАРТА 2026 ГОДА ОТДЕЛ ЗАПЧАСТЕЙ И СЕРВИС РАБОТАТЬ НЕ БУДУТ
ПРОДАЖА ЛОДОЧНЫХ МОТОРОВ В ШТАТНОМ РЕЖИМЕ
ОБ ИЗМЕНЕНИЯХ В ГРАФИКЕ РАБОТЫ ЧИТАЙТЕ НА САЙТА




Вернуться к началу выбора


Год выпуска: 2011 год

Семейство снегохода: Adventure

Модификация снегохода: Lynx Adventure LX 600 ACE, 2011

   Выберите раздел

найти расходники на снегоходы ski-doo


01- Двигатель (01- Engine)

01- Двигатель (01- Engine)

01- Выхлопная система (01- Exhaust System)

01- Выхлопная система (01- Exhaust System)

01- Коленвал и Поршни (01- Crankshaft And Pistons)

01- Коленвал и Поршни (01- Crankshaft And Pistons)

01- Головка блока цилиндра (01- Cylinder Head)

01- Головка блока цилиндра (01- Cylinder Head)

01- Двигатель Block (01- Engine Block)

01- Двигатель Block (01- Engine Block)

01- Охлаждение двигателя (01- Engine Cooling)

01- Охлаждение двигателя (01- Engine Cooling)

01- Смазка двигателя Adventure (01- Engine Lubrication Adventure)

01- Смазка двигателя Adventure (01- Engine Lubrication Adventure)

01- Клапан Крышка (01- Valve Cover)

01- Клапан Крышка (01- Valve Cover)

01- Клапан Train (01- Valve Train)

01- Клапан Train (01- Valve Train)

02- Впускная система и дроссель газа (02- Air Intake Manifold And Throttle Body)

02- Впускная система и дроссель газа (02- Air Intake Manifold And Throttle Body)

02- Air Система впуска System (02- Air Intake System)

02- Air Система впуска System (02- Air Intake System)

03- Магнето и Электростартер Adventure (03- Magneto And Electric Starter Adventure)

03- Магнето и Электростартер Adventure (03- Magneto And Electric Starter Adventure)

05- Drive System (Европа) (05- Drive System (europe))

05- Drive System (Европа) (05- Drive System (europe))

05- Шкив System (Европа) (05- Pulley System (europe))

05- Шкив System (Европа) (05- Pulley System (europe))

06- Гидравлический тормоз (Европа) (06- Hydraulic Brakes (europe))

06- Гидравлический тормоз (Европа) (06- Hydraulic Brakes (europe))

07- Передняя подвеска и лыжи (Европа) (07- Front Suspension And Ski (europe))

07- Передняя подвеска и лыжи (Европа) (07- Front Suspension And Ski (europe))

07- Рулевая система (07- Steering)

07- Рулевая система (07- Steering)

08- Front Рычаг (08- Front Arm)

08- Front Рычаг (08- Front Arm)

08- Rear Рычаг (08- Rear Arm)

08- Rear Рычаг (08- Rear Arm)

08- Задняя подвеска Shocks (08- Rear Suspension Shocks)

08- Задняя подвеска Shocks (08- Rear Suspension Shocks)

08- Задняя подвеска (08- Rear Suspension)

08- Задняя подвеска (08- Rear Suspension)

09- Нижний поддон (09- Bottom Pan)

09- Нижний поддон (09- Bottom Pan)

09- Наклейки (09- Decals)

09- Наклейки (09- Decals)

09- Рама и Components (09- Frame And Components)

09- Рама и Components (09- Frame And Components)

09- Рама (09- Frame)

09- Рама (09- Frame)

09- Hood (09- Hood)

09- Hood (09- Hood)

09- Седло (09- Seat)

09- Седло (09- Seat)

09- Utilities (09- Utilities)

09- Utilities (09- Utilities)

09- Ветровое стекло и Console (09- Windshield And Console)

09- Ветровое стекло и Console (09- Windshield And Console)

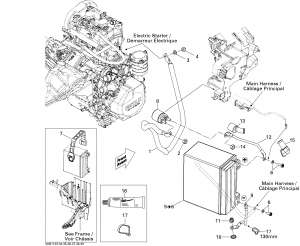
10- Battery и Стартер (10- Battery And Starter)

10- Battery и Стартер (10- Battery And Starter)

10- Электрика Аксессуары, Рулевая система (10- Electrical Accessories, Steering)

10- Электрика Аксессуары, Рулевая система (10- Electrical Accessories, Steering)

10- Электрика - жгут проводов (10- Electrical Harness)

10- Электрика - жгут проводов (10- Electrical Harness)

10- Электрика System (10- Electrical System)

10- Электрика System (10- Electrical System)

10- Рулевая система WiКольцо Жгут проводов (10- Steering Wiring Harness)

10- Рулевая система WiКольцо Жгут проводов (10- Steering Wiring Harness)

10- Двигатель Жгут проводов и Electronic Module (10- Engine Harness And Electronic Module)

10- Двигатель Жгут проводов и Electronic Module (10- Engine Harness And Electronic Module)

 
lynx

 
 

данный сайт носит информационный характер и не является публичной офертой

склад запчастей для водомоторной техники