вконтакте

Контактный телефон: +7 (981) 121-46-93, +7 (800) 200-90-76 , Email: parts-katalog@yandex.ru, где купить

 
 

  Логин:

Пароль:

Регистрация

www.partskatalog.ru Все каталоги Запчасти Mercury Запчасти Suzuki Запчасти Tohatsu Запчасти Honda Контакты



УВАЖАЕМЫЕ КЛИЕНТЫ!
C 19 ДЕКАБРЯ 2025 ПО 02 МАРТА 2026 ГОДА ОТДЕЛ ЗАПЧАСТЕЙ И СЕРВИС РАБОТАТЬ НЕ БУДУТ
ПРОДАЖА ЛОДОЧНЫХ МОТОРОВ В ШТАТНОМ РЕЖИМЕ
ОБ ИЗМЕНЕНИЯХ В ГРАФИКЕ РАБОТЫ ЧИТАЙТЕ НА САЙТА




Выбрать другую модель

Раздел:   вперёд

вернуться к списку узлов и деталей

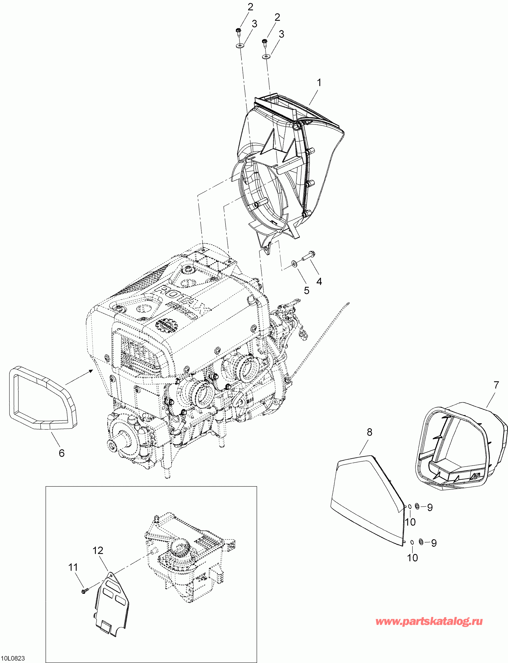
ДЕТАЛИРОВКА ДЛЯ МОДЕЛИ: LYNX Adventure LX 550, 2008


Снегоход Lynx  - Охлаждение

Номер на
рисунке
АртикулНаименованиеКол-во
на складе
Цена
1 605153722

Duct вход в сборе. Includes 1 to 9 (Duct inlet assy. Includes 1 to 9)

под заказ6170 руб.
2 250000222

Винт (Screw)

под заказ290 руб.
3 391301600

Шайба (Washer)

под заказ130 руб.
4 210262580

Винт M6 x 25 (Screw M6 x 25)

под заказ290 руб.
5 224061121

Шайба (Washer)

под заказ140 руб.
5 702000112

(последний код) RONDELLE *WASHER

под заказ110 руб.
6 508000450

Foam (Foam)

под заказ150 руб.
7 605352786

Inner duct выход (Inner duct outlet)

под заказ940 руб.
8 605352787

Outer duct выход (Outer duct outlet)

под заказ800 руб.
9 36084

Push Гайка (Push nut)

под заказ40 руб.
10 48231

Уплотнительное кольцо (O-ring)

под заказ160 руб.
11 241151640

Винт K50 x 16 (Screw K50 x 16)

под заказ290 руб.
12 509000257

Deflector (Deflector)

под заказ700 руб.
12 509000163

(последний код) DEFLECTOR

под заказ550 руб.
lynx

 
 

данный сайт носит информационный характер и не является публичной офертой

склад запчастей для водомоторной техники