вконтакте

Контактный телефон: +7 (981) 121-46-93, +7 (800) 200-90-76 , Email: parts-katalog@yandex.ru, где купить

 
 

  Логин:

Пароль:

Регистрация

www.partskatalog.ru Все каталоги Запчасти Mercury Запчасти Suzuki Запчасти Tohatsu Запчасти Honda Контакты



УВАЖАЕМЫЕ КЛИЕНТЫ!
C 19 ДЕКАБРЯ 2025 ПО 02 МАРТА 2026 ГОДА ОТДЕЛ ЗАПЧАСТЕЙ И СЕРВИС РАБОТАТЬ НЕ БУДУТ
ПРОДАЖА ЛОДОЧНЫХ МОТОРОВ В ШТАТНОМ РЕЖИМЕ
ОБ ИЗМЕНЕНИЯХ В ГРАФИКЕ РАБОТЫ ЧИТАЙТЕ НА САЙТА




Выбрать другую модель

Раздел:   вперёд

вернуться к списку узлов и деталей

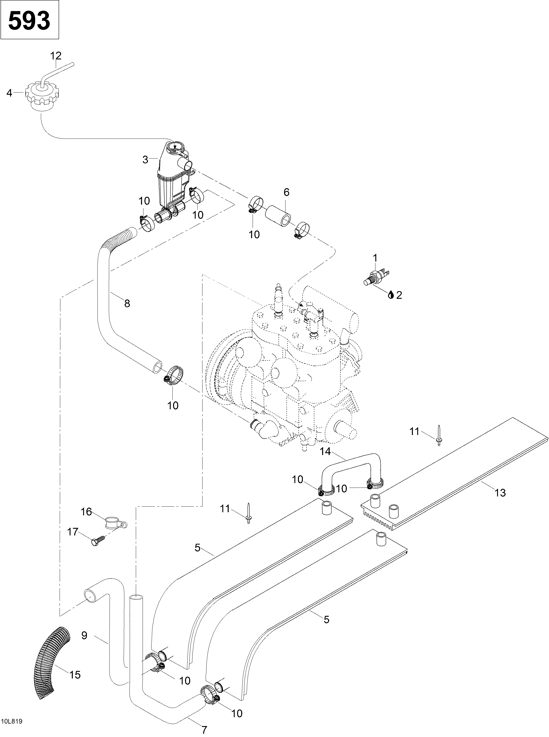
ДЕТАЛИРОВКА ДЛЯ МОДЕЛИ: LYNX YETI 600, 2008


Snowmobile lynx  - Охлаждение System / Cooling System

Номер на
рисунке
АртикулНаименованиеКол-во
на складе
Цена
1 515176043

Датчик temp (Sensor temp)

под заказпо запросу
1 515175748

(последний код) CAPTEUR TEMP. *SENSOR-TEMP.

под заказпо запросу
2 320100

Loctite 572, 50ml (Loctite 572, 50ml)

под заказпо запросу
3 509000134

Coolant tank (Coolant tank)

под заказ6280 руб.
3 509000133

(последний код) RES.ANTIGEL *TANK-COOLANT

под заказ3950 руб.
4 509000187

Колпачок (Cap)

под заказ2150 руб.
4 414684700

(последний код) BOUCHON RADIAT.*CAP-PRESSURE

под заказ1680 руб.
4 SM-10005

     (не оригинальная запчасть) Крышка расширительного бачка BRP/Polaris SM-10005

под заказ890 руб.
5 605151690

R.H. radiator (R.H. radiator)

под заказ48200 руб.
5 605151689

L.H. radiator (L.H. radiator)

под заказ48200 руб.
6 605354602

Шланг (Hose)

под заказ1110 руб.
7 605353565

Шланг (Hose)

под заказ2200 руб.
7

(последний код)

под заказпо запросу
8 605355768

Шланг (Hose)

под заказ4810 руб.
9 605353567

Шланг (Hose)

под заказ1970 руб.
10 408800400

Струбцина (Clamp)

под заказ1150 руб.
10 740002006

(последний код) COLLIER SERRAGE*CLAMP-GEAR

под заказ900 руб.
11 36108

Заклёпка (Rivet)

под заказ40 руб.
11

(последний код)

под заказпо запросу
12 39038

Overflow Шланг (Overflow hose)

под заказ580 руб.
13 605351687

Radiator (Radiator)

под заказ50100 руб.
14 605253904

Шланг (Hose)

под заказ1370 руб.
15 28036

Трубка, 1000 mm (Tube, 1000 mm)

под заказ1220 руб.
16 27011

Зажим (Clip)

под заказ1040 руб.
17 40327

Винт M6 x 12 (Screw M6 x 12)

под заказ60 руб.
17 40329

(последний код) HEX SCREW M6 X12 DIN 7500DZNE

под заказ40 руб.
lynx

 
 

данный сайт носит информационный характер и не является публичной офертой

склад запчастей для водомоторной техники