вконтакте

Контактный телефон: +7 (981) 121-46-93, +7 (800) 200-90-76 , Email: parts-katalog@yandex.ru, где купить

 
 

  Логин:

Пароль:

Регистрация

www.partskatalog.ru Все каталоги Запчасти Mercury Запчасти Suzuki Запчасти Tohatsu Запчасти Honda Контакты



УВАЖАЕМЫЕ КЛИЕНТЫ!
C 19 ДЕКАБРЯ 2025 ПО 02 МАРТА 2026 ГОДА ОТДЕЛ ЗАПЧАСТЕЙ И СЕРВИС РАБОТАТЬ НЕ БУДУТ
ПРОДАЖА ЛОДОЧНЫХ МОТОРОВ В ШТАТНОМ РЕЖИМЕ
ОБ ИЗМЕНЕНИЯХ В ГРАФИКЕ РАБОТЫ ЧИТАЙТЕ НА САЙТА




Выбрать другую модель

назад Раздел:   вперёд

вернуться к списку узлов и деталей

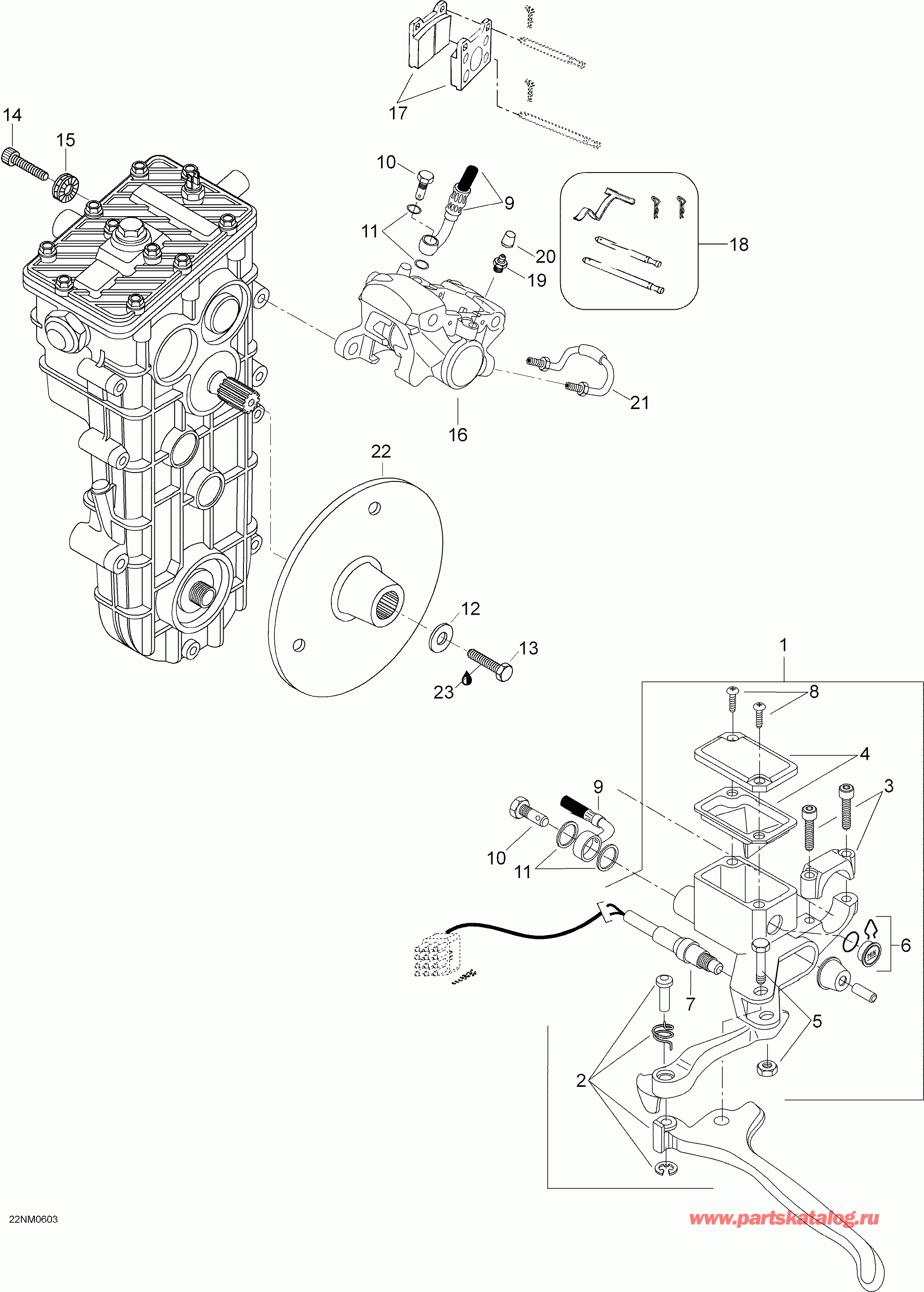
ДЕТАЛИРОВКА ДЛЯ МОДЕЛИ: LYNX GLX 6900, 2006


Snow mobile Lynx  - тормоз - Brake

Номер на
рисунке
АртикулНаименованиеКол-во
на складе
Цена
1605352693

Master Цилиндр. Imcludes 1 to 8 (Master cylinder. Imcludes 1 to 8)

под заказ13560 руб.
2507032423

Short тормоз Рычаг (Short brake lever)

под заказ4440 руб.
2415129216

(последний код) LEVIER *LEVER

под заказ4780 руб.
3415029800

Струбцина в сборе (Clamp assy)

под заказ1570 руб.
3507032477

(последний код) BRIDE *CLAMP

под заказ2010 руб.
4415029900

Крышка (Cover)

под заказ3000 руб.
5415030000

Штифт в сборе (Pin assy)

под заказ1290 руб.
5507032280

(последний код) AXE *PIN

под заказ970 руб.
6414990600

Window (Window)

под заказ1120 руб.
7507032366

MicroПереключатель в сборе (Microswitch assy)

под заказ5210 руб.
7507032334

(последний код) MICRO CONTACT *MICROSWITCH

под заказ3700 руб.
701-280-01

     (не оригинальная запчасть) Выключатель стоп-сигнала BRP 01-280-01

под заказ1 060 руб.
8216141260

Винт (Screw)

под заказ290 руб.
8415078900

(последний код) VIS *SCREW

под заказ230 руб.
9507032219

тормоз line (Brake line)

под заказ4290 руб.
10414920500

Болт (Bolt)

под заказ740 руб.
11414920600

Шайба (Washer)

под заказ290 руб.
12546336

Шайба (Washer)

под заказ760 руб.
12

(последний код)

под заказпо запросу
1340336

Шестигранный винт M8 x 20 (Hex. screw M8 x 20)

под заказ310 руб.
13

(последний код)

под заказпо запросу
1440277

Socket head Винт M10 x 65 (Socket head screw M10 x 65)

под заказ230 руб.
1520068

Шайба с блокировкой (Lock washer)

под заказ840 руб.
15

(последний код)

под заказпо запросу
16507032412

Jarrukaliberi Brembo 20.3500.12. Includes 16 to 21 (Jarrukaliberi Brembo 20.3500.12. Includes 16 to 21)

под заказ22900 руб.
16507032349

(последний код) CALIPER

под заказ21000 руб.
17415084600

тормоз lining kit (Brake lining kit)

под заказ4640 руб.
17414990000

(последний код) ENS.GARNITURES *KIT-PADS BRAKE

под заказ3780 руб.
17SM-05059

     (не оригинальная запчасть) Тормозные колодки BRP SM-05059

под заказ2 440 руб.
17SM-05059F

     (не оригинальная запчасть) Тормозные колодки BRP SM-05059F

под заказ3 850 руб.
18414990700

Kit (Штифтs, Фиксаторs, Пружина) (Kit (pins, retainers, spring))

под заказ2920 руб.
19414989800

Винт-bleeder (Screw-bleeder)

под заказ1610 руб.
20414989700

Boot (Boot)

под заказ2340 руб.
21414989900

Трубка (Tube)

под заказ2380 руб.
22605350507

тормоз disk в сборе (Brake disk assy)

под заказ11460 руб.
22605353250

(последний код) BRAKE DISC

под заказ12490 руб.
23293800060

Loctite 243, 10ml (Loctite 243, 10ml)

под заказ2150 руб.
23420897651

(последний код) LOCTITE-243

под заказпо запросу
lynx

 
 

данный сайт носит информационный характер и не является публичной офертой

склад запчастей для водомоторной техники