вконтакте

Контактный телефон: +7 (981) 121-46-93, +7 (800) 200-90-76 , Email: parts-katalog@yandex.ru, где купить

 
 

  Логин:

Пароль:

Регистрация

www.partskatalog.ru Все каталоги Запчасти Mercury Запчасти Suzuki Запчасти Tohatsu Запчасти Honda Контакты



УВАЖАЕМЫЕ КЛИЕНТЫ!
C 19 ДЕКАБРЯ 2025 ПО 02 МАРТА 2026 ГОДА ОТДЕЛ ЗАПЧАСТЕЙ И СЕРВИС РАБОТАТЬ НЕ БУДУТ
ПРОДАЖА ЛОДОЧНЫХ МОТОРОВ В ШТАТНОМ РЕЖИМЕ
ОБ ИЗМЕНЕНИЯХ В ГРАФИКЕ РАБОТЫ ЧИТАЙТЕ НА САЙТА




Выбрать другую модель

назад Раздел:   вперёд

вернуться к списку узлов и деталей

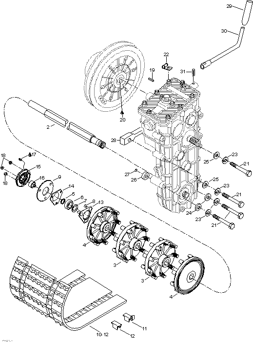
ДЕТАЛИРОВКА ДЛЯ МОДЕЛИ: LYNX 59 YETI, 2005


Снегоходы lynx  - Drive System

Номер на
рисунке
АртикулНаименованиеКол-во
на складе
Цена
1605250539

Drive axle в сборе. Includes 1 to 4 (Drive axle assy. Includes 1 to 4)

под заказ23800 руб.
2605249455

Drive axle (Drive axle)

под заказ15940 руб.
3414931800

Цепное колесо ЗВЕЗДОЧКА 8-teeth (Sprocket 8-teeth)

под заказ5140 руб.
4415067400

Цепное колесо ЗВЕЗДОЧКА 8-teeth (Sprocket 8-teeth)

под заказ3850 руб.
5371910200

Стопорное кольцо (Circlip)

под заказ160 руб.
6504152009

Шариковый подшипник (Ball bearing)

под заказ2570 руб.
6293350060

(последний код) ROULEMENT BILLE*BALL BEARING

под заказ3000 руб.
6SM-03163

     (не оригинальная запчасть) Комплект подшипников КПП BRP SM-03163

под заказ2 330 руб.
7501017400

Шариковый подшипник Защита (Ball bearing protector)

под заказ670 руб.
8414484400

Уплотнительное кольцо (O-ring)

под заказ530 руб.
8414274400

(последний код) JOINT TORIQUE *RING-O

под заказ230 руб.
95446641

Пластина (Plate)

под заказ200 руб.
1013070

Track (31.8) Includes 10 to 12 (Track (31.8). Includes 10 to 12)

под заказ91700 руб.
10

(последний код)

под заказпо запросу
115318323

Cleat Направляющая (Cleat guide)

под заказ520 руб.
11M5318323

(последний код) AGRAFE DE GUIDE*CLEAT-GUIDE

под заказ660 руб.
125318322

Slide Направляющая (Slide guide)

под заказпо запросу
13504151860

Подшипник Корпус (Bearing housing)

под заказ910 руб.
13501026800

(последний код) LOGEMENT ROUL. *HOUSING-BEAR.W

под заказ830 руб.
14501025000

Фланец (Flange)

под заказ390 руб.
15504152173

Фланец (Flange)

под заказ5350 руб.
16504152040

Magnetic Адаптер (Magnetic adaptor)

под заказ3500 руб.
17293550033

Synthetic Смазка, 400g (Synthetic grease, 400g)

под заказ10050 руб.
17498028100

(последний код) GRAISSE TUBE *GREASE-TUBE

под заказпо запросу
1833201

Elastic Фланецd Гайка M8 (Elastic flanged nut M8)

под заказ230 руб.
18233281414

(последний код) NUT-FLANGE ELASTIC DIN.6926

под заказ290 руб.
19418763

Ключ (Key)

под заказ170 руб.
19

(последний код)

под заказпо запросу
20293800070

Loctite 767, 8oz (Loctite 767, 8oz)

под заказ2440 руб.
20711297430

(последний код) COPA SLIP *COPA-SLIP

под заказ1910 руб.
2140299

Шестигранный винт M8 x 100 (Hex. screw M8 x 100)

под заказ100 руб.
225443134

Струбцина (Clamp)

под заказпо запросу
2320014

Шайба с блокировкой A8 (Lock washer A8)

под заказ20 руб.
2420077

Шайба A8.4 (Washer A8.4)

под заказ110 руб.
2520104

Шайба, hardened M8 (Washer, hardened M8)

под заказпо запросу
25

(последний код)

под заказпо запросу
26605450155

Гильза (Sleeve)

под заказ430 руб.
27506151140

Уплотнительное кольцо (O-ring)

под заказ220 руб.
28605351366

Connecting bar (Connecting bar)

под заказ750 руб.
2928247

Button (Button)

под заказ2210 руб.
29

(последний код)

под заказпо запросу
30605350153

Переключатель handle (Shift handle)

под заказ3700 руб.
3141007

Пружина Ключ (Spring key)

под заказ80 руб.
31

(последний код)

под заказпо запросу
lynx

 
 

данный сайт носит информационный характер и не является публичной офертой

склад запчастей для водомоторной техники