вконтакте

Контактный телефон: +7 (981) 121-46-93, +7 (800) 200-90-76 , Email: parts-katalog@yandex.ru, где купить

 
 

  Логин:

Пароль:

Регистрация

www.partskatalog.ru Все каталоги Запчасти Mercury Запчасти Suzuki Запчасти Tohatsu Запчасти Honda Контакты



УВАЖАЕМЫЕ КЛИЕНТЫ!
C 19 ДЕКАБРЯ 2025 ПО 02 МАРТА 2026 ГОДА ОТДЕЛ ЗАПЧАСТЕЙ И СЕРВИС РАБОТАТЬ НЕ БУДУТ
ПРОДАЖА ЛОДОЧНЫХ МОТОРОВ В ШТАТНОМ РЕЖИМЕ
ОБ ИЗМЕНЕНИЯХ В ГРАФИКЕ РАБОТЫ ЧИТАЙТЕ НА САЙТА




Выбрать другую модель

назад Раздел:   вперёд

вернуться к списку узлов и деталей

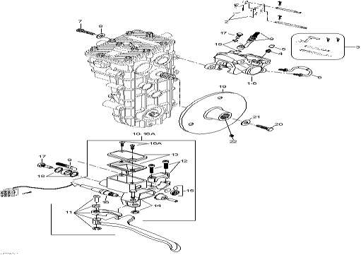
ДЕТАЛИРОВКА ДЛЯ МОДЕЛИ: LYNX 59 YETI, 2005


Снегоходы Lynx  - Hydraulic Brake

Номер на
рисунке
АртикулНаименованиеКол-во
на складе
Цена
1507032409

Caliper. Includes 1 to 6 (Caliper. Includes 1 to 6)

под заказ44600 руб.
1507032351

(последний код) CALIPER

под заказ41000 руб.
1507032412

Caliper. Includes 1 to 6 (Caliper. Includes 1 to 6)

под заказ22900 руб.
1507032349

(последний код) CALIPER

под заказ21000 руб.
2415084600

тормоз lining kit (Brake lining kit)

под заказ4640 руб.
2414990000

(последний код) ENS.GARNITURES *KIT-PADS BRAKE

под заказ3780 руб.
2SM-05059

     (не оригинальная запчасть) Тормозные колодки BRP SM-05059

под заказ2 440 руб.
2SM-05059F

     (не оригинальная запчасть) Тормозные колодки BRP SM-05059F

под заказ3 850 руб.
3414990700

Kit (Штифтs, Фиксаторs, Пружина) (Kit (pins, retainers, spring))

под заказ2920 руб.
3415128865

Kit (Штифтs, Фиксаторs, Пружина) (Kit (pins, retainers, spring))

под заказ2920 руб.
4414989800

Bleeder Винт (Bleeder screw)

под заказ1610 руб.
5414989700

Boot (Boot)

под заказ2340 руб.
6414989900

Трубка (Tube)

под заказ2380 руб.
740277

Socket head Винт M10 x 65 (Socket head screw M10 x 65)

под заказ230 руб.
820068

Шайба с блокировкой D10 (Lock washer D10)

под заказ840 руб.
8

(последний код)

под заказпо запросу
9507032237

Шланг (Hose)

под заказ4290 руб.
10507032361

Master Цилиндр. Includes 10 to 16 (Master cylinder. Includes 10 to 16)

под заказ9280 руб.
10507032362

(последний код) MASTER-CYLIND.

под заказ10110 руб.
11507032268

Short тормоз Рычаг (Short brake lever)

под заказ6930 руб.
11SM-08064

     (не оригинальная запчасть) Ручка тормоза BRP SM-08064

под заказ2 590 руб.
12415029800

Струбцина в сборе (Clamp assy)

под заказ1570 руб.
12507032477

(последний код) BRIDE *CLAMP

под заказ2010 руб.
13415029900

Крышка (Cover)

под заказ3000 руб.
14415030000

Штифт в сборе (Pin assy)

под заказ1290 руб.
14507032280

(последний код) AXE *PIN

под заказ970 руб.
15414990600

Window (Window)

под заказ1120 руб.
16507032366

MicroПереключатель в сборе (Microswitch assy)

под заказ5210 руб.
16507032334

(последний код) MICRO CONTACT *MICROSWITCH

под заказ3700 руб.
1601-280-01

     (не оригинальная запчасть) Выключатель стоп-сигнала BRP 01-280-01

под заказ1 060 руб.
16A216141260

Винт (Screw)

под заказ290 руб.
16A415078900

(последний код) VIS *SCREW

под заказ230 руб.
17414920500

Banjo Болт (Banjo bolt)

под заказ740 руб.
18414920600

Шайба (Washer)

под заказ290 руб.
195344710

тормоз disk (Brake disk)

под заказ11460 руб.
19605353250

(последний код) BRAKE DISC

под заказ12490 руб.
195347071

тормоз disk (Brake disk)

под заказпо запросу
19605353861

(последний код) BRAKE DISK

под заказ11460 руб.
2040336

Шестигранный винт M8 x 20 (Hex. screw M8 x 20)

под заказ310 руб.
20

(последний код)

под заказпо запросу
21546336

Шайба (Washer)

под заказ760 руб.
21

(последний код)

под заказпо запросу
22293800070

Loctite 767, 8oz (Loctite 767, 8oz)

под заказ2440 руб.
22711297430

(последний код) COPA SLIP *COPA-SLIP

под заказ1910 руб.
lynx

 
 

данный сайт носит информационный характер и не является публичной офертой

склад запчастей для водомоторной техники