вконтакте

Контактный телефон: +7 (981) 121-46-93, +7 (800) 200-90-76 , Email: parts-katalog@yandex.ru, где купить

 
 

  Логин:

Пароль:

Регистрация

www.partskatalog.ru Все каталоги Запчасти Mercury Запчасти Suzuki Запчасти Tohatsu Запчасти Honda Контакты



УВАЖАЕМЫЕ КЛИЕНТЫ!
C 19 ДЕКАБРЯ 2025 ПО 02 МАРТА 2026 ГОДА ОТДЕЛ ЗАПЧАСТЕЙ И СЕРВИС РАБОТАТЬ НЕ БУДУТ
ПРОДАЖА ЛОДОЧНЫХ МОТОРОВ В ШТАТНОМ РЕЖИМЕ
ОБ ИЗМЕНЕНИЯХ В ГРАФИКЕ РАБОТЫ ЧИТАЙТЕ НА САЙТА




Выбрать другую модель

назад Раздел:   вперёд

вернуться к списку узлов и деталей

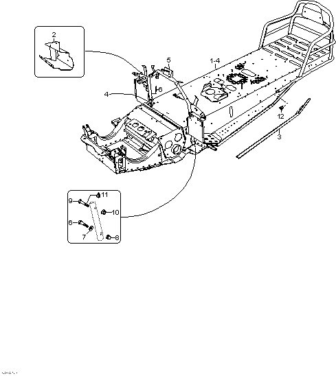
ДЕТАЛИРОВКА ДЛЯ МОДЕЛИ: LYNX 59 YETI, 2005


Snow mobile lynx  - Frame / Рама

Номер на
рисунке
АртикулНаименованиеКол-во
на складе
Цена
1605151978

Рама в сборе. Includes 1 to 5 (Frame assy. Includes 1 to 5)

под заказ276500 руб.
2605350839

R.H. Footrest (R.H. Footrest)

под заказ1670 руб.
2605350840

L.H. Footrest (L.H. Footrest)

под заказ1560 руб.
3605250773

L.H. Sвышеport (L.H. Support)

под заказ2660 руб.
3605250774

R.H. Sвышеport (R.H. Support)

под заказ2660 руб.
4605351505

Кронштейн (Bracket)

под заказ2070 руб.
5605150605

Рулевая опора (Steering support)

под заказ10460 руб.
640003

Шестигранный винт M6 x 35 (Hex. screw M6 x 35)

под заказ50 руб.
720003

Шайба A6, 4 (Washer A6,4)

под заказ20 руб.
7

(последний код)

под заказпо запросу
833051

Гайка M6 (Nut M6)

под заказ80 руб.
83399051

(последний код) NUT M6(USE 33051)

под заказ50 руб.
940002

Шестигранный винт M6 x 40 (Hex. screw M6 x 40)

под заказ60 руб.
1033200

Elastic Фланецd Гайка M6 (Elastic flanged nut M6)

под заказпо запросу
1033072

(последний код) NUT-FLANGE HEX. M6 DIN 6927 8.8 YIC

под заказпо запросу
11293800060

Loctite 243 10ml (Loctite 243 10ml)

под заказ2150 руб.
11420897651

(последний код) LOCTITE-243

под заказпо запросу
1228210

Заглушка (Plug)

под заказ240 руб.
lynx

 
 

данный сайт носит информационный характер и не является публичной офертой

склад запчастей для водомоторной техники