вконтакте

Контактный телефон: +7 (981) 121-46-93, +7 (800) 200-90-76 , Email: parts-katalog@yandex.ru, где купить

 
 

  Логин:

Пароль:

Регистрация

www.partskatalog.ru Все каталоги Запчасти Mercury Запчасти Suzuki Запчасти Tohatsu Запчасти Honda Контакты



УВАЖАЕМЫЕ КЛИЕНТЫ!
C 19 ДЕКАБРЯ 2025 ПО 02 МАРТА 2026 ГОДА ОТДЕЛ ЗАПЧАСТЕЙ И СЕРВИС РАБОТАТЬ НЕ БУДУТ
ПРОДАЖА ЛОДОЧНЫХ МОТОРОВ В ШТАТНОМ РЕЖИМЕ
ОБ ИЗМЕНЕНИЯХ В ГРАФИКЕ РАБОТЫ ЧИТАЙТЕ НА САЙТА




Выбрать другую модель

назад Раздел:   вперёд

вернуться к списку узлов и деталей

ДЕТАЛИРОВКА ДЛЯ МОДЕЛИ: LYNX Sport Touring 800, 2004


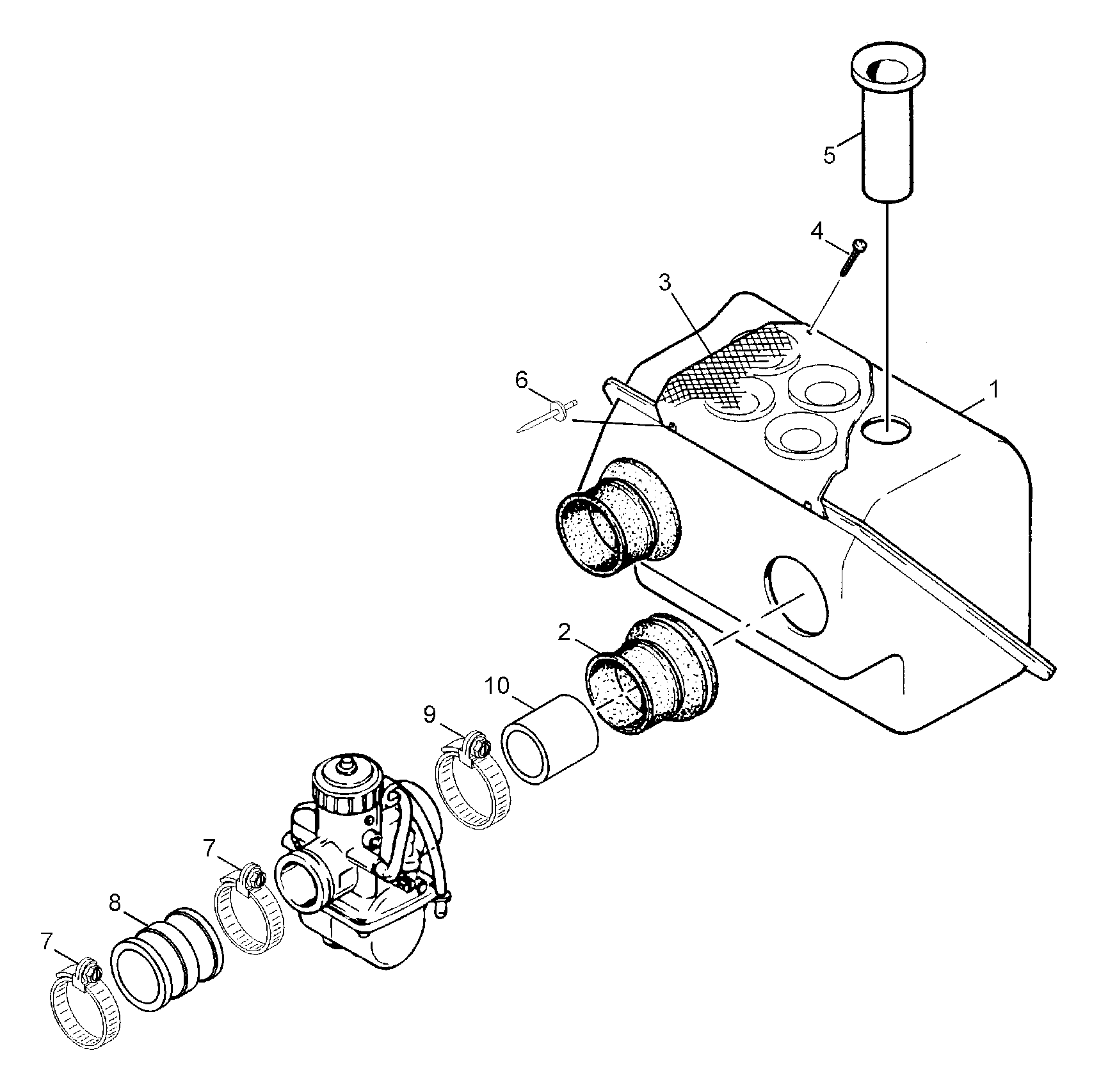
Snowmobiles lynx  - Топливный бак - Fuel Tank

Номер на
рисунке
АртикулНаименованиеКол-во
на складе
Цена
1605149201

Топливный бак (Fuel tank)

под заказ16770 руб.
240193

Винт M6 x 50 (Screw M6 x 50)

под заказ80 руб.
3572039600

Колпачок assembly (Cap assembly)

под заказ1950 руб.
307-288-01

     (не оригинальная запчасть) Крышка топливного/масляного бака BRP 07-288-01

под заказ660 руб.
419051

Fitting (Fitting)

под заказ550 руб.
4404127600

(последний код) RACCORD *NIPPLE

под заказ700 руб.
539035

AirШланг 5 / 3 (Airhose 5/3)

под заказ190 руб.
6513032923

Трубка Струбцина (Tube clamp)

под заказ220 руб.
7414818200

Пружина (Spring)

под заказ220 руб.
8572015900

Fuel gauge (Fuel gauge)

под заказ1130 руб.
828572015900

(последний код) FUEL GAUGE

под заказ1040 руб.
9549200

Fuel Наклейки (Fuel label)

под заказпо запросу
10570018000

Корпус gauge (Housing gauge)

под заказ730 руб.
11513033101

Топливный насос в сборе. Includes items 11 thru 16 (Fuel pump assy. Includes items 11 thru 16)

под заказ60400 руб.
11513033006

(последний код) MODULE-FUEL P.

под заказ55400 руб.
12861302300

Топливный шланг kit (Fuel hose kit)

под заказпо запросу
12861301700

(последний код) ENS. BOYAU ESS*KIT FUEL HOSE

под заказпо запросу
13861301800

Resistor card kit (Resistor card kit)

под заказпо запросу
14861301900

Поплавок Рычаг kit (Float lever kit)

под заказпо запросу
15861302000

Помпа kit (Pump kit)

под заказ16870 руб.
1519184

(последний код) PUMP KIT

под заказ15490 руб.
16861302100

Регулятор kit (Regulator kit)

под заказ13960 руб.
1619185

(последний код) REGULATOR KIT

под заказ6660 руб.
16SM-07281

     (не оригинальная запчасть) Регулятор давления топлива BRP SM-07281

под заказ4 930 руб.
16SM-07218

     (не оригинальная запчасть) Топливный насос BRP SM-07218

под заказ7 340 руб.
17513033040

Крышка (Cover)

под заказ2150 руб.
18605350660

Топливный фильтр в сборе (Fuel filter assy)

под заказ5800 руб.
18605354434

(последний код) Fuel line assy (SDI)

под заказ6320 руб.
19513033057

Кронштейн (Bracket)

под заказ180 руб.
20513033047

Струбцина (Clamp)

под заказ430 руб.
2140029

Винт M6 x 16 (Screw M6 x 16)

под заказ30 руб.
2233200

Elastig Фланецd Гайка M6 (Elastig flanged nut M6)

под заказпо запросу
2233072

(последний код) NUT-FLANGE HEX. M6 DIN 6927 8.8 YIC

под заказпо запросу
2328015

Трубопровод (Tubing)

под заказ1260 руб.
lynx

 
 

данный сайт носит информационный характер и не является публичной офертой

склад запчастей для водомоторной техники