вконтакте

Контактный телефон: +7 (981) 121-46-93, +7 (800) 200-90-76 , Email: parts-katalog@yandex.ru, где купить

 
 

  Логин:

Пароль:

Регистрация

www.partskatalog.ru Все каталоги Запчасти Mercury Запчасти Suzuki Запчасти Tohatsu Запчасти Honda Контакты



УВАЖАЕМЫЕ КЛИЕНТЫ!
C 19 ДЕКАБРЯ 2025 ПО 02 МАРТА 2026 ГОДА ОТДЕЛ ЗАПЧАСТЕЙ И СЕРВИС РАБОТАТЬ НЕ БУДУТ
ПРОДАЖА ЛОДОЧНЫХ МОТОРОВ В ШТАТНОМ РЕЖИМЕ
ОБ ИЗМЕНЕНИЯХ В ГРАФИКЕ РАБОТЫ ЧИТАЙТЕ НА САЙТА




Выбрать другую модель

назад Раздел:   вперёд

вернуться к списку узлов и деталей

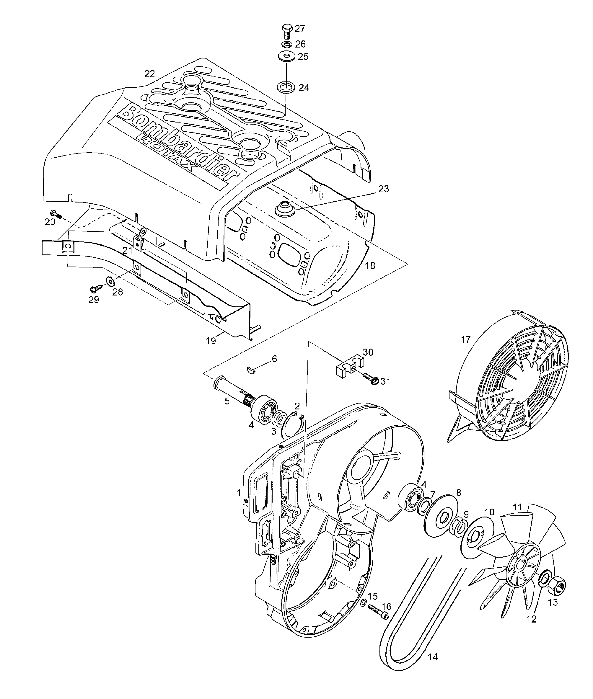
ДЕТАЛИРОВКА ДЛЯ МОДЕЛИ: LYNX Safari 400, 2002


Snow mobile Лункс  - Radiator, Шлангs - Radiator, Hoses

Номер на
рисунке
АртикулНаименованиеКол-во
на складе
Цена
1420912203

Fan Корпус (Fan housing)

под заказ30400 руб.
1420912230

(последний код) LOGEMENT VENT. *HOUSING-FAN

под заказ33200 руб.
2420945880

Стопорное кольцо (Retaining ring)

под заказ310 руб.
2945880

(последний код) LOCK RING (USE420945880)

под заказ140 руб.
3420244585

Регулировочная шайба (Shim)

под заказ130 руб.
3244585

(последний код) VALILEVY 17.5/24/1.0

под заказ140 руб.
4405406100

Подшипник (Bearing)

под заказпо запросу
4832160

(последний код) BEARING (USE 405406100)

под заказпо запросу
46203DDUC3E NS7S5

     (не оригинальная запчасть) Подшипник 6203DDUC3E (6203DDUC3E NS7S5)

под заказ300 руб.
46203DDUC3E & NS7SX

     (не оригинальная запчасть) Подшипник 6203DDUC3E (6203DDUC3E & NS7SX)

под заказ440 руб.
5420937940

Вал (Shaft)

под заказпо запросу
5937940

(последний код) TUULETTIMEN AKSELI

под заказпо запросу
6420246015

Ключ (Key)

под заказ230 руб.
6420246011

(последний код) CLAVETTE *KEY-WOODRUFF

под заказ140 руб.
7420827650

Distance Гильза (Distance sleeve)

под заказ840 руб.
7827650

(последний код) HYLSY 17,3/28/2,8

под заказ830 руб.
8420980496

Belt disk (Belt disk)

под заказ980 руб.
8980495

(последний код) BELT PLATE (USE 420980495)

под заказ550 руб.
9420827080

Adj.Шайба 0.5 (Adj.washer 0.5)

под заказ290 руб.
9827080

(последний код) TASAUSLEVY 17.5/27/0.5

под заказ230 руб.
9420827082

Adj.Шайба 0.2 (Adj.washer 0.2)

под заказ230 руб.
9827082

(последний код) ADJUSTMENT PLATE 17.7 (K.420827082)

под заказ140 руб.
10420980523

Protection Шайба (Protection washer)

под заказ840 руб.
10420980522

(последний код) RONDELLE PROT. *WASHER-PROTEC.

под заказ470 руб.
11420866292

Fan (Fan)

под заказ7360 руб.
11866292

(последний код) TUULETINPYORA(USE 420866292)

под заказ4490 руб.
12420945756

Пружинная шайба (Spring washer)

под заказ230 руб.
12945756

(последний код) JOUSIRENGAS (USE 420945756)

под заказ140 руб.
13420942285

Гайка (Nut)

под заказ450 руб.
13942285

(последний код) NUT (USE 420942285)

под заказ410 руб.
14414630800

Клиновидный ремень (V-belt)

под заказ1850 руб.
1000 руб.
14980511

(последний код) V-BELT Z24 (USE 414630800)

под заказ1150 руб.
1409-330

     (не оригинальная запчасть) Ремень вентилятора BRP 09-330

под заказ380 руб.
15420945751

Пружинная шайба (Spring washer)

под заказ140 руб.
15540802026

(последний код) RONDELLE-FREIN *WASHER-LOCK

под заказ110 руб.
16205063044

Allen Винт M6x30 (Allen screw M6x30)

под заказ290 руб.
16420840881

(последний код) SCREW-ALLEN M6 X 30

под заказпо запросу
17420975695

Крышка вентилятора (Fan cover)

под заказ1920 руб.
17975695

(последний код) FAN HOUSING (USE 420975695)

под заказ1500 руб.
18420810764

нижний cowl (Выхлоп) (Lower cowl (exhaust))

под заказ9350 руб.
18420810762

(последний код) DEFLECTEUR CYL.*COWL-CYL.

под заказ7310 руб.
19420811805

нижний cowl (Lower cowl)

под заказпо запросу
20420240580

Taptite Винт M6x16 (Taptite screw M6x16)

под заказ160 руб.
21417300005

SШтифтg Гайка (Sping nut)

под заказ310 руб.
22420811800

верхний case (Upper case)

под заказ15630 руб.
23420827817

Cвыше Шайба (Cup washer)

под заказ980 руб.
24420960865

Rubber Шайба (Rubber washer)

под заказ150 руб.
24960865

(последний код) RUBBER RING (USE 420960865)

под заказ140 руб.
25420227935

Шайба (Washer)

под заказ370 руб.
26420945752

Шайба с блокировкой (Lock washer)

под заказ120 руб.
26402001600

(последний код) RONDELLE-FREIN *WASHER-LOCK#8

под заказ110 руб.
27207181644

Винт M8x16 (Screw M8x16)

под заказ290 руб.
27420940581

(последний код) SCREW-HEX.M8 X 16

под заказ230 руб.
28420926180

Шайба (Washer)

под заказ140 руб.
29417300006

SelfСаморез (Selftapping screw)

под заказ60 руб.
29420841495

(последний код) SCREW-TAPP.PAN HD.SLTD.4,8 X 1

под заказ170 руб.
30420860945

Провод Струбцина (Wire clamp)

под заказ170 руб.
31420841555

Taptite Винт M5x20 (Taptite screw M5x20)

под заказ130 руб.
31841555

(последний код) SCREW (USE 420841555)

под заказ130 руб.
325247489

выход Duct (Outlet Duct)

под заказ1600 руб.
33509000117

вход duct (Inlet duct)

под заказпо запросу
345247592

Сальник (Seal)

под заказ840 руб.
35243141640

Винт (Screw)

под заказпо запросу
35732603009

(последний код) SCREW-PLASTITE HEX.WR.HD.

под заказпо запросу
lynx

 
 

данный сайт носит информационный характер и не является публичной офертой

склад запчастей для водомоторной техники