вконтакте

Контактный телефон: +7 (981) 121-46-93, +7 (800) 200-90-76 , Email: parts-katalog@yandex.ru, где купить

 
 

  Логин:

Пароль:

Регистрация

www.partskatalog.ru Все каталоги Запчасти Mercury Запчасти Suzuki Запчасти Tohatsu Запчасти Honda Контакты



УВАЖАЕМЫЕ КЛИЕНТЫ!
C 19 ДЕКАБРЯ 2025 ПО 02 МАРТА 2026 ГОДА ОТДЕЛ ЗАПЧАСТЕЙ И СЕРВИС РАБОТАТЬ НЕ БУДУТ
ПРОДАЖА ЛОДОЧНЫХ МОТОРОВ В ШТАТНОМ РЕЖИМЕ
ОБ ИЗМЕНЕНИЯХ В ГРАФИКЕ РАБОТЫ ЧИТАЙТЕ НА САЙТА




Выбрать другую модель

назад Раздел:   вперёд

вернуться к списку узлов и деталей

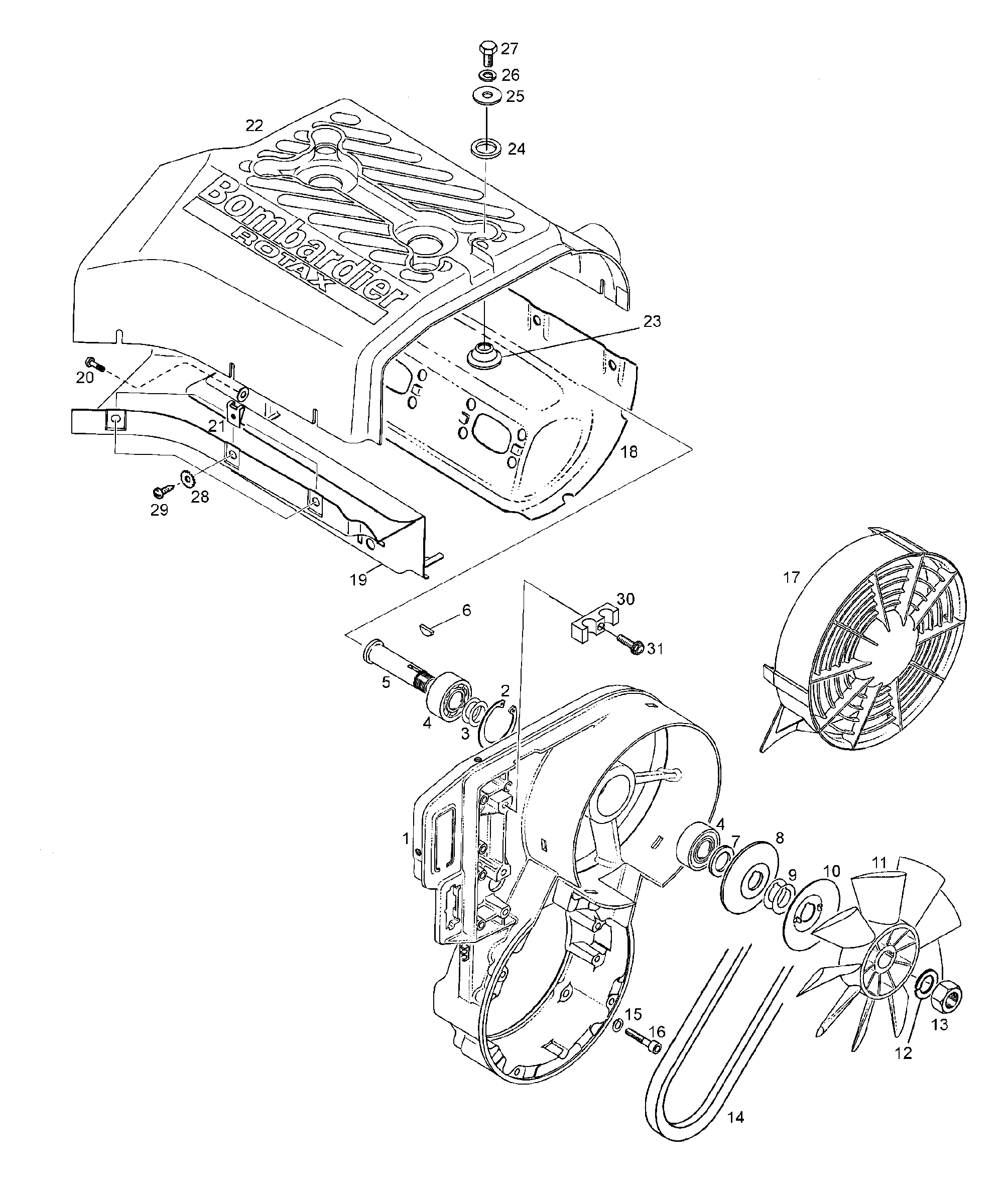
ДЕТАЛИРОВКА ДЛЯ МОДЕЛИ: LYNX Forest, 1999


Снегоходы Лункс  - Oil Tank - Масляный бак

Номер на
рисунке
АртикулНаименованиеКол-во
на складе
Цена
1572091600

Масляный бак, 2, 5 l (Oil tank, 2,5 l)

под заказпо запросу
1572106700

(последний код) RESERVOIR HUILE*TANK-OIL

под заказпо запросу
2572071000

Колпачок (Cap)

под заказ1930 руб.
2519000044

(последний код) BOUCHON *CAP

под заказ3350 руб.
207-288-01

     (не оригинальная запчасть) Крышка топливного/масляного бака BRP 07-288-01

под заказ660 руб.
35344677

Sвышеport (Support)

под заказ2130 руб.
420052

Шайба с блокировкой (Lock washer)

под заказ120 руб.
4234161471

(последний код) WASHER-LOCK BLACK DIN.127B

под заказ130 руб.
5570023000

Пыльник (Grommet)

под заказ580 руб.
52890230

(последний код) GROMMET (USE 570023000)

под заказ450 руб.
5SM-07403

     (не оригинальная запчасть) Уплотнительная втулка масляного бачка BRP SM-07403

под заказ140 руб.
6414681900

Поплавок для Датчик (Float for sensor)

под заказпо запросу
62196819

(последний код) KOHO SENSORILLE(USE 414681900)

под заказпо запросу
7414681800

Oil level Датчик (Oil level sensor)

под заказпо запросу
7216818

(последний код) OIL LEVEL SENSOR 414681800 BBD

под заказпо запросу
827119F

Пружина Зажим (Spring clip)

под заказпо запросу
9414420700

Пружина Зажим (Spring clip)

под заказ140 руб.
927414420700

(последний код) SPRING CLIP 414420700

под заказ110 руб.
1039046

Шланг, 11 / 8 m (Hose, 11/8 m)

под заказ1500 руб.
103999046

(последний код) HOSE 11/8 (USE 39046)

под заказ710 руб.
11414536500

Масляный фильтр (Oil filter)

под заказ310 руб.
1107-246-05

     (не оригинальная запчасть) Фильтр масляный универсальный 07-246-05

под заказ370 руб.
1107-246-06

     (не оригинальная запчасть) Фильтр масляный BRP 07-246-06

под заказ470 руб.
1107-246-08

     (не оригинальная запчасть) Масляный фильтр 07-246-08

под заказ470 руб.
1240114

Винт M6x10 (Screw M6x10)

под заказ30 руб.
13XXX

Пружина. Parts Маркировкаed with <> are Не доступно as spare parts (Spring. Parts marked with <> are not available as spare parts)

1433200

Гайка M6 (Nut M6)

под заказпо запросу
1433072

(последний код) NUT-FLANGE HEX. M6 DIN 6927 8.8 YIC

под заказпо запросу
1520009

Шайба (Washer)

под заказпо запросу
15542376

(последний код) WASHER

под заказпо запросу
lynx

 
 

данный сайт носит информационный характер и не является публичной офертой

склад запчастей для водомоторной техники