вконтакте

Контактный телефон: +7 (981) 121-46-93, +7 (800) 200-90-76 , Email: parts-katalog@yandex.ru, где купить

 
 

  Логин:

Пароль:

Регистрация

www.partskatalog.ru Все каталоги Запчасти Mercury Запчасти Suzuki Запчасти Tohatsu Запчасти Honda Контакты



УВАЖАЕМЫЕ КЛИЕНТЫ!
C 19 ДЕКАБРЯ 2025 ПО 02 МАРТА 2026 ГОДА ОТДЕЛ ЗАПЧАСТЕЙ И СЕРВИС РАБОТАТЬ НЕ БУДУТ
ПРОДАЖА ЛОДОЧНЫХ МОТОРОВ В ШТАТНОМ РЕЖИМЕ
ОБ ИЗМЕНЕНИЯХ В ГРАФИКЕ РАБОТЫ ЧИТАЙТЕ НА САЙТА




Вернуться к началу выбора


Год выпуска: 2012 год

Семейство снегохода: MX Z

Модификация снегохода: Ski-Doo MXZ TNT 600ACE LFF, 2012

   Выберите раздел

найти расходники на снегоходы ski-doo


00- Model Numbers (00- Model Numbers)

00- Model Numbers (00- Model Numbers)

01- Двигатель (01- Engine)

01- Двигатель (01- Engine)

01- Охлаждение System (01- Cooling System)

01- Охлаждение System (01- Cooling System)

01- Выхлопная система (01- Exhaust System)

01- Выхлопная система (01- Exhaust System)

01- Двигатель Block (01- Engine Block)

01- Двигатель Block (01- Engine Block)

01- Коленвал и Поршни (01- Crankshaft And Pistons)

01- Коленвал и Поршни (01- Crankshaft And Pistons)

01- Смазка двигателя (01- Engine Lubrication)

01- Смазка двигателя (01- Engine Lubrication)

01- Охлаждение двигателя (01- Engine Cooling)

01- Охлаждение двигателя (01- Engine Cooling)

01- Головка блока цилиндра (01- Cylinder Head)

01- Головка блока цилиндра (01- Cylinder Head)

01- Клапан Train (01- Valve Train)

01- Клапан Train (01- Valve Train)

01- Клапан Крышка (01- Valve Cover)

01- Клапан Крышка (01- Valve Cover)

02- Впускная система и дроссель газа (02- Air Intake Manifold And Throttle Body)

02- Впускная система и дроссель газа (02- Air Intake Manifold And Throttle Body)

02- Air Система впуска System (02- Air Intake System)

02- Air Система впуска System (02- Air Intake System)

02- Топливная система (02- Fuel System)

02- Топливная система (02- Fuel System)

03- Магнето и Электростартер _1-2 (03- Magneto And Electric Starter _1-2)

03- Магнето и Электростартер _1-2 (03- Magneto And Electric Starter _1-2)

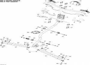
05- Drive System (05- Drive System)

05- Drive System (05- Drive System)

05- Шкив System (05- Pulley System)

05- Шкив System (05- Pulley System)

06- Гидравлический тормоз (06- Hydraulic Brakes)

06- Гидравлический тормоз (06- Hydraulic Brakes)

07- Передняя подвеска и лыжи (07- Front Suspension And Ski)

07- Передняя подвеска и лыжи (07- Front Suspension And Ski)

07- Рулевая система (07- Steering)

07- Рулевая система (07- Steering)

08- Задняя подвеска Front Рычаг и Основание (08- Rear Suspension Front Arm And Base)

08- Задняя подвеска Front Рычаг и Основание (08- Rear Suspension Front Arm And Base)

08- Задняя подвеска Rear Рычаг и Shock (08- Rear Suspension Rear Arm And Shock)

08- Задняя подвеска Rear Рычаг и Shock (08- Rear Suspension Rear Arm And Shock)

09- Рама Common Parts (09- Frame Common Parts)

09- Рама Common Parts (09- Frame Common Parts)

09- Рама (09- Frame)

09- Рама (09- Frame)

09- Нижний поддон (09- Bottom Pan)

09- Нижний поддон (09- Bottom Pan)

09- Hood (09- Hood)

09- Hood (09- Hood)

09- Ветровое стекло и Console (09- Windshield And Console)

09- Ветровое стекло и Console (09- Windshield And Console)

09- Седло (09- Seat)

09- Седло (09- Seat)

09- Наклейки (09- Decals)

09- Наклейки (09- Decals)

09- Utilities (09- Utilities)

09- Utilities (09- Utilities)

09- Luggage Rack (09- Luggage Rack)

09- Luggage Rack (09- Luggage Rack)

10- Электрика - жгут проводов (10- Electrical Harness)

10- Электрика - жгут проводов (10- Electrical Harness)

10- Рулевая система WiКольцо Жгут проводов (10- Steering Wiring Harness)

10- Рулевая система WiКольцо Жгут проводов (10- Steering Wiring Harness)

10- Электрика System (10- Electrical System)

10- Электрика System (10- Electrical System)

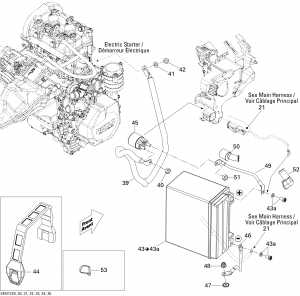
10- Battery и Стартер (10- Battery And Starter)

10- Battery и Стартер (10- Battery And Starter)

10- Электрика Аксессуары, Рулевая система (10- Electrical Accessories, Steering)

10- Электрика Аксессуары, Рулевая система (10- Electrical Accessories, Steering)

10- Двигатель Жгут проводов и Electronic Module (10- Engine Harness And Electronic Module)

10- Двигатель Жгут проводов и Electronic Module (10- Engine Harness And Electronic Module)

 
ski-doo

Время выполнения запроса 0.31588101387024 сек.


 
 

данный сайт носит информационный характер и не является публичной офертой

склад запчастей для водомоторной техники