вконтакте

Контактный телефон: +7 (981) 121-46-93, +7 (800) 200-90-76 , Email: parts-katalog@yandex.ru, где купить

 
 

  Логин:

Пароль:

Регистрация

www.partskatalog.ru Все каталоги Запчасти Mercury Запчасти Suzuki Запчасти Tohatsu Запчасти Honda Контакты



УВАЖАЕМЫЕ КЛИЕНТЫ!
C 19 ДЕКАБРЯ 2025 ПО 02 МАРТА 2026 ГОДА ОТДЕЛ ЗАПЧАСТЕЙ И СЕРВИС РАБОТАТЬ НЕ БУДУТ
ПРОДАЖА ЛОДОЧНЫХ МОТОРОВ В ШТАТНОМ РЕЖИМЕ
ОБ ИЗМЕНЕНИЯХ В ГРАФИКЕ РАБОТЫ ЧИТАЙТЕ НА САЙТА




Вернуться к началу выбора


Год выпуска: 2005 год

Семейство снегохода: GSX

Модификация снегохода: Ski-Doo GSX 500SS, 2005

   Выберите раздел

найти расходники на снегоходы ski-doo


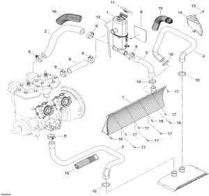
01- Охлаждение System (01- Cooling System)

01- Охлаждение System (01- Cooling System)

01- КривошипКорпус водяного насоса и Масляный насос (593) (01- Crankcase, Water Pump And Oil Pump (593))

01- КривошипКорпус водяного насоса и Масляный насос (593) (01- Crankcase, Water Pump And Oil Pump (593))

01- Коленвал и Поршни 593 (01- Crankshaft And Pistons 593)

01- Коленвал и Поршни 593 (01- Crankshaft And Pistons 593)

01- Цилиндр, Выхлопной патрубок и Язычковый клапан 593 (01- Cylinder, Exhaust Manifold And Reed Valve 593)

01- Цилиндр, Выхлопной патрубок и Язычковый клапан 593 (01- Cylinder, Exhaust Manifold And Reed Valve 593)

01- Двигатель, Gsx 500ss (01- Engine, Gsx 500ss)

01- Двигатель, Gsx 500ss (01- Engine, Gsx 500ss)

01- Двигатель и Двигатель Sвышеport, Gsx 500ss (01- Engine And Engine Support, Gsx 500ss)

01- Двигатель и Двигатель Sвышеport, Gsx 500ss (01- Engine And Engine Support, Gsx 500ss)

01- Выхлопная система, Gsx 500ss (01- Exhaust System, Gsx 500ss)

01- Выхлопная система, Gsx 500ss (01- Exhaust System, Gsx 500ss)

02- Air Система впуска System 550f (02- Air Intake System 550f)

02- Air Система впуска System 550f (02- Air Intake System 550f)

02- Топливная система 500ss (02- Fuel System 500ss)

02- Топливная система 500ss (02- Fuel System 500ss)

02- Карбюратор 593 (02- Carburetor 593)

02- Карбюратор 593 (02- Carburetor 593)

02- Oil System (02- Oil System)

02- Oil System (02- Oil System)

03- Магнето 593 (03- Magneto 593)

03- Магнето 593 (03- Magneto 593)

04- Электростартер (04- Electric Starter)

04- Электростартер (04- Electric Starter)

04- Rewind Стартер 593 (04- Rewind Starter 593)

04- Rewind Стартер 593 (04- Rewind Starter 593)

05- Ведомый шкив Gsx 500 Ss (05- Driven Pulley Gsx 500 Ss)

05- Ведомый шкив Gsx 500 Ss (05- Driven Pulley Gsx 500 Ss)

05- Drive System 500ss (05- Drive System 500ss)

05- Drive System 500ss (05- Drive System 500ss)

06- Hydraulic тормоз 500ss (06- Hydraulic Brake 500ss)

06- Hydraulic тормоз 500ss (06- Hydraulic Brake 500ss)

07- Передняя подвеска и лыжи 500ss (07- Front Suspension And Ski 500ss)

07- Передняя подвеска и лыжи 500ss (07- Front Suspension And Ski 500ss)

07- Рулевая система System (07- Steering System)

07- Рулевая система System (07- Steering System)

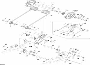
08- Задняя подвеска (08- Rear Suspension)

08- Задняя подвеска (08- Rear Suspension)

08- Front Рычаг 500ss (08- Front Arm 500ss)

08- Front Рычаг 500ss (08- Front Arm 500ss)

08- Rear Рычаг 500ss (08- Rear Arm 500ss)

08- Rear Рычаг 500ss (08- Rear Arm 500ss)

09- Нижний поддон 500ss (09- Bottom Pan 500ss)

09- Нижний поддон 500ss (09- Bottom Pan 500ss)

09- Hood 500ss (09- Hood 500ss)

09- Hood 500ss (09- Hood 500ss)

09- Luggage Rack 500ss (09- Luggage Rack 500ss)

09- Luggage Rack 500ss (09- Luggage Rack 500ss)

09- Седло 500ss (09- Seat 500ss)

09- Седло 500ss (09- Seat 500ss)

09- Ветровое стекло и Console 500ss (09- Windshield And Console 500ss)

09- Ветровое стекло и Console 500ss (09- Windshield And Console 500ss)

09- Наклейки Sport (09- Decals Sport)

09- Наклейки Sport (09- Decals Sport)

09- Рама (09- Frame)

09- Рама (09- Frame)

09- Рама и Components (09- Frame And Components)

09- Рама и Components (09- Frame And Components)

09- Utilities (09- Utilities)

09- Utilities (09- Utilities)

10- Battery и Стартер (10- Battery And Starter)

10- Battery и Стартер (10- Battery And Starter)

10- Электрика - жгут проводов No Dpm (10- Electrical Harness No Dpm)

10- Электрика - жгут проводов No Dpm (10- Electrical Harness No Dpm)

10- Рулевая система WiКольцо Жгут проводов (10- Steering Wiring Harness)

10- Рулевая система WiКольцо Жгут проводов (10- Steering Wiring Harness)

10- Электрика Аксессуары 2 (500ss) (10- Electrical Accessories 2 (500ss))

10- Электрика Аксессуары 2 (500ss) (10- Electrical Accessories 2 (500ss))

10- Электрика Аксессуары 1 (gsx 500ss) (10- Electrical Accessories 1 (gsx 500ss))

10- Электрика Аксессуары 1 (gsx 500ss) (10- Electrical Accessories 1 (gsx 500ss))

ski-doo

Время выполнения запроса 0.51181483268738 сек.


 
 

данный сайт носит информационный характер и не является публичной офертой

склад запчастей для водомоторной техники