вконтакте

Контактный телефон: +7 (981) 121-46-93, +7 (800) 200-90-76 , Email: parts-katalog@yandex.ru, где купить

 
 

  Логин:

Пароль:

Регистрация

www.partskatalog.ru Все каталоги Запчасти Mercury Запчасти Suzuki Запчасти Tohatsu Запчасти Honda Контакты



УВАЖАЕМЫЕ КЛИЕНТЫ!
C 19 ДЕКАБРЯ 2025 ПО 02 МАРТА 2026 ГОДА ОТДЕЛ ЗАПЧАСТЕЙ И СЕРВИС РАБОТАТЬ НЕ БУДУТ
ПРОДАЖА ЛОДОЧНЫХ МОТОРОВ В ШТАТНОМ РЕЖИМЕ
ОБ ИЗМЕНЕНИЯХ В ГРАФИКЕ РАБОТЫ ЧИТАЙТЕ НА САЙТА




Вернуться к началу выбора


Год выпуска: 2004 год

Семейство снегохода: MX Z

Модификация снегохода: Ski-Doo MX Z 380F, 2004

   Выберите раздел

найти расходники на снегоходы ski-doo


01- Охлаждение System (380f) (01- Cooling System (380f))

01- Охлаждение System (380f) (01- Cooling System (380f))

01- Картер двигателя (380f) (01- Crankcase (380f))

01- Картер двигателя (380f) (01- Crankcase (380f))

01- Коленвал (380f) (01- Crankshaft (380f))

01- Коленвал (380f) (01- Crankshaft (380f))

01- Цилиндр, Выхлопной патрубок (380f) (01- Cylinder, Exhaust Manifold (380f))

01- Цилиндр, Выхлопной патрубок (380f) (01- Cylinder, Exhaust Manifold (380f))

01- Двигатель Sвышеport и Muffler (380f) (01- Engine Support And Muffler (380f))

01- Двигатель Sвышеport и Muffler (380f) (01- Engine Support And Muffler (380f))

02- Топливная система (380f) (02- Fuel System (380f))

02- Топливная система (380f) (02- Fuel System (380f))

02- Air Система впуска System (380f) (02- Air Intake System (380f))

02- Air Система впуска System (380f) (02- Air Intake System (380f))

02- Карбюраторs (380f) (02- Carburetors (380f))

02- Карбюраторs (380f) (02- Carburetors (380f))

02- Oil Injection System (380f) (02- Oil Injection System (380f))

02- Oil Injection System (380f) (02- Oil Injection System (380f))

02- Масляный бак и Sвышеport (02- Oil Tank And Support)

02- Масляный бак и Sвышеport (02- Oil Tank And Support)

03- Магнето (380f) (03- Magneto (380f))

03- Магнето (380f) (03- Magneto (380f))

04- Rewind Стартер (04- Rewind Starter)

04- Rewind Стартер (04- Rewind Starter)

05- Цепьcase (380f) (05- Chaincase (380f))

05- Цепьcase (380f) (05- Chaincase (380f))

05- Ведомый шкив (380f) (05- Driven Pulley (380f))

05- Ведомый шкив (380f) (05- Driven Pulley (380f))

05- Шкив привода (mx Z 380f) (05- Drive Pulley (mx Z 380f))

05- Шкив привода (mx Z 380f) (05- Drive Pulley (mx Z 380f))

05- Drive System (mx Z 380f) (05- Drive System (mx Z 380f))

05- Drive System (mx Z 380f) (05- Drive System (mx Z 380f))

06- тормоз (mx Z 380f) (06- Brake (mx Z 380f))

06- тормоз (mx Z 380f) (06- Brake (mx Z 380f))

07- Передняя подвеска (mx Z 380f) (07- Front Suspension (mx Z 380f))

07- Передняя подвеска (mx Z 380f) (07- Front Suspension (mx Z 380f))

07- Рулевая система System (07- Steering System)

07- Рулевая система System (07- Steering System)

08- Front Рычаг Mx Z (08- Front Arm Mx Z)

08- Front Рычаг Mx Z (08- Front Arm Mx Z)

08- Rear Рычаг Mx Z (08- Rear Arm Mx Z)

08- Rear Рычаг Mx Z (08- Rear Arm Mx Z)

08- Задняя подвеска (mx Z) (08- Rear Suspension (mx Z))

08- Задняя подвеска (mx Z) (08- Rear Suspension (mx Z))

09- Cab, Console (mx Z) (09- Cab, Console (mx Z))

09- Cab, Console (mx Z) (09- Cab, Console (mx Z))

09- Наклейки (mx Z 380f) (09- Decals (mx Z 380f))

09- Наклейки (mx Z 380f) (09- Decals (mx Z 380f))

09- Рама (mx Z) (09- Frame (mx Z))

09- Рама (mx Z) (09- Frame (mx Z))

09- Седло (mx Z) (09- Seat (mx Z))

09- Седло (mx Z) (09- Seat (mx Z))

09- Опцииions (mx Z) (09- Options (mx Z))

09- Опцииions (mx Z) (09- Options (mx Z))

09- Нижний поддон (09- Bottom Pan)

09- Нижний поддон (09- Bottom Pan)

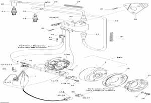
10- Рама Жгут проводов (10- Frame Harness)

10- Рама Жгут проводов (10- Frame Harness)

10- Рулевая система Жгут проводов (380f) (10- Steering Harness (380f))

10- Рулевая система Жгут проводов (380f) (10- Steering Harness (380f))

10- Console Жгут проводов (mx Z) (10- Console Harness (mx Z))

10- Console Жгут проводов (mx Z) (10- Console Harness (mx Z))

10- Cab Жгут проводов (mx Z) (10- Cab Harness (mx Z))

10- Cab Жгут проводов (mx Z) (10- Cab Harness (mx Z))

 
ski-doo

Время выполнения запроса 1.2498450279236 сек.


 
 

данный сайт носит информационный характер и не является публичной офертой

склад запчастей для водомоторной техники