вконтакте

Контактный телефон: +7 (981) 121-46-93, +7 (800) 200-90-76 , Email: parts-katalog@yandex.ru, где купить

 
 

  Логин:

Пароль:

Регистрация

www.partskatalog.ru Все каталоги Запчасти Mercury Запчасти Suzuki Запчасти Tohatsu Запчасти Honda Контакты



УВАЖАЕМЫЕ КЛИЕНТЫ!
C 19 ДЕКАБРЯ 2025 ПО 02 МАРТА 2026 ГОДА ОТДЕЛ ЗАПЧАСТЕЙ И СЕРВИС РАБОТАТЬ НЕ БУДУТ
ПРОДАЖА ЛОДОЧНЫХ МОТОРОВ В ШТАТНОМ РЕЖИМЕ
ОБ ИЗМЕНЕНИЯХ В ГРАФИКЕ РАБОТЫ ЧИТАЙТЕ НА САЙТА




Вернуться к началу выбора


Год выпуска: 2003 год

Семейство снегохода: Summit

Модификация снегохода: Ski-Doo Summit X 800 HO, 2003

   Выберите раздел

найти расходники на снегоходы ski-doo


01- Двигатель 1 (01- Engine 1)

01- Двигатель 1 (01- Engine 1)

01- Двигатель 2 (01- Engine 2)

01- Двигатель 2 (01- Engine 2)

01- Выхлопная система (01- Exhaust System)

01- Выхлопная система (01- Exhaust System)

01- Охлаждение System (01- Cooling System)

01- Охлаждение System (01- Cooling System)

01- КривошипКорпус водяного насоса и Масляный насос (01- Crankcase, Water Pump And Oil Pump)

01- КривошипКорпус водяного насоса и Масляный насос (01- Crankcase, Water Pump And Oil Pump)

01- Коленвал и Поршни (01- Crankshaft And Pistons)

01- Коленвал и Поршни (01- Crankshaft And Pistons)

01- Цилиндр, Выхлопной патрубок, Язычковый клапан (01- Cylinder, Exhaust Manifold, Reed Valve)

01- Цилиндр, Выхлопной патрубок, Язычковый клапан (01- Cylinder, Exhaust Manifold, Reed Valve)

02- Масляный бак (02- Oil Tank)

02- Масляный бак (02- Oil Tank)

02- Топливная система (02- Fuel System)

02- Топливная система (02- Fuel System)

02- Air Система впуска System (02- Air Intake System)

02- Air Система впуска System (02- Air Intake System)

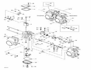
02- Карбюраторs (02- Carburetors)

02- Карбюраторs (02- Carburetors)

03- Магнето (12v, 360w) (03- Magneto (12v, 360w))

03- Магнето (12v, 360w) (03- Magneto (12v, 360w))

04- Rewind Стартер (04- Rewind Starter)

04- Rewind Стартер (04- Rewind Starter)

05- Drive System (05- Drive System)

05- Drive System (05- Drive System)

05- Шкив привода (05- Drive Pulley)

05- Шкив привода (05- Drive Pulley)

05- Ведомый шкив (05- Driven Pulley)

05- Ведомый шкив (05- Driven Pulley)

05- Шкивs System и Belt Guard (05- Pulleys System And Belt Guard)

05- Шкивs System и Belt Guard (05- Pulleys System And Belt Guard)

06- Hydraulic тормоз (06- Hydraulic Brake)

06- Hydraulic тормоз (06- Hydraulic Brake)

07- Рулевая система System (07- Steering System)

07- Рулевая система System (07- Steering System)

07- Передняя подвеска и лыжи (07- Front Suspension And Ski)

07- Передняя подвеска и лыжи (07- Front Suspension And Ski)

07- Front Take Apart Shocks (07- Front Take Apart Shocks)

07- Front Take Apart Shocks (07- Front Take Apart Shocks)

07- Рулевая система System (07- Steering System)

07- Рулевая система System (07- Steering System)

08- Задняя подвеска (08- Rear Suspension)

08- Задняя подвеска (08- Rear Suspension)

08- Front Рычаг и Shock (08- Front Arm And Shock)

08- Front Рычаг и Shock (08- Front Arm And Shock)

08- Rear Рычаг (08- Rear Arm)

08- Rear Рычаг (08- Rear Arm)

08- Rear Take Apart Shocks (08- Rear Take Apart Shocks)

08- Rear Take Apart Shocks (08- Rear Take Apart Shocks)

09- Седло (09- Seat)

09- Седло (09- Seat)

09- Utilities (09- Utilities)

09- Utilities (09- Utilities)

09- Рама (09- Frame)

09- Рама (09- Frame)

09- Рама - Front и Rear (09- Frame - Front And Rear)

09- Рама - Front и Rear (09- Frame - Front And Rear)

09- Нижний поддон (09- Bottom Pan)

09- Нижний поддон (09- Bottom Pan)

09- Hood (09- Hood)

09- Hood (09- Hood)

09- Ветровое стекло и Console (09- Windshield And Console)

09- Ветровое стекло и Console (09- Windshield And Console)

09- Наклейки (09- Decals)

09- Наклейки (09- Decals)

10- Электрика System 1 (10- Electrical System 1)

10- Электрика System 1 (10- Electrical System 1)

10- Электрика System 2 (10- Electrical System 2)

10- Электрика System 2 (10- Electrical System 2)

10- Рама Жгут проводов (10- Frame Harness)

10- Рама Жгут проводов (10- Frame Harness)

 
ski-doo

Время выполнения запроса 0.33903193473816 сек.


 
 

данный сайт носит информационный характер и не является публичной офертой

склад запчастей для водомоторной техники