вконтакте

Контактный телефон: +7 (981) 121-46-93, +7 (800) 200-90-76 , Email: parts-katalog@yandex.ru, где купить

 
 

  Логин:

Пароль:

Регистрация

www.partskatalog.ru Все каталоги Запчасти Mercury Запчасти Suzuki Запчасти Tohatsu Запчасти Honda Контакты



УВАЖАЕМЫЕ КЛИЕНТЫ!
C 31 ОКТЯБРЯ 2025 ПО 10 НОЯБРЯ 2025 ГОДА РАБОТАТЬ НЕ БУДЕМ




Вернуться к началу выбора


Год выпуска: 2000 год

Семейство снегохода: Grand Touring

Модификация снегохода: Ski-Doo Grand Touring SE Millennium Edition, 2000

   Выберите раздел

найти расходники на снегоходы ski-doo


01- Картер двигателя, Язычковый клапан, Водяной насос (699) (01- Crankcase, Reed Valve, Water Pump (699))

01- Картер двигателя, Язычковый клапан, Водяной насос (699) (01- Crankcase, Reed Valve, Water Pump (699))

01- Картер двигателя, Язычковый клапан, Водяной насос (809) (01- Crankcase, Reed Valve, Water Pump (809))

01- Картер двигателя, Язычковый клапан, Водяной насос (809) (01- Crankcase, Reed Valve, Water Pump (809))

01- Коленвал и Поршни (699) (01- Crankshaft And Pistons (699))

01- Коленвал и Поршни (699) (01- Crankshaft And Pistons (699))

01- Коленвал и Поршни (809) (01- Crankshaft And Pistons (809))

01- Коленвал и Поршни (809) (01- Crankshaft And Pistons (809))

01- Цилиндр, Выхлопной патрубок (699) (01- Cylinder, Exhaust Manifold (699))

01- Цилиндр, Выхлопной патрубок (699) (01- Cylinder, Exhaust Manifold (699))

01- Цилиндр, Выхлопной патрубок (809) (01- Cylinder, Exhaust Manifold (809))

01- Цилиндр, Выхлопной патрубок (809) (01- Cylinder, Exhaust Manifold (809))

01- Двигатель Sвышеport и Muffler (01- Engine Support And Muffler)

01- Двигатель Sвышеport и Muffler (01- Engine Support And Muffler)

01- Охлаждение System (01- Cooling System)

01- Охлаждение System (01- Cooling System)

02- Масляный бак (02- Oil Tank)

02- Масляный бак (02- Oil Tank)

02- Топливная система (02- Fuel System)

02- Топливная система (02- Fuel System)

02- Air Система впуска System (02- Air Intake System)

02- Air Система впуска System (02- Air Intake System)

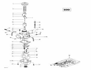
02- Карбюраторs (699) (02- Carburetors (699))

02- Карбюраторs (699) (02- Carburetors (699))

02- Карбюраторs (809) (02- Carburetors (809))

02- Карбюраторs (809) (02- Carburetors (809))

03- Магнето 12v 360w (03- Magneto 12v 360w)

03- Магнето 12v 360w (03- Magneto 12v 360w)

03- Ignition Корпус Масляный насос (03- Ignition Housing Oil Pump)

03- Ignition Корпус Масляный насос (03- Ignition Housing Oil Pump)

04- Rewind Стартер (04- Rewind Starter)

04- Rewind Стартер (04- Rewind Starter)

05- Цепьcase (05- Chaincase)

05- Цепьcase (05- Chaincase)

05- Шкив привода (05- Drive Pulley)

05- Шкив привода (05- Drive Pulley)

05- Ведомый шкив (05- Driven Pulley)

05- Ведомый шкив (05- Driven Pulley)

05- Drive Axle и Track (05- Drive Axle And Track)

05- Drive Axle и Track (05- Drive Axle And Track)

06- Hydraulic тормоз и Belt Guard (06- Hydraulic Brake And Belt Guard)

06- Hydraulic тормоз и Belt Guard (06- Hydraulic Brake And Belt Guard)

07- Рулевая система System (07- Steering System)

07- Рулевая система System (07- Steering System)

07- Передняя подвеска и лыжи (07- Front Suspension And Ski)

07- Передняя подвеска и лыжи (07- Front Suspension And Ski)

08- Задняя подвеска (08- Rear Suspension)

08- Задняя подвеска (08- Rear Suspension)

08- Front Рычаг (08- Front Arm)

08- Front Рычаг (08- Front Arm)

08- Rear Рычаг (08- Rear Arm)

08- Rear Рычаг (08- Rear Arm)

08- Air Shock и Compressor (08- Air Shock And Compressor)

08- Air Shock и Compressor (08- Air Shock And Compressor)

09- Luggage Rack, Hitch (09- Luggage Rack, Hitch)

09- Luggage Rack, Hitch (09- Luggage Rack, Hitch)

09- Седло и Аксессуары (09- Seat And Accessories)

09- Седло и Аксессуары (09- Seat And Accessories)

09- Рама и Аксессуары (09- Frame And Accessories)

09- Рама и Аксессуары (09- Frame And Accessories)

09- Нижний поддон (09- Bottom Pan)

09- Нижний поддон (09- Bottom Pan)

09- Cab, Console (09- Cab, Console)

09- Cab, Console (09- Cab, Console)

09- Наклейки (09- Decals)

09- Наклейки (09- Decals)

10- Электрика System (10- Electrical System)

10- Электрика System (10- Electrical System)

10- Электрика System (10- Electrical System)

10- Электрика System (10- Electrical System)

 
ski-doo

Время выполнения запроса 0.31694912910461 сек.


 
 

данный сайт носит информационный характер и не является публичной офертой

склад запчастей для водомоторной техники