вконтакте

Контактный телефон: +7 (981) 121-46-93, +7 (800) 200-90-76 , Email: parts-katalog@yandex.ru, где купить

 
 

  Логин:

Пароль:

Регистрация

www.partskatalog.ru Все каталоги Запчасти Mercury Запчасти Suzuki Запчасти Tohatsu Запчасти Honda Контакты



УВАЖАЕМЫЕ КЛИЕНТЫ!
C 19 ДЕКАБРЯ 2025 ПО 02 МАРТА 2026 ГОДА ОТДЕЛ ЗАПЧАСТЕЙ И СЕРВИС РАБОТАТЬ НЕ БУДУТ
ПРОДАЖА ЛОДОЧНЫХ МОТОРОВ В ШТАТНОМ РЕЖИМЕ
ОБ ИЗМЕНЕНИЯХ В ГРАФИКЕ РАБОТЫ ЧИТАЙТЕ НА САЙТА




Вернуться к началу выбора


Год выпуска: 1997 год

Семейство снегохода: Mach

Модификация снегохода: Ski-Doo Mach Z LT, 1997

   Выберите раздел

найти расходники на снегоходы ski-doo


01- Картер двигателя, Язычковый клапан, Водяной насос (699, 809) (01- Crankcase, Reed Valve, Water Pump (699,809))

01- Картер двигателя, Язычковый клапан, Водяной насос (699, 809) (01- Crankcase, Reed Valve, Water Pump (699,809))

01- Коленвал и Поршни (699, 809) (01- Crankshaft And Pistons (699, 809))

01- Коленвал и Поршни (699, 809) (01- Crankshaft And Pistons (699, 809))

01- Цилиндр, Выхлопной патрубок (699) (01- Cylinder, Exhaust Manifold (699))

01- Цилиндр, Выхлопной патрубок (699) (01- Cylinder, Exhaust Manifold (699))

01- Цилиндр, Выхлопной патрубок (809) (01- Cylinder, Exhaust Manifold (809))

01- Цилиндр, Выхлопной патрубок (809) (01- Cylinder, Exhaust Manifold (809))

01- Двигатель Sвышеport и Muffler (699, 809) (01- Engine Support And Muffler (699, 809))

01- Двигатель Sвышеport и Muffler (699, 809) (01- Engine Support And Muffler (699, 809))

01- Охлаждение System (699, 809) (01- Cooling System (699, 809))

01- Охлаждение System (699, 809) (01- Cooling System (699, 809))

02- Масляный бак и Sвышеport (02- Oil Tank And Support)

02- Масляный бак и Sвышеport (02- Oil Tank And Support)

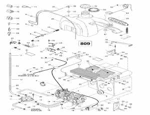
02- Топливная система (699) (02- Fuel System (699))

02- Топливная система (699) (02- Fuel System (699))

02- Топливная система (809) (02- Fuel System (809))

02- Топливная система (809) (02- Fuel System (809))

02- Карбюраторs (699) (02- Carburetors (699))

02- Карбюраторs (699) (02- Carburetors (699))

02- Карбюраторs (809) (02- Carburetors (809))

02- Карбюраторs (809) (02- Carburetors (809))

03- Ignition Корпус Масляный насос (699, 809) (03- Ignition Housing Oil Pump (699, 809))

03- Ignition Корпус Масляный насос (699, 809) (03- Ignition Housing Oil Pump (699, 809))

03- Магнето 12v 220w (699, 809) (03- Magneto 12v 220w (699, 809))

03- Магнето 12v 220w (699, 809) (03- Magneto 12v 220w (699, 809))

04- Rewind Стартер (699, 809) (04- Rewind Starter (699, 809))

04- Rewind Стартер (699, 809) (04- Rewind Starter (699, 809))

05- Цепьcase (05- Chaincase)

05- Цепьcase (05- Chaincase)

05- Шкив привода (05- Drive Pulley)

05- Шкив привода (05- Drive Pulley)

05- Ведомый шкив (05- Driven Pulley)

05- Ведомый шкив (05- Driven Pulley)

05- Drive Axle и Track (05- Drive Axle And Track)

05- Drive Axle и Track (05- Drive Axle And Track)

06- Hydraulic тормоз и Belt Guard (06- Hydraulic Brake And Belt Guard)

06- Hydraulic тормоз и Belt Guard (06- Hydraulic Brake And Belt Guard)

07- Рулевая система System (07- Steering System)

07- Рулевая система System (07- Steering System)

07- Передняя подвеска и лыжи (07- Front Suspension And Ski)

07- Передняя подвеска и лыжи (07- Front Suspension And Ski)

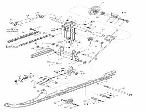
08- Задняя подвеска (08- Rear Suspension)

08- Задняя подвеска (08- Rear Suspension)

08- Front Рычаг, Задняя подвеска (08- Front Arm, Rear Suspension)

08- Front Рычаг, Задняя подвеска (08- Front Arm, Rear Suspension)

08- Rear Рычаг, Задняя подвеска (08- Rear Arm, Rear Suspension)

08- Rear Рычаг, Задняя подвеска (08- Rear Arm, Rear Suspension)

09- Седло и Аксессуары (09- Seat And Accessories)

09- Седло и Аксессуары (09- Seat And Accessories)

09- Рама и Аксессуары (09- Frame And Accessories)

09- Рама и Аксессуары (09- Frame And Accessories)

09- Cab, Console (09- Cab, Console)

09- Cab, Console (09- Cab, Console)

09- Наклейки (09- Decals)

09- Наклейки (09- Decals)

10- Электрика System (10- Electrical System)

10- Электрика System (10- Electrical System)

 
ski-doo

Время выполнения запроса 0.45531988143921 сек.


 
 

данный сайт носит информационный характер и не является публичной офертой

склад запчастей для водомоторной техники