вконтакте

Контактный телефон: +7 (981) 121-46-93, +7 (800) 200-90-76 , Email: parts-katalog@yandex.ru, где купить

 
 

  Логин:

Пароль:

Регистрация

www.partskatalog.ru Все каталоги Запчасти Mercury Запчасти Suzuki Запчасти Tohatsu Запчасти Honda Контакты



УВАЖАЕМЫЕ КЛИЕНТЫ!
C 19 ДЕКАБРЯ 2025 ПО 02 МАРТА 2026 ГОДА ОТДЕЛ ЗАПЧАСТЕЙ И СЕРВИС РАБОТАТЬ НЕ БУДУТ
ПРОДАЖА ЛОДОЧНЫХ МОТОРОВ В ШТАТНОМ РЕЖИМЕ
ОБ ИЗМЕНЕНИЯХ В ГРАФИКЕ РАБОТЫ ЧИТАЙТЕ НА САЙТА




Выбрать другую модель

назад Раздел:   вперёд

вернуться к списку узлов и деталей

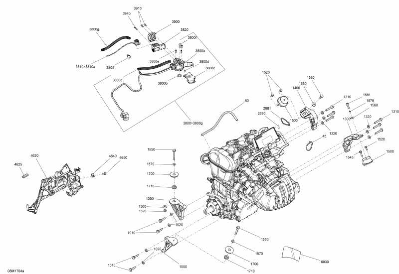
ДЕТАЛИРОВКА ДЛЯ МОДЕЛИ: SKIDOO EXPEDITION - 4-STROKE - SPORT, 2017

Раздел: Двигатель - 900 Ace | Engine - 900 Ace


snowmobile Ski-doo EXPEDITION - 4-STROKE - SPORT, 2017 раздел - Двигатель 900 Ace

Номер на
рисунке
АртикулНаименованиеКол-во
на складе
Цена
45 414115200

Tie-Rap 180 mm (Tie-Rap 180 mm)

под заказ130 руб.
45 414587300

TIE RAP *TIE-RAP

под заказ110 руб.
50 512061067

Защита Трубка (Protector Tube)

под заказ1640 руб.
1000 512061139

Rear Sвышеport PTO (Rear Support PTO)

под заказ1710 руб.
1010 207583586

Hex. Фланецd Винт M8 X 35, Scotch Рукоятка (Hex. Flanged Screw M8 X 35, Scotch Grip)

под заказ572 руб.
1020 250200146

Коническая пружинная шайба M8 (Conical Spring Washer M8)

под заказ101 руб.
1200 512061140

Front Sвышеport PTO (Front Support PTO)

под заказ1310 руб.
1300 512061142

Rear Sвышеport MAG (Rear Support MAG)

под заказ2070 руб.
1310 207584544

Hex. Фланецd Винт M8 X 45, Scotch Рукоятка (Hex. Flanged Screw M8 X 45, Scotch Grip)

под заказ284 руб.
1320 250200157

Коническая пружинная шайба M8 (Conical Spring Washer M8)

под заказ175 руб.
1400 512061141

Front Sвышеport MAG (Front Support MAG)

под заказ1380 руб.
1500 512060729

Монтажная резинка (Rubber Mount)

под заказ5030 руб.
1500 512060457

TAMPON ANCRAGE *RUBBER MOUNT

под заказ3930 руб.
1500 SM-09558

     (не оригинальная запчасть) Опора (подушка) двигателя BRP SM-09558

под заказ2 300 руб.
1520 207561644

Hex. Фланецd Винт M6 X 16, Scotch Рукоятка (Hex. Flanged Screw M6 X 16, Scotch Grip)

под заказ284 руб.
1545 207562534

Hex. Фланецd Винт M6 X 25, Scotch Рукоятка (Hex. Flanged Screw M6 X 25, Scotch Grip)

под заказ572 руб.
1550 207586044

Hex. Фланецd Винт M8 X 60, Scotch Рукоятка (Hex. Flanged Screw M8 X 60, Scotch Grip)

под заказ284 руб.
1560 503183200

Шайба, жёлтый (Washer, Yellow)

под заказ284 руб.
1560 503169800

RONDELLE JAUNE *WASHER-YELLOW

под заказ230 руб.
1570 250200008

плоский Шайба With Teflon 8 mm (Flat Washer With Teflon 8 mm)

под заказ572 руб.
1575 293300123

Уплотнительное кольцо (O-Ring)

под заказ263 руб.
1580 250000257

Cone Винт, M8 X 30 (Cone Screw, M8 X 30)

под заказ178 руб.
1581 250000639

Cone Винт, M8 X 25 (Cone Screw, M8 X 25)

под заказ1290 руб.
1595 232581414

Hex. Эластичная гайка со стопором M8 (Hex. Elastic Stop Nut M8)

под заказ136 руб.
1595 420942030

NUT-LOCK M8

под заказ110 руб.
1700 512060826

Стопор (Stopper)

под заказ1380 руб.
1710 512060285

Проставка (Spacer)

под заказ1310 руб.
2681 293750008

Tie-Rap 350 mm (Tie-Rap 350 mm)

под заказ138 руб.
2681 748001001

TIE RAP 350MM *TIE RAP 350MM

под заказ110 руб.
2690 293650025

Oetiker Шестерня Струбцина (Oetiker Gear Clamp)

под заказ284 руб.
3800>512061113

Корпус в сборе. Includes 3800 to 3800g (Housing Assy. Includes 3800 to 3800g)

под заказ20500 руб.
3800a 415130047

-Handle Assembly kit (-Handle Assembly kit)

под заказ7980 руб.
3800b XXX

Вал Сальник (Shaft Seal)

3800c 512060862

Колпачок (Cap)

под заказ1000 руб.
3800d 250000623

Torx Винт M2.9 x 9.5 (Torx Screw M2.9 x 9.5)

под заказ311 руб.
3800e 250000671

Torx Винт (Torx Screw)

под заказ101 руб.
3800f 250000528

Torx Винт M5 X 20 (Torx Screw M5 X 20)

под заказ284 руб.
3800g 515177716

Защита Трубка (Protector Tube)

под заказ266 руб.
3800g 515177715

GAINE *TUBING

под заказпо запросу
3805 293750002

Tie-Rap 142 mm (Tie-Rap 142 mm)

под заказ130 руб.
3810>515177362

Kill Переключатель. Includes 3810 to 3810a (Kill Switch. Includes 3810 to 3810a)

под заказ7040 руб.
3810>515177061

Kill Switch

под заказ5510 руб.
3810>SM-01572

     (не оригинальная запчасть) Кнопка выключения двигателя BRP SM-01572

под заказ3 390 руб.
3810a 515175232

Male Клемма (Male Terminal)

под заказ572 руб.
3820 512060844

Sвышеport (Support)

под заказ625 руб.
3840 250000263

Torx Винт #8-18 (Torx Screw #8-18)

под заказ43 руб.
3840 250000100

SCREW TYPE #8-18 HI-LO

под заказ40 руб.
3900 512060987

Передняя часть корпуса (Front Housing)

под заказ625 руб.
3910 250000632

Torx Винт M5 X 14 (Torx Screw M5 X 14)

под заказ731 руб.
4620 512060994

Module Sвышеport (Module Support)

под заказ1050 руб.
4625 271001530

Trim (Trim)

под заказ1150 руб.
4640 250000079

Panel Гайка M5 X 0.8 (Panel Nut M5 X 0.8)

под заказ242 руб.
4650 207552044

Hex. Фланецd Винт M5 X 20, Scotch Рукоятка (Hex. Flanged Screw M5 X 20, Scotch Grip)

под заказ284 руб.
6030 516007500

Наклейка (Decal)

под заказ670 руб.
ski-doo

Время выполнения запроса 1.1011848449707 сек.


 
 

данный сайт носит информационный характер и не является публичной офертой

склад запчастей для водомоторной техники