| |
Выбрать другую модель
вернуться к списку узлов и деталей ДЕТАЛИРОВКА ДЛЯ МОДЕЛИ: SKIDOO Skandic WT 550F XU, 2014
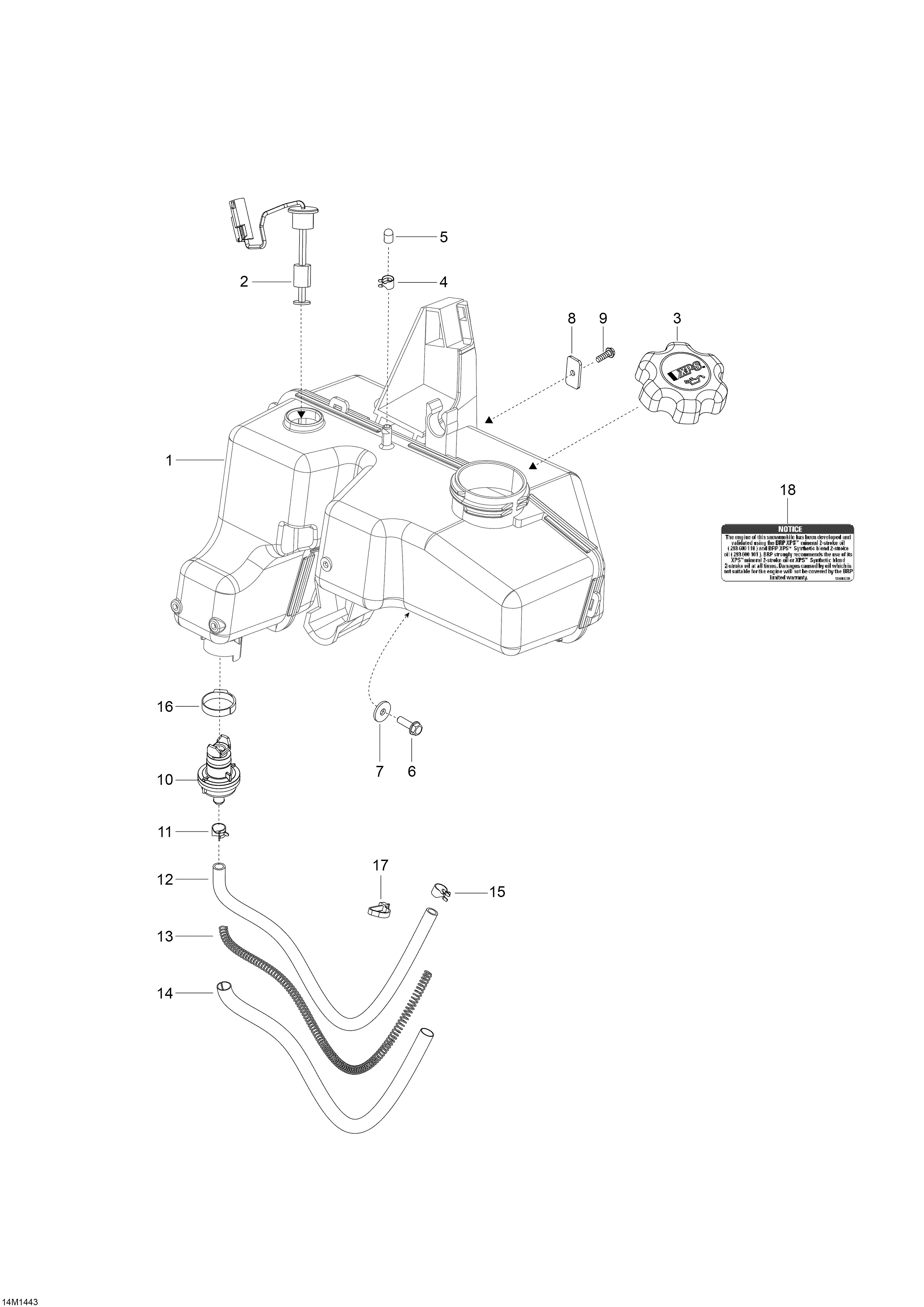
Раздел: Oil System | Oil System
Номер на рисунке | Артикул | Наименование | Кол-во на складе | Цена |
| 1 | 519000255 | Масляный бак (Oil Tank) | под заказ | 21100 руб. |
| 2 | 515176978 | Level Датчик (Level Sensor) | под заказ | 4140 руб. |
| 3 | 519000273 | Колпачок (Cap) | под заказ | 1380 руб. |
| 4 | 293650043 | Oetiker Шестерня Струбцина (Oetiker Gear Clamp) | под заказ | 284 руб. |
| 4 | 270500401 | PINCE *CLIP | под заказ | 230 руб. |
| 5 | 519000216 | Колпачок (Cap) | под заказ | 385 руб. |
| 6 | 250000331 | Hex. Фланецd Винт M6 X 20, Scotch Рукоятка (Hex. Flanged Screw M6 X 20, Scotch Grip) | под заказ | 284 руб. |
| 7 | 224061201 | плоский Шайба (Flat Washer) | под заказ | 284 руб. |
| 7 | 224061200 | WASHER-FLAT | под заказ | 230 руб. |
| 8 | 519000179 | Кронштейн (Bracket) | под заказ | 627 руб. |
| 9 | 241151640 | Hex. Фланецd Винт K50 X 16 (Hex. Flanged Screw K50 X 16) | под заказ | 284 руб. |
| 10 | 519000242 | Масляный фильтр (Oil Filter) | под заказ | 872 руб. |
| 10 | 519000241 | JOINT TORIQUE *O RING | под заказ | 710 руб. |
| 11 | 414415200 | Пружина Струбцина (Spring Clamp) | под заказ | 138 руб. |
| 12 | 415080700 | Polyurethane Шланг, 8 mm (Polyurethane Hose, 8 mm) | под заказ | 1150 руб. |
| 12 | 519000230 | BOYAU *HOSE | под заказ | 900 руб. |
| 13 | 519000196 | Пружина (Spring) | под заказ | 627 руб. |
| 14 | 415079900 | Трубопровод 10 mm (Tubing 10 mm) | под заказ | 284 руб. |
| 14 | 710001437 | GAINE *PROTECTOR TUBE | под заказ | 230 руб. |
| 15 | 414420700 | Пружина Струбцина (Spring Clamp) | под заказ | 138 руб. |
| 15 | 27414420700 | SPRING CLIP 414420700 | под заказ | 110 руб. |
| 16 | 293650099 | Crimp Струбцина (Crimp Clamp) | под заказ | 428 руб. |
| 17 | 414115200 | Tie-Rap 180 mm (Tie-Rap 180 mm) | под заказ | 130 руб. |
| 17 | 414587300 | TIE RAP *TIE-RAP | под заказ | 110 руб. |
| 18 | 516005651 | Notice Наклейка, Oil (Notice Decal, Oil) | под заказ | по запросу |

Время выполнения запроса 0.70244789123535 сек.
|
|