вконтакте

Контактный телефон: +7 (981) 121-46-93, +7 (800) 200-90-76 , Email: parts-katalog@yandex.ru, где купить

 
 

  Логин:

Пароль:

Регистрация

www.partskatalog.ru Все каталоги Запчасти Mercury Запчасти Suzuki Запчасти Tohatsu Запчасти Honda Контакты



УВАЖАЕМЫЕ КЛИЕНТЫ!
C 19 ДЕКАБРЯ 2025 ПО 02 МАРТА 2026 ГОДА ОТДЕЛ ЗАПЧАСТЕЙ И СЕРВИС РАБОТАТЬ НЕ БУДУТ
ПРОДАЖА ЛОДОЧНЫХ МОТОРОВ В ШТАТНОМ РЕЖИМЕ
ОБ ИЗМЕНЕНИЯХ В ГРАФИКЕ РАБОТЫ ЧИТАЙТЕ НА САЙТА




Выбрать другую модель

назад Раздел:   вперёд

вернуться к списку узлов и деталей

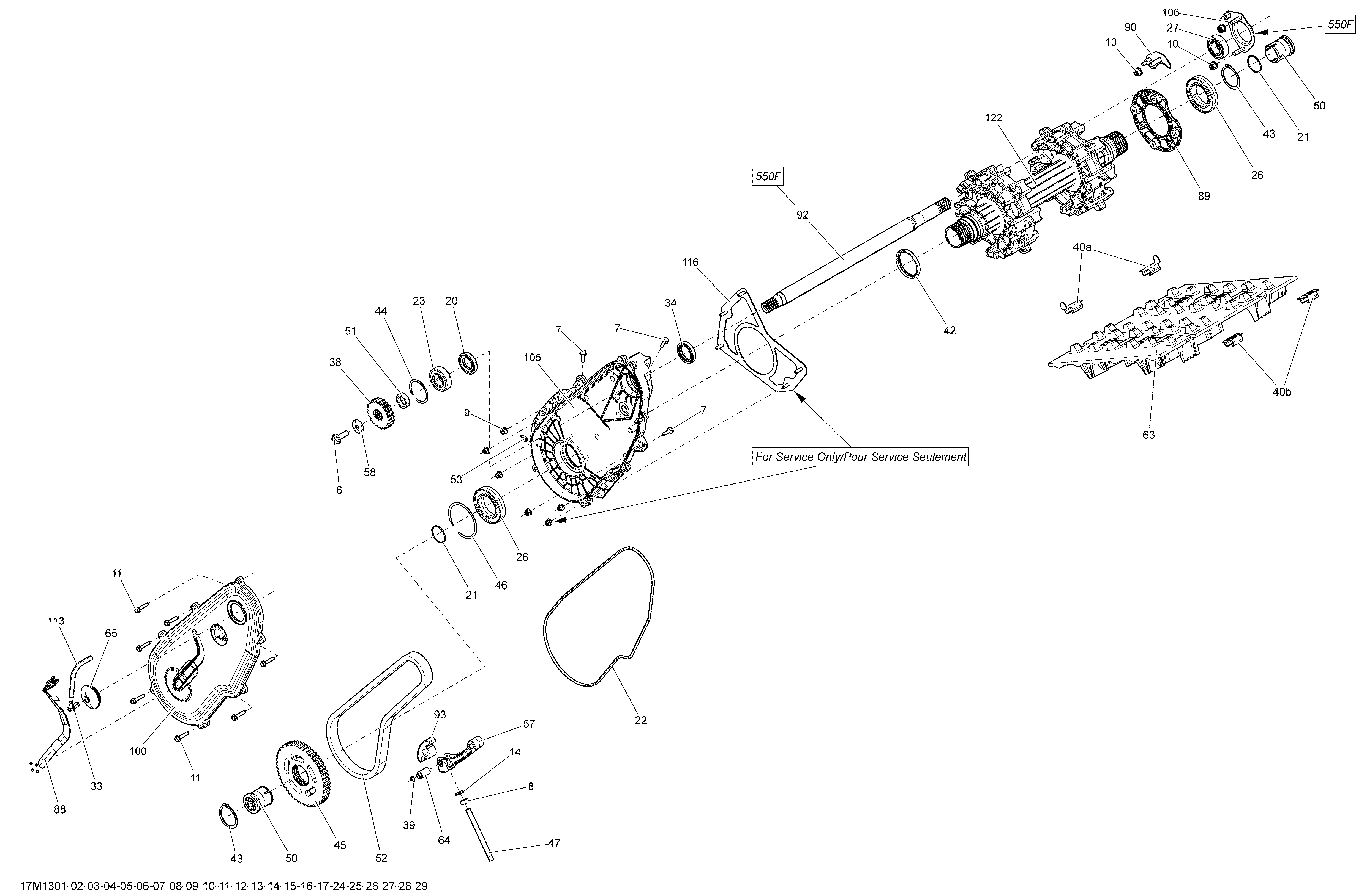
ДЕТАЛИРОВКА ДЛЯ МОДЕЛИ: SKIDOO EXPEDITION SPORT 550F XP, 2013

Раздел: Drive System | Drive System


snowmobile BRP SkiDoo EXPEDITION SPORT 550F XP, 2013 раздел - Drive System

Номер на
рисунке
АртикулНаименованиеКол-во
на складе
Цена
6 207503046

Hex. Фланецd Винт M10 X 30, Scotch Рукоятка (Hex. Flanged Screw M10 X 30, Scotch Grip)

под заказ284 руб.
7 207662034

Hex. Фланецd Винт M6 X 20 (Hex. Flanged Screw M6 X 20)

под заказ284 руб.
8 232006414

Hex. Гайка M10 (Hex. Nut M10)

под заказ284 руб.
8 420242091

NUT-HEX.M10

под заказ230 руб.
9 233261434

Фланецd Elastic Гайка M6 (Flanged Elastic Nut M6)

под заказ284 руб.
10233281414

Hex. Фланецd Elastic Гайка M8 (Hex. Flanged Elastic Nut M8)

под заказ284 руб.
11210263080

Hex. Фланецd Винт M6 X 30 (Hex. Flanged Screw M6 X 30)

под заказ242 руб.
11732600004

SCREW-FORMING HEX.HD.FL.GM6174

под заказ230 руб.
14250200100

Bonded Шайба (Bonded Washer)

под заказ284 руб.
20293250175

Сальник (Oil Seal)

под заказ978 руб.
20SM-03351

     (не оригинальная запчасть) Сальник КПП (верхний) BRP SM-03351

под заказ380 руб.
21293300122

Уплотнительное кольцо (O-Ring)

под заказ146 руб.
21SM-03178

     (не оригинальная запчасть) Комплект подшипников BRP SM-03178

под заказ2 620 руб.
22293300130

Уплотнительное кольцо (O-Ring)

под заказ529 руб.
22504152583

JOINT ETANCHE *GASKET

под заказ550 руб.
22SM-03347

     (не оригинальная запчасть) Прокладка КПП BRP SM-03347

под заказ710 руб.
23293350055

Шариковый подшипник (Ball Bearing)

под заказ731 руб.
23R0139A-2.401A

     (не оригинальная запчасть) Ролик (каток) BRP R0139A-2.401A

под заказ4 000 руб.
23R0135F-2.401A

     (не оригинальная запчасть) Ролик (каток) BRP R0135F-2.401A

под заказ5 420 руб.
23R0165G-2.401A

     (не оригинальная запчасть) Ролик (каток) BRP R0165G-2.401A

под заказ5 740 руб.
236205DDUCM NS7SX

     (не оригинальная запчасть) Подшипник 6205DDUCM (6205DDUCM NS7SX)

под заказ420 руб.
23SM-03168

     (не оригинальная запчасть) Комплект подшипников BRP SM-03168

под заказ2 050 руб.
236205DDUCM & **NS7SX

     (не оригинальная запчасть) Подшипник 6205DDUCM (6205DDUCM & **NS7SX)

под заказ590 руб.
23SM-03209

     (не оригинальная запчасть) Ремкомплект трансмиссии снегохода BRP SM-03209

под заказ2 710 руб.
23UP-04041

     (не оригинальная запчасть) Подшипник 6205-2RS UP-04041

под заказ330 руб.
26293350059

Шариковый подшипник (Ball Bearing)

под заказ3950 руб.
26504152573

ROULEMENT BILLE*BALL BEARING

под заказпо запросу
266010DUCM D 5

     (не оригинальная запчасть) Подшипник 6010DUCM (6010DUCM D 5)

под заказ1 270 руб.
26SM-03178

     (не оригинальная запчасть) Комплект подшипников BRP SM-03178

под заказ2 620 руб.
27293350074

Шариковый подшипник (Ball Bearing)

под заказ3000 руб.
27CS205LLU X AS3S5

     (не оригинальная запчасть) Подшипник CS205LLU (CS205LLU X AS3S5)

под заказ1 150 руб.
33414580700

Male Коннектор (Male Connector)

под заказ428 руб.
33414388900

RACCORD MALE *CONNECTOR-MALE

под заказ340 руб.
34415049300

Сальник (Oil Seal)

под заказ978 руб.
34SM-03047

     (не оригинальная запчасть) Сальник КПП (верхний) BRP SM-03047

под заказ390 руб.
34SM-03168

     (не оригинальная запчасть) Комплект подшипников BRP SM-03168

под заказ2 050 руб.
38504152031

Цепное колесо ЗВЕЗДОЧКА, 19 Teeth (Sprocket, 19 Teeth)

под заказ7860 руб.
39504152282

Стопорное кольцо (Circlip)

под заказ284 руб.
39420245330

CIRCLIP *RING-SNAP

под заказ230 руб.
42504152571

Сальник (Seal)

под заказ970 руб.
42SM-03350

     (не оригинальная запчасть) Сальник КПП (нижний) BRP SM-03350

под заказ420 руб.
42SM-03178

     (не оригинальная запчасть) Комплект подшипников BRP SM-03178

под заказ2 620 руб.
42SM-03229

     (не оригинальная запчасть) Сальник КПП (нижний) BRP SM-03229

под заказ660 руб.
43504152572

Стопорное кольцо (Circlip)

под заказ452 руб.
44504152576

Стопорное кольцо (Circlip)

под заказ670 руб.
44SM-03209

     (не оригинальная запчасть) Ремкомплект трансмиссии снегохода BRP SM-03209

под заказ2 710 руб.
45504152593

Цепное колесо ЗВЕЗДОЧКА, 45 Teeth (Sprocket, 45 Teeth)

под заказ11030 руб.
46504152582

Стопорное кольцо (Circlip)

под заказ670 руб.
47504152602

Adjustment Винт (Adjustment Screw)

под заказ689 руб.
50504152619

Magnetic Колпачок (Magnetic Cap)

под заказ1930 руб.
50504152620

CAPUCHON *CAP

под заказ1260 руб.
51504152628

Регулировочная шайба (Shim)

под заказ601 руб.
52504152579

Drive Цепь, 102 Соединительs (Drive Chain, 102 Links)

под заказ10500 руб.
53504152636

Magnetic Заглушка (Magnetic Plug)

под заказ689 руб.
57504152685

Цепь Tensioner (Chain Tensioner)

под заказ1030 руб.
58504152784

Пружинная шайба M10 (Spring Washer M10)

под заказ351 руб.
63504152761

Track в сборе, 16X154X1.5 (Track Assy, 16X154X1.5)

под заказ87500 руб.
64504152841

Tensionner Axle (Tensionner Axle)

под заказ1060 руб.
65504152860

Колпачок (Cap)

под заказ1580 руб.
65504152796

BOUCHON REMPL. *CAP-FILLER

под заказ900 руб.
88504152896

Датчик (Sensor)

под заказ2570 руб.
88504152732

SENSOR ASS

под заказ1650 руб.
88SM-01253

     (не оригинальная запчасть) Датчик скорости BRP SM-01253

под заказ3 120 руб.
89504152949

Корпус Подшипник (Housing Bearing)

под заказ1150 руб.
90504152974

Подшипник Корпус (Bearing Housing)

под заказ1230 руб.
90504152633

LOGEMENT ROUL. *HOUS. BEARING

под заказпо запросу
92504153000

CounterВал (Countershaft)

под заказ41900 руб.
93504153031

Slider Цепь в сборе (Slider Chain Assy)

под заказ4270 руб.
93504152739

GLISSIERE CHAIN*CHAIN-SLIDER

под заказ5000 руб.
93SM-03361

     (не оригинальная запчасть) Башмак натяжителя приводной цепи BRP SM-03361

под заказ4 220 руб.
10504153147

Цепьcase Крышка в сборе (Chaincase Cover Assy)

под заказ23400 руб.
10504153181

Цепьcase (Chaincase)

под заказ23400 руб.
10504152914

CARTER CHAINE *CHAIN CASE

под заказ20500 руб.
10504153185

Подшипник Корпус (Bearing Housing)

под заказ1640 руб.
11415080200

Шланг, Polyurethane (Hose, Polyurethane)

под заказ1150 руб.
11709000183

BOYAU POLYURE *POLYURETHANE H

под заказпо запросу
11518325816

Пластина (Plate)

под заказ5430 руб.
12504153083

Drive Axle в сборе (Drive Axle Assy)

под заказ30700 руб.
12504152894

ARBRE ENTR.ASS.*AXLE-DRIVE ASSY

под заказ28200 руб.
40415129222

Cleat (Cleat)

под заказ213 руб.
40504152652

Cleat (Cleat)

под заказ283 руб.
40504151828

AGRAFE *CLEAT

под заказ260 руб.
ski-doo

Время выполнения запроса 3.1980748176575 сек.


 
 

данный сайт носит информационный характер и не является публичной офертой

склад запчастей для водомоторной техники