вконтакте

Контактный телефон: +7 (981) 121-46-93, +7 (800) 200-90-76 , Email: parts-katalog@yandex.ru, где купить

 
 

  Логин:

Пароль:

Регистрация

www.partskatalog.ru Все каталоги Запчасти Mercury Запчасти Suzuki Запчасти Tohatsu Запчасти Honda Контакты



УВАЖАЕМЫЕ КЛИЕНТЫ!
C 31 ОКТЯБРЯ 2025 ПО 10 НОЯБРЯ 2025 ГОДА РАБОТАТЬ НЕ БУДЕМ




Выбрать другую модель

назад Раздел:   вперёд

вернуться к списку узлов и деталей

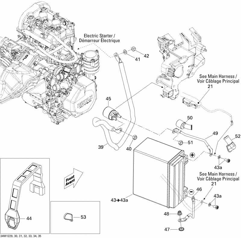
ДЕТАЛИРОВКА ДЛЯ МОДЕЛИ: SKIDOO Tundra LT 600ACE LFF, 2012

Раздел: Battery и Стартер | Battery And Starter


снегоход Skidoo Tundra LT 600ACE LFF, 2012 - Battery и Стартер

Номер на
рисунке
АртикулНаименованиеКол-во
на складе
Цена
21515177126

Main Жгут проводов в сборе (Main Harness Assy)

под заказ29900 руб.
39515176966

Battery Провод (Battery Wire)

под заказ2280 руб.
40232561414

Эластичная гайка со стопором M6 (Elastic Stop Nut M6)

под заказ130 руб.
40420842040

NUT-STOP ELASTIC DIN.985

под заказ110 руб.
41234061410

плоский Шайба 6 mm (Flat Washer 6 mm)

под заказ263 руб.
41711244213

RONDELLE *WASHER

под заказ210 руб.
42232561414

Эластичная гайка со стопором M6 (Elastic Stop Nut M6)

под заказ130 руб.
42420842040

NUT-STOP ELASTIC DIN.985

под заказ110 руб.
43296000295

Battery 18 Amp (Battery 18 Amp)

2 шт12230 руб.
43415129898

BATTERIE 18 AMP*BATTERY 18 AMP

под заказ11300 руб.
43295500849

Battery Защелка Kit (Battery Fastener Kit)

под заказ672 руб.
43250000282

BOULON BATTERIE*BOLT KIT

под заказ860 руб.
44515176944

Хомут (Strap)

под заказ691 руб.
45515176942

Стартер Реле (Starter Relay)

под заказ3570 руб.
46515176943

Провод заземления (Ground Wire)

под заказ1080 руб.
47250200041

Шайба с блокировкой Serrated M6 (Lock Washer Serrated M6)

под заказ284 руб.
47250200000

WASHER-LOCK SERRATED INT.& EXT.M6

под заказ230 руб.
48233261414

Hex. Фланецd Elastic Гайка M6 (Hex. Flanged Elastic Nut M6)

под заказ284 руб.
49515177007

Battery Провод (Battery Wire)

под заказ1080 руб.
50515175919

Защита Колпачок (Protector Cap)

под заказ1290 руб.
51232561414

Эластичная гайка со стопором M6 (Elastic Stop Nut M6)

под заказ130 руб.
51420842040

NUT-STOP ELASTIC DIN.985

под заказ110 руб.
52710000495

Защита Колпачок (Protector Cap)

под заказ1000 руб.
53414115200

Tie-Rap 180 mm (Tie-Rap 180 mm)

под заказ130 руб.
53414587300

TIE RAP *TIE-RAP

под заказ110 руб.
53293750008

Tie-Rap 350 mm (Tie-Rap 350 mm)

под заказ138 руб.
53748001001

TIE RAP 350MM *TIE RAP 350MM

под заказ110 руб.
53293750002

Tie-Rap 142 mm (Tie-Rap 142 mm)

под заказ130 руб.
53293750001

Tie-Rap 94 mm (Tie-Rap 94 mm)

под заказ90 руб.
53420866718

TIE RAP *TIE-RAP

под заказ110 руб.
53414115200

Tie-Rap 180 mm (Tie-Rap 180 mm)

под заказ130 руб.
53414587300

TIE RAP *TIE-RAP

под заказ110 руб.
53293750009

Tie-Rap 173 mm (Tie-Rap 173 mm)

под заказ138 руб.
ski-doo

Время выполнения запроса 1.7234859466553 сек.


 
 

данный сайт носит информационный характер и не является публичной офертой

склад запчастей для водомоторной техники