| |
Выбрать другую модель
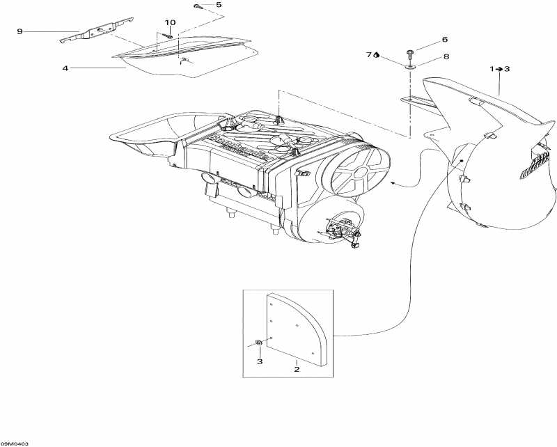
вернуться к списку узлов и деталей ДЕТАЛИРОВКА ДЛЯ МОДЕЛИ: SKIDOO Skandic 550F, 2004
Раздел: Охлаждение System Skandic (550f) | Cooling System Skandic (550f)
Номер на рисунке | Артикул | Наименование | Кол-во на складе | Цена |
| 1 | 509000218 | вход Duct. INCLUDES 1 TO 3 (Inlet Duct. INCLUDES 1 TO 3) | под заказ | 2270 руб. |
| 2 | 509000152 | Foam (Foam) | под заказ | по запросу |
| 3 | 389804300 | Push Гайка (Push Nut) | под заказ | 133 руб. |
| 4 | 509000118 | выход Duct (Outlet Duct) | под заказ | по запросу |
| 5 | 250000068 | Hex Саморез #8 X 5 / 82 (Hex Tapping Screw #8 X 5/82) | под заказ | 133 руб. |
| 6 | 241151640 | Hex Фланецd Винт K50 X 16 (Hex Flanged Screw K50 X 16) | под заказ | 284 руб. |
| 7 | 413408300 | Glue Трубка, Loctite 454, 20G (Glue Tube, Loctite 454, 20G) | под заказ | 2180 руб. |
| 8 | 391301600 | Шайба (Washer) | под заказ | 130 руб. |
| 9 | 509000164 | Sвышеport (Support) | под заказ | по запросу |
| 10 | 732601210 | Hex Фланецd Винт #8 X 3 / 8 (Hex Flanged Screw #8 X 3/8) | под заказ | по запросу |

Время выполнения запроса 0.84291005134583 сек.
|
|