| |
Выбрать другую модель
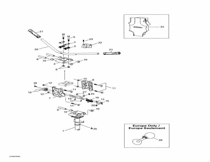
вернуться к списку узлов и деталей ДЕТАЛИРОВКА ДЛЯ МОДЕЛИ: SKIDOO Legend SE 800 SDI, 2003
Раздел: Handlebar - Adjustable | Handlebar - Adjustable
Номер на рисунке | Артикул | Наименование | Кол-во на складе | Цена |
| 1 | 506151429 | Main Трубка (Main Tube) | под заказ | 9850 руб. |
| 2 | 506151147 | Machined Струбцина (Machined Clamp) | под заказ | 2370 руб. |
| 3 | 506151622 | Рулевая опора (Steering Support) | под заказ | 1350 руб. |
| 3 | 709400919 | SUPPORT GUIDON *STEERING SUPP. | под заказ | 1720 руб. |
| 4 | 506151196 | Reinдляcement (Reinforcement) | под заказ | 335 руб. |
| 4 | 709400509 | RENFORT *STIFFENER | под заказ | 430 руб. |
| 5 | 207086044 | Шестигранный винт M8 x 60 (Hex. Screw M8 x 60) | под заказ | 284 руб. |
| 5 | 702000015 | BOULON *BOLT | под заказ | 230 руб. |
| 6 | 233281414 | Эластичная гайка со стопором M8 (Elastic Stop Nut M8) | под заказ | 284 руб. |
| 7 | 506151156 | Front Рычаг (Front Arm) | под заказ | 391 руб. |
| 8 | 506151152 | Rear Рычаг (Rear Arm) | под заказ | 183 руб. |
| 9 | 506151146 | Проставка (Spacer) | под заказ | 175 руб. |
| 10 | 506151153 | Подушка (Cushion) | под заказ | по запросу |
| 11 | 207688044 | Hex. Фланецd Винт M8 x 80 (Hex. Flanged Screw M8 x 80) | под заказ | 572 руб. |
| 12 | 233281414 | Elastic Фланецd Гайка M8 (Elastic Flanged Nut M8) | под заказ | 284 руб. |
| 13 | 506151162 | Lock (Lock) | под заказ | по запросу |
| 14 | 506151240 | Пластина (Plate) | под заказ | 175 руб. |
| 15 | 207141044 | Шестигранный винт M4 x 10 (Hex. Screw M4 x 10) | под заказ | 284 руб. |
| 15 | 222041065 | SCREW-HEX.CAP DIN.933 | под заказ | 230 руб. |
| 16 | 506151219 | Пружина (Spring) | под заказ | 681 руб. |
| 17 | 414274500 | Стопорное кольцо (Circlip) | под заказ | 138 руб. |
| 18 | 506151188 | Handle (Handle) | под заказ | 659 руб. |
| 19 | 205041284 | Socket Head Винт M4 x 12 (Socket Head Screw M4 x 12) | под заказ | 242 руб. |
| 20 | 506151685 | Handlebar (Handlebar) | под заказ | 4970 руб. |
| 21 | 506151714 | Рукоятка (Grip) | под заказ | 2970 руб. |
| 21 | 506152238 | GAINE POIGNEE *GRIP-HANDLE | под заказ | 4710 руб. |
| 22 | 506151566 | Адаптер (Adaptor) | под заказ | 1010 руб. |
| 23 | 206581244 | Socket Установочный винт M8 x 12 (Socket Set Screw M8 x 12) | под заказ | 284 руб. |
| 24 | 506151598 | Рулевая колодкаding (Steering Padding) | под заказ | 10610 руб. |
| 25 | 219700417 | Synthetic Смазка, 400g (Synthetic Grease, 400g) | под заказ | 7860 руб. |
| 25 | 293550033 | SYNTHETIC GREASE 10X14OZ (1шт=1кор=10 туб) | под заказ | 10050 руб. |
| 26 | 293800060 | Loctite 243, 10 ml (Loctite 243, 10 ml) | под заказ | 2150 руб. |
| 26 | 420897651 | LOCTITE-243 | под заказ | по запросу |
| 27 | 517302265 | Шайба (Washer) | под заказ | 487 руб. |
| 28 | 415040700 | Horn (Европа) Grand TouКольцо SE 800 SDI. (Horn (Europe). Grand Touring SE 800 SDI.) | под заказ | 1980 руб. |
| 28 | 549011291 | AVERTISSEUR *HORN | под заказ | 2570 руб. |

Время выполнения запроса 1.86079621315 сек.
|
|