вконтакте

Контактный телефон: +7 (981) 121-46-93, +7 (800) 200-90-76 , Email: parts-katalog@yandex.ru, где купить

 
 

  Логин:

Пароль:

Регистрация

www.partskatalog.ru Все каталоги Запчасти Mercury Запчасти Suzuki Запчасти Tohatsu Запчасти Honda Контакты



УВАЖАЕМЫЕ КЛИЕНТЫ!
C 31 ОКТЯБРЯ 2025 ПО 10 НОЯБРЯ 2025 ГОДА РАБОТАТЬ НЕ БУДЕМ




Выбрать другую модель

назад Раздел:   вперёд

вернуться к списку узлов и деталей

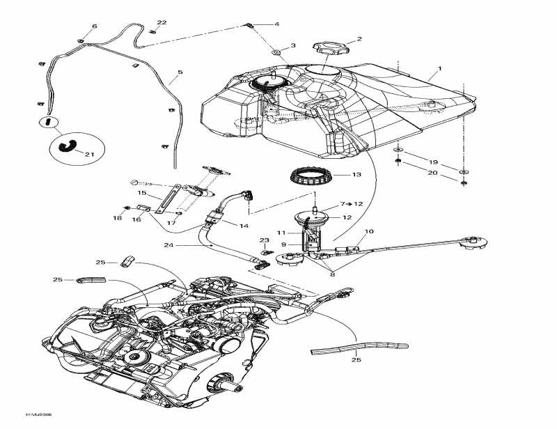
ДЕТАЛИРОВКА ДЛЯ МОДЕЛИ: SKIDOO Legend V-1000, 2003

Раздел: Топливная система | Fuel System


снегоход ski-doo модель Legend V-1000, 2003 - Топливная система

Номер на
рисунке
АртикулНаименованиеКол-во
на складе
Цена
1 513033005

Топливный бак (Fuel tank)

под заказ14790 руб.
2 513033020

Топливный бак Колпачок (Fuel tank cap)

под заказ2210 руб.
2 605450901

BOUCHON RESER.*CAP FUEL TANK

под заказ3590 руб.
2 SM-07092

     (не оригинальная запчасть) Крышка топливного бака BRP SM-07092

под заказ1 920 руб.
3 513032908

Пыльник (Grommet)

под заказ627 руб.
4 414814100

Male Коннектор (Male connector)

под заказ300 руб.
5 415080100

Primer line (Primer line)

под заказ186 руб.
5 420256032

CONDUIT D-HUILE*LINE-OIL 560MM

под заказ150 руб.
6 513032923

Трубка Струбцина (Tube clamp)

под заказ215 руб.
7 513033006

Топливный насос module. Includes 7 - 12. (Fuel pump module. Includes 7 - 12.)

под заказ55400 руб.
7 513033101

MODULE-FUEL P.

под заказ60400 руб.
8 861301700

Топливный шланг kit (Fuel hose kit)

под заказпо запросу
8 861302300

ENS. BOYAU ESS*KIT FUEL HOSE

под заказпо запросу
9 861301800

Resistor card kit (Resistor card kit)

под заказпо запросу
10861301900

Поплавок Рычаг kit (Float lever kit)

под заказпо запросу
11861302000

Топливный насос Kit (Fuel Pump Kit)

под заказ16870 руб.
1119184

PUMP KIT

под заказ15490 руб.
12861302100

Регулятор kit (Regulator kit)

под заказ13960 руб.
1219185

REGULATOR KIT

под заказ6660 руб.
12SM-07281

     (не оригинальная запчасть) Регулятор давления топлива BRP SM-07281

под заказ4 930 руб.
12SM-07218

     (не оригинальная запчасть) Топливный насос BRP SM-07218

под заказ7 340 руб.
13513033040

Гайка (Топливный насос module) (Nut (fuel pump module))

под заказ2150 руб.
14513033078

Топливный фильтр в сборе (Fuel filter assy)

под заказ6000 руб.
15513033057

Фильтр sвышеport (Filter support)

под заказ175 руб.
16513033047

Open Струбцина (Open clamp)

под заказ428 руб.
17207161444

Шестигранный винт M6 x 14 (Hex. screw M6 x 14)

под заказ130 руб.
17222061465

SCREW-HEX.CAP DIN.933

под заказ110 руб.
18233261414

Elastic Фланецd Гайка M6 (Elastic flanged nut M6)

под заказ284 руб.
19234082410

плоский Шайба M8 (Flat washer M8)

под заказ263 руб.
19702000064

RONDELLE *WASHER

под заказ210 руб.
20232581414

Эластичная гайка со стопором M8 (Elastic stop nut M8)

под заказ136 руб.
20420942030

NUT-LOCK M8

под заказ110 руб.
21414818200

Пружина (Spring)

под заказ218 руб.
22414479100

Зажим (Clip)

под заказ284 руб.
23513033082

Open Струбцина (Open clamp)

под заказпо запросу
24513033083

Трубопровод 16 mm (Tubing 16 mm)

под заказпо запросу
25415080000

Трубопровод 16 mm (Tubing 16 mm)

под заказ715 руб.
25513033461

PROTECTOR TUBE

под заказ560 руб.
ski-doo

Время выполнения запроса 4.5017330646515 сек.


 
 

данный сайт носит информационный характер и не является публичной офертой

склад запчастей для водомоторной техники