вконтакте

Контактный телефон: +7 (981) 121-46-93, +7 (800) 200-90-76 , Email: parts-katalog@yandex.ru, где купить

 
 

  Логин:

Пароль:

Регистрация

www.partskatalog.ru Все каталоги Запчасти Mercury Запчасти Suzuki Запчасти Tohatsu Запчасти Honda Контакты



УВАЖАЕМЫЕ КЛИЕНТЫ!
C 19 ДЕКАБРЯ 2025 ПО 02 МАРТА 2026 ГОДА ОТДЕЛ ЗАПЧАСТЕЙ И СЕРВИС РАБОТАТЬ НЕ БУДУТ
ПРОДАЖА ЛОДОЧНЫХ МОТОРОВ В ШТАТНОМ РЕЖИМЕ
ОБ ИЗМЕНЕНИЯХ В ГРАФИКЕ РАБОТЫ ЧИТАЙТЕ НА САЙТА




Выбрать другую модель

Раздел:   вперёд

вернуться к списку узлов и деталей

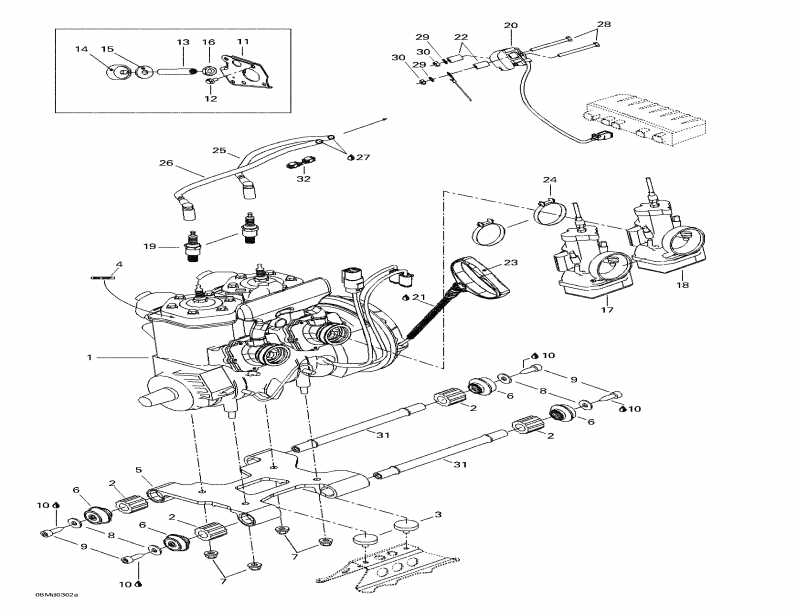
ДЕТАЛИРОВКА ДЛЯ МОДЕЛИ: SKIDOO MX Z X 440, 2003

Раздел: Двигатель 1 | Engine 1


снегоход  модель MX Z X 440, 2003 - Двигатель 1

Номер на
рисунке
АртикулНаименованиеКол-во
на складе
Цена
1 400409419

<<453>> Двигатель (<<453>> engine)

под заказпо запросу
2 512059781

Демпфер (Damper)

под заказ365 руб.
3 512059738

Стопор (Stopper)

под заказ1710 руб.
4 516000986

Наклейка - свеча зажигания (Spark Plug Decal)

под заказ333 руб.
5 512059754

Двигатель sвышеport (Engine support)

под заказ8190 руб.
5 512060051

SOCLE *ENGINE SUPPORT

под заказ10470 руб.
6 512059777

Монтажная резинка (Rubber mount)

под заказ4070 руб.
6 420460155

TAMPON ANCRAGE *RUBBER MOUNT

под заказпо запросу
7 233201414

Elastic Фланецd Гайка M10 (Elastic flanged nut M10)

под заказ276 руб.
7 228701045

NUT-FLANGE ELASTIC DIN.6926

под заказ220 руб.
8 506151251

Шайба (Washer)

под заказ335 руб.
9 250000131

Винт M10 x 50 (Screw M10 x 50)

под заказпо запросу
10413703400

Loctite 222, 10 cc (Loctite 222, 10 cc)

под заказ1580 руб.
11512059747

Пластина (Plate)

под заказ1630 руб.
11512059840

PLAQUE APP.PEIN*PLATE-PAINT

под заказ2080 руб.
12207561244

Hex. Фланецd Винт M6 x 12 (Scotch Рукоятка) (Hex. flanged screw M6 x 12 (Scotch Grip))

под заказ284 руб.
13250500007

Стопор Винт (Stopper screw)

под заказ2210 руб.
14512059741

Стопор (Stopper)

под заказ1300 руб.
15512059775

Шайба (Washer)

под заказ505 руб.
16232170411

Hex. jam Гайка M14 (Hex. jam nut M14)

под заказ284 руб.
16228371042

NUT-JAM HEXAGONAL DIN.439B

под заказ230 руб.
17403138737

Карбюратор, комплект TMX-34-32 PTO (Carburetor kit TMX-34-32 PTO)

под заказ46500 руб.
18403138738

Карбюратор, комплект TMX-34 MAG (Carburetor kit TMX-34 MAG)

под заказпо запросу
18512059305

Струбцина (Clamp)

под заказ166 руб.
18512059835

BRIDE *CLAMP

под заказ220 руб.
19414961100

Свеча зажигания (NGK BR9 ES) (Spark plug (NGK BR9 ES))

под заказ166 руб.
19414567000

BOUGIE BR9ES *PLUG-SPARK

под заказ170 руб.
20512059564

Катушка зажигания (Ignition coil)

под заказ7360 руб.
205348141

IGNITION COIL ASSY

под заказ5980 руб.
20SM-01150

     (не оригинальная запчасть) Катушка зажигания BRP SM-01150

под заказ6 190 руб.
21413803200

Injection Oil (0, 001 l) (Injection Oil (0,001 l))

под заказ102100 руб.
21293600119

HUILE 2T BARIL *OIL 2T DRUM MINERALE

под заказ102100 руб.
22517203200

Проставка (Spacer)

под заказ1580 руб.
23572084400

Стартер Рукоятка (Starter grip)

под заказ1050 руб.
23512059503

POIGNEE DEMAR.R*GRIP-STARTER SCARL

под заказпо запросу
23SM-12167

     (не оригинальная запчасть) Ручка стартера SM-12167

под заказ740 руб.
24512059403

Струбцина (Clamp)

под заказ141 руб.
24512059834

BRIDE *CLAMP

под заказ190 руб.
25512059695

Кабели в сборе (300 мм) (Cable assy (300 mm))

под заказ4210 руб.
26512059696

Кабели в сборе (375 мм) (Cable assy (375 mm))

под заказ6140 руб.
26512059485

CABLE ASS.380MM*CABLE-ASSY 380MM

под заказ3140 руб.
27293550004

Dielectric Смазка, 150 g (Dielectric Grease, 150 g)

под заказ4740 руб.
27747018002

GRAISSE *GREASE

под заказ3710 руб.
28207066044

Шестигранный винт M6 x 60 (Hex. screw M6 x 60)

под заказ284 руб.
28222066065

SCREW-HEX.CAP DIN.931

под заказ230 руб.
29234061410

плоский Шайба 6 mm (Flat washer 6 mm)

под заказ263 руб.
29711244213

RONDELLE *WASHER

под заказ210 руб.
30232561414

Эластичная гайка со стопором M6 (Elastic stop nut M6)

под заказ130 руб.
30420842040

NUT-STOP ELASTIC DIN.985

под заказ110 руб.
31512059776

Вал (Shaft)

под заказ1620 руб.
32410914600

Свеча зажигания Держатель (Spark Plug Holder)

под заказ572 руб.
ski-doo

Время выполнения запроса 2.852833032608 сек.


 
 

данный сайт носит информационный характер и не является публичной офертой

склад запчастей для водомоторной техники