вконтакте

Контактный телефон: +7 (981) 121-46-93, +7 (800) 200-90-76 , Email: parts-katalog@yandex.ru, где купить

 
 

  Логин:

Пароль:

Регистрация

www.partskatalog.ru Все каталоги Запчасти Mercury Запчасти Suzuki Запчасти Tohatsu Запчасти Honda Контакты



УВАЖАЕМЫЕ КЛИЕНТЫ!
C 19 ДЕКАБРЯ 2025 ПО 02 МАРТА 2026 ГОДА ОТДЕЛ ЗАПЧАСТЕЙ И СЕРВИС РАБОТАТЬ НЕ БУДУТ
ПРОДАЖА ЛОДОЧНЫХ МОТОРОВ В ШТАТНОМ РЕЖИМЕ
ОБ ИЗМЕНЕНИЯХ В ГРАФИКЕ РАБОТЫ ЧИТАЙТЕ НА САЙТА




Выбрать другую модель

назад Раздел:   вперёд

вернуться к списку узлов и деталей

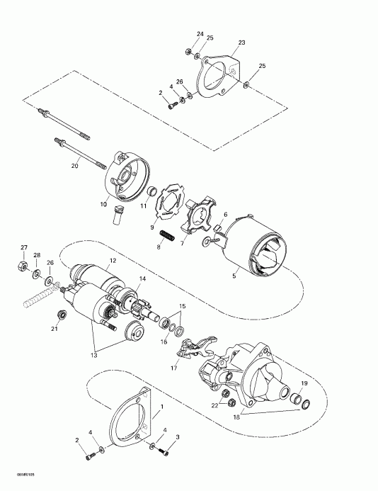
ДЕТАЛИРОВКА ДЛЯ МОДЕЛИ: SKIDOO MX Z 440 F/500 F, 2001

Раздел: Электростартер | Electric Starter


Skidoo MX Z 440 F/500 F, 2001 - Электростартер

Номер на
рисунке
АртикулНаименованиеКол-во
на складе
Цена
1 420951413

Стартер Кронштейн (PTO) дляmula DLX 500 F. (Starter Bracket (PTO). Formula DLX 500 F.)

под заказ3610 руб.
1 420951418

ATTACHE DEMAR. *BRACKET-START.

под заказ3310 руб.
2 205082044

Socket Head Винт M8 x 20. дляmula DLX 500 F. (Socket Head Screw M8 x 20. Formula DLX 500 F.)

под заказ284 руб.
2 420240071

SCREW-ALLEN M8 X 20

под заказ230 руб.
3 205082544

Socket Head Винт M8 x 25. дляmula DLX 500 F. (Socket Head Screw M8 x 25. Formula DLX 500 F.)

под заказ284 руб.
3 420240081

SCREW-ALLEN M8 X 25

под заказ230 руб.
4 234181401

Шайба с блокировкой 8 mm. дляmula DLX 500 F. (Lock Washer 8 mm. Formula DLX 500 F.)

под заказ138 руб.
4 224781140

WASHER-LOCK DIN.127A

под заказ110 руб.
5 410212400

Стартер. Includes 5 - 22. дляmula DLX 500 F. (Starter. Includes 5 - 22. Formula DLX 500 F.)

под заказ40400 руб.
5 410209200

DEMARREUR *STARTER

под заказ36300 руб.
5 SM-01215

     (не оригинальная запчасть) Стартер электрический BRP SM-01215

под заказ18 060 руб.
5 410209500

Корпус стартера. дляmula DLX 500 F. (Starter Housing. Formula DLX 500 F.)

под заказ13820 руб.
6 410209600

Щётка Kit. дляmula DLX 500 F. (Brush Kit. Formula DLX 500 F.)

под заказ1640 руб.
6 420866970

BRUSH

под заказпо запросу
7 410209700

Держатель втулки. дляmula DLX 500 F. (Brush Holder. Formula DLX 500 F.)

под заказ946 руб.
7 420866192

BRUSH HOLDER

под заказпо запросу
8 410209800

Щётка Пружина. дляmula DLX 500 F. (Brush Spring. Formula DLX 500 F.)

под заказ218 руб.
8 420838200

SPRING

под заказпо запросу
9 410209900

Изолятор. дляmula DLX 500 F. (Insulator. Formula DLX 500 F.)

под заказ1060 руб.
10XXX

Корпус. дляmula DLX 500 F. (Housing. Formula DLX 500 F.)

11410210100

Втулка Brass. дляmula DLX 500 F. (Bushing Brass. Formula DLX 500 F.)

под заказ641 руб.
11420933247

BUSHING

под заказпо запросу
12410210200

Якорь в сборе. дляmula DLX 500 F. (Armature Assy. Formula DLX 500 F.)

под заказ20900 руб.
13410210300

Переключатель в сборе. дляmula DLX 500 F. (Switch Assy. Formula DLX 500 F.)

под заказ16880 руб.
14410210400

Стартер Сцепление. дляmula DLX 500 F. (Starter Clutch. Formula DLX 500 F.)

под заказ29600 руб.
14SM-01321

     (не оригинальная запчасть) Бендикс стартера BRP SM-01321

под заказ4 580 руб.
15410212500

Гайка. дляmula DLX 500 F. (Nut. Formula DLX 500 F.)

под заказ3030 руб.
15410210500

ECROU *NUT

под заказ2370 руб.
16410212600

Стопорное кольцо. дляmula DLX 500 F. (Circlip. Formula DLX 500 F.)

под заказ250 руб.
16410210600

CIRCLIP *CIRCLIP

под заказ200 руб.
17410210700

Рычаг. дляmula DLX 500 F. (Lever. Formula DLX 500 F.)

под заказ4640 руб.
17420848045

ARM

под заказпо запросу
18410210800

Корпус. дляmula DLX 500 F. (Housing. Formula DLX 500 F.)

под заказ24300 руб.
19410210900

Втулка Brass. дляmula DLX 500 F. (Bushing Brass. Formula DLX 500 F.)

под заказ691 руб.
19420933245

BUSHING

под заказпо запросу
20410212000

Болт. дляmula DLX 500 F. (Bolt. Formula DLX 500 F.)

под заказ930 руб.
20410211000

BOULON *BOLT

под заказ620 руб.
21410211100

Гайка. дляmula DLX 500 F. (Nut. Formula DLX 500 F.)

под заказ250 руб.
22410211200

Гайка. дляmula DLX 500 F. (Nut. Formula DLX 500 F.)

под заказ250 руб.
23420951427

Стартер Sвышеport (MAG) дляmula DLX 500 F. (Starter Support (MAG). Formula DLX 500 F.)

под заказ1400 руб.
24232551414

Эластичная гайка со стопором M5. дляmula DLX 500 F. (Elastic Stop Nut M5. Formula DLX 500 F.)

под заказ130 руб.
24702000608

ECROU *NUT

под заказ110 руб.
25391301700

Шайба. дляmula DLX 500 F. (Washer. Formula DLX 500 F.)

под заказ108 руб.
25250200081

RONDELLE PLATE *FLAT WASHER

под заказ140 руб.
26234081410

плоский Шайба. дляmula DLX 500 F. (Flat Washer. Formula DLX 500 F.)

под заказ130 руб.
27232081414

Hex. Гайка M8. дляmula DLX 500 F. (Hex. Nut M8. Formula DLX 500 F.)

под заказ130 руб.
27702000780

ECROU *NUT

под заказ110 руб.
28420945752

Шайба с блокировкой. дляmula DLX 500 F. (Lock Washer. Formula DLX 500 F.)

под заказ118 руб.
28402001600

RONDELLE-FREIN *WASHER-LOCK#8

под заказ110 руб.
ski-doo

Время выполнения запроса 1.1513650417328 сек.


 
 

данный сайт носит информационный характер и не является публичной офертой

склад запчастей для водомоторной техники