вконтакте

Контактный телефон: +7 (981) 121-46-93, +7 (800) 200-90-76 , Email: parts-katalog@yandex.ru, где купить

 
 

  Логин:

Пароль:

Регистрация

www.partskatalog.ru Все каталоги Запчасти Mercury Запчасти Suzuki Запчасти Tohatsu Запчасти Honda Контакты



УВАЖАЕМЫЕ КЛИЕНТЫ!
C 19 ДЕКАБРЯ 2025 ПО 02 МАРТА 2026 ГОДА ОТДЕЛ ЗАПЧАСТЕЙ И СЕРВИС РАБОТАТЬ НЕ БУДУТ
ПРОДАЖА ЛОДОЧНЫХ МОТОРОВ В ШТАТНОМ РЕЖИМЕ
ОБ ИЗМЕНЕНИЯХ В ГРАФИКЕ РАБОТЫ ЧИТАЙТЕ НА САЙТА




Выбрать другую модель

назад Раздел:   вперёд

вернуться к списку узлов и деталей

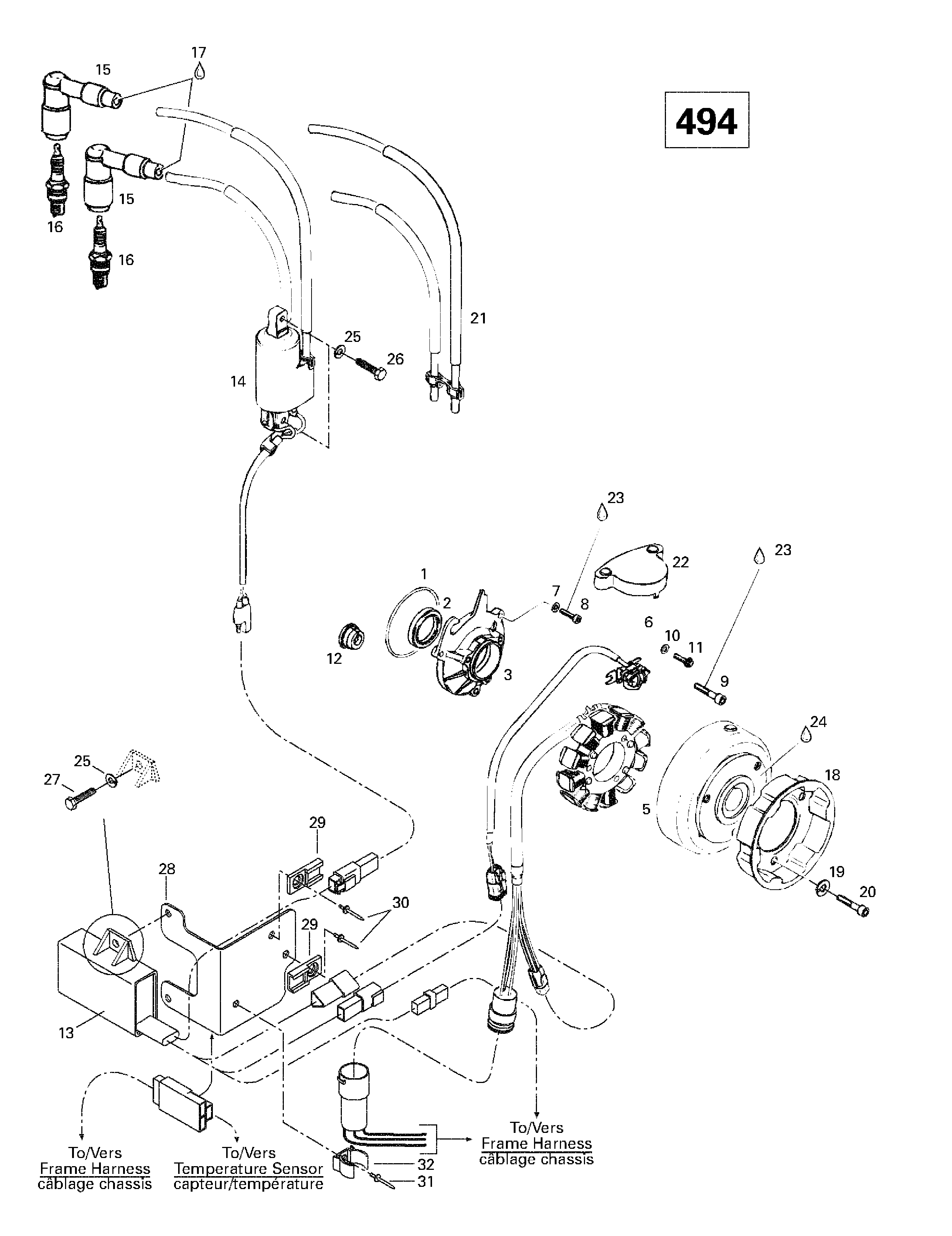
ДЕТАЛИРОВКА ДЛЯ МОДЕЛИ: SKIDOO Formula Deluxe 380/500, 2000

Раздел: Магнето (дляmula S) | Magneto (formula S)


Ski-doo Formula Deluxe 380/500, 2000 раздел - Магнето (дляmula S)

Номер на
рисунке
АртикулНаименованиеКол-во
на складе
Цена
1 420886255

Магнето Ducati 12V240W. Includes 1 - 5. дляmula S. (Magneto Ducati 12V240W. Includes 1 - 5. Formula S.)

под заказпо запросу
1 886255

MAGNETO GEN.(USE 420886255)

под заказпо запросу
1 420996820

Маховик. дляmula S. (Flywheel. Formula S.)

под заказпо запросу
2 420886605

Статор Пластина в сборе. 12V240W. Includes 2 - 5. дляmula S. (Stator Plate Assy. 12V240W. Includes 2 - 5. Formula S.)

под заказ44000 руб.
2 886605

STATOR PLATE (K.420886605)

под заказ38600 руб.
3 XXX

Статор Пластина P12W 160 / 240. дляmula S. (Stator Plate P12W 160/240. Formula S.)

4 420945750

Шайба с блокировкой 5 mm. дляmula S. (Lock Washer 5 mm. Formula S.)

под заказ138 руб.
4 402402400

RONDELLE-FREIN *WASHER-LOCK

под заказ110 руб.
5 420940880

Socket Head Винт M5 x 30. дляmula S. (Socket Head Screw M5 x 30. Formula S.)

под заказпо запросу
5 940880

AL.SCRWM (USE 420940880)

под заказпо запросу
6 420927571

Шайба 5.3 mm. дляmula S. (Washer 5.3 mm. Formula S.)

под заказ242 руб.
7 420840515

Socket Head Винт M5 x 18. дляmula S. (Socket Head Screw M5 x 18. Formula S.)

под заказ284 руб.
7 290840515

VIS ALLEN *SCREW-SOCKET

под заказ230 руб.
8 420965763

Pick-выше в сборе. дляmula S. (Pick-up Assy. Formula S.)

под заказ9040 руб.
8 420965762

CAPTEUR ASS. *PICKUP-ASSY.

под заказпо запросу
8 SU-01374A

     (не оригинальная запчасть) Датчик Холла BRP SU-01374A

под заказ7 650 руб.
9 420827800

Шайба 5.5 mm. дляmula S. (Washer 5.5 mm. Formula S.)

под заказ284 руб.
9 290827800

RONDELLE *WASHER

под заказ230 руб.
10420941925

Taptite Винт M5 x 16. дляmula S. (Taptite Screw M5 x 16. Formula S.)

под заказ284 руб.
10941925

SCREW M5 X 16(USE 420941925)

под заказ230 руб.
11420980486

Клиновидный ремень Шкив. дляmula S. (V-Belt Pulley. Formula S.)

под заказ2710 руб.
11980485

V-BELT-PULLEY

под заказ2010 руб.
12420852414

Шнур Sheave. дляmula S. (Rope Sheave. Formula S.)

под заказ2140 руб.
12420852420

POULIE DEMARRAG*SHEAVE-ROPE

под заказпо запросу
13420845311

Шайба с блокировкой. дляmula S. (Lock Washer. Formula S.)

под заказ133 руб.
14420841521

Socket Head Винт M8 x 12. дляmula S. (Socket Head Screw M8 x 12. Formula S.)

под заказ154 руб.
15515172200

Ignition Module в сборе. Includes 15 - 19. дляmula S. (Ignition Module Assy. Includes 15 - 19. Formula S.)

под заказпо запросу
15415080400

Ignition Module. дляmula S. (Ignition Module. Formula S.)

под заказпо запросу
16410112600

Кабели Колпачок. дляmula S. (Cable Cap. Formula S.)

под заказпо запросу
16420960550

CAPUCHON PROT. *CAP-PROTECTION

под заказпо запросу
17278001268

Свеча зажигания Провод. дляmula S. (Spark Plug Wire. Formula S.)

под заказпо запросу
17420965521

CABLE ALLUMAGE *CABLE-IGNITION

под заказпо запросу
18410112800

Трубопровод. дляmula S. (Tubing. Formula S.)

под заказ389 руб.
19278000237

Spark Защитный колачок. дляmula S. (Spark Plug Cap. Formula S.)

под заказ1580 руб.
19420866708

PROT.BOUGIE *PROT-SPARK PLU

под заказ1230 руб.
20414961100

Свеча зажигания (NGK BR9 ES) дляmula S. (Spark Plug (NGK BR9 ES). Formula S.)

под заказ166 руб.
20414567000

BOUGIE BR9ES *PLUG-SPARK

под заказ170 руб.
21365901400

Hex. Саморез #12 x 1". дляmula S. (Hex. Tapping Screw #12 x 1". Formula S.)

под заказ111 руб.
22293550004

Dielectric Смазка, 150gr. дляmula S. (Dielectric Grease, 150gr. Formula S.)

под заказ4740 руб.
22747018002

GRAISSE *GREASE

под заказ3710 руб.
23293800060

Loctite 243, 10ml. дляmula S. (Loctite 243, 10ml. Formula S.)

под заказ2150 руб.
23420897651

LOCTITE-243

под заказпо запросу
24409209300

Male Клемма Корпус (4 Circuits) дляmula S. (Male Terminal Housing (4 Circuits). Formula S.)

под заказ540 руб.
25409206100

Male Клемма. дляmula S. (Male Terminal. Formula S.)

под заказ447 руб.
25409210000

COSSE MALE *TERMINAL-MALE

под заказ580 руб.
26409205600

Зажим. дляmula S. (Clip. Formula S.)

под заказ407 руб.
27409204900

Female Клемма Корпус (4 Circuits) дляmula S. (Female Terminal Housing (4 Circuits). Formula S.)

под заказ471 руб.
28515175253

Female Клемма. дляmula S. (Female Terminal. Formula S.)

под заказ234 руб.
28561503200

COSSE FEMELLE *TERMINAL-FEMAL

под заказ190 руб.
ski-doo

Время выполнения запроса 0.74979305267334 сек.


 
 

данный сайт носит информационный характер и не является публичной офертой

склад запчастей для водомоторной техники