вконтакте

Контактный телефон: +7 (981) 121-46-93, +7 (800) 200-90-76 , Email: parts-katalog@yandex.ru, где купить

 
 

  Логин:

Пароль:

Регистрация

www.partskatalog.ru Все каталоги Запчасти Mercury Запчасти Suzuki Запчасти Tohatsu Запчасти Honda Контакты



УВАЖАЕМЫЕ КЛИЕНТЫ!
C 19 ДЕКАБРЯ 2025 ПО 02 МАРТА 2026 ГОДА ОТДЕЛ ЗАПЧАСТЕЙ И СЕРВИС РАБОТАТЬ НЕ БУДУТ
ПРОДАЖА ЛОДОЧНЫХ МОТОРОВ В ШТАТНОМ РЕЖИМЕ
ОБ ИЗМЕНЕНИЯХ В ГРАФИКЕ РАБОТЫ ЧИТАЙТЕ НА САЙТА




Выбрать другую модель

назад Раздел:   вперёд

вернуться к списку узлов и деталей

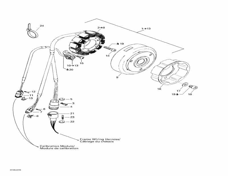
ДЕТАЛИРОВКА ДЛЯ МОДЕЛИ: SKIDOO MX Z 500, 2000

Раздел: Магнето (12v, 290w) | Magneto (12v, 290w)


снегоход Ski-doo модель MX Z 500, 2000 - Magneto (12v, 290w)

Номер на
рисунке
АртикулНаименованиеКол-во
на складе
Цена
1 XXX

Магнето в сборе (12V, 290W) Includes 1 - 13. MX Z 500. MX Z 500 SB (чёрный) (Magneto Assy (12V, 290W). Includes 1 - 13. MX Z 500. MX Z 500 SB (Black).)

XXX

Магнето в сборе (12V, 290W) MX Z 700. MX Z 700 SB. MX Z 700 SB (чёрный) MX Z 700 SB Millennium Edition. (Magneto Assy (12V, 290W). MX Z 700. MX Z 700 SB. MX Z 700 SB (Black). MX Z 700 SB Millennium Edition.)

2 410922923

Статор Пластина в сборе. Includes 2 - 8. (Stator Plate Assy. Includes 2 - 8.)

под заказ29600 руб.
2 410922936

PLATE-STATOR

под заказ44000 руб.
2 SM-01376

     (не оригинальная запчасть) Статор BRP SM-01376

под заказ16 610 руб.
3 409011900

Female Клемма (Female Terminal)

под заказ572 руб.
4 409208200

Female Клемма Корпус (3 circuits) (Female Terminal Housing (3 circuits))

под заказ1290 руб.
5 409208500

Сальник (Seal)

под заказ768 руб.
6 278000632

Female Клемма (Female Terminal)

под заказ284 руб.
7 409207400

Female Клемма Корпус (3 circuits) (Female Terminal Housing (3 circuits))

под заказ854 руб.
7 278002375

LOGEMENT FEMEL.*HOUSING-FEMALE

под заказ2570 руб.
8 409207200

(Female) Secondary Lock (3 Circuits) (Deutsch) ((Female) Secondary Lock (3 Circuits) (Deutsch))

под заказ428 руб.
9 410922933

Маховик. MX Z 500. MX Z 500 SB (чёрный) (Flywheel. MX Z 500. MX Z 500 SB (Black).)

под заказ25500 руб.
9 410922937

FLYWHEEL

под заказ27800 руб.
410922924

Маховик. MX Z 700. MX Z 700 SB. MX Z 700 SB (чёрный) MX Z 700 SB Millennium Edition. (Flywheel. MX Z 700. MX Z 700 SB. MX Z 700 SB (Black). MX Z 700 SB Millennium Edition.)

под заказ23500 руб.
410922921

VOLANT MOTEUR *FLYWHEEL

под заказ21500 руб.
10410922925

Pick-выше в сборе. Includes 10 - 13. (Pick-up Assy. Includes 10 - 13.)

под заказ5410 руб.
10410922932

CAPTEUR ASS. *PICKUP-ASSY.

под заказ4230 руб.
11409207300

Female Клемма Корпус (2 circuits) (Female Terminal Housing (2 circuits))

под заказ859 руб.
12278000632

Female Клемма (Female Terminal)

под заказ284 руб.
13409207100

Female Lock (2 circuits) (Female Lock (2 circuits))

под заказ428 руб.
14205063044

Socket Head Винт M6 x 30 (Socket Head Screw M6 x 30)

под заказ284 руб.
14420840881

SCREW-ALLEN M6 X 30

под заказпо запросу
15420640321

Винт M5 x 16 (Screw M5 x 16)

под заказпо запросу
16420852419

Шкив Starting (Pulley Starting)

под заказ1420 руб.
16420852590

PULL-STARTING

под заказ2140 руб.
17420945752

Шайба с блокировкой 8 mm (Lock Washer 8 mm)

под заказ118 руб.
17402001600

RONDELLE-FREIN *WASHER-LOCK#8

под заказ110 руб.
18420841520

Socket Head Винт M8 x 12 (Socket Head Screw M8 x 12)

под заказ122 руб.
19293800060

Loctite 243, 10 ml (Loctite 243, 10 ml)

под заказ2150 руб.
19420897651

LOCTITE-243

под заказпо запросу
20XXX

Sikaflex 255, 310 ml (Sikaflex 255, 310 ml)

21409207900

Male Клемма Корпус (3 circuits) (Male Terminal Housing (3 circuits))

под заказ1020 руб.
22409208500

Сальник (3 circuits) (Seal (3 circuits))

под заказ768 руб.
23409011100

Male Клемма (Male Terminal)

под заказ572 руб.
24293750001

Tie Rap 94 mm (Tie Rap 94 mm)

под заказ90 руб.
24420866718

TIE RAP *TIE-RAP

под заказ110 руб.
ski-doo

Время выполнения запроса 1.365287065506 сек.


 
 

данный сайт носит информационный характер и не является публичной офертой

склад запчастей для водомоторной техники