вконтакте

Контактный телефон: +7 (981) 121-46-93, +7 (800) 200-90-76 , Email: parts-katalog@yandex.ru, где купить

 
 

  Логин:

Пароль:

Регистрация

www.partskatalog.ru Все каталоги Запчасти Mercury Запчасти Suzuki Запчасти Tohatsu Запчасти Honda Контакты



УВАЖАЕМЫЕ КЛИЕНТЫ!
C 19 ДЕКАБРЯ 2025 ПО 02 МАРТА 2026 ГОДА ОТДЕЛ ЗАПЧАСТЕЙ И СЕРВИС РАБОТАТЬ НЕ БУДУТ
ПРОДАЖА ЛОДОЧНЫХ МОТОРОВ В ШТАТНОМ РЕЖИМЕ
ОБ ИЗМЕНЕНИЯХ В ГРАФИКЕ РАБОТЫ ЧИТАЙТЕ НА САЙТА




Выбрать другую модель

назад Раздел:   вперёд

вернуться к списку узлов и деталей

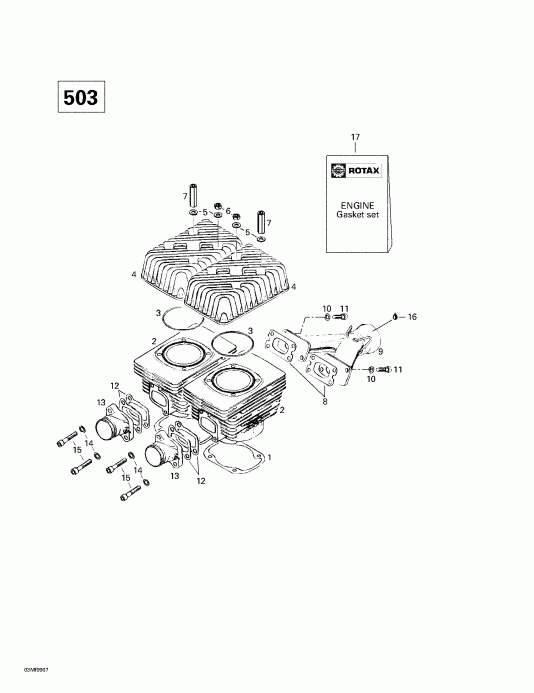
ДЕТАЛИРОВКА ДЛЯ МОДЕЛИ: SKIDOO Formula Deluxe 380/500, 1999

Раздел: Цилиндр, Система впуска Выхлопной патрубок (503) | Cylinder, Intake Exhaust Manifold (503) &nbs


SKIDOO Formula Deluxe 380/500, 1999 - Цилиндр, Система впуска Выхлопной патрубок (503)

Номер на
рисунке
АртикулНаименованиеКол-во
на складе
Цена
1 420831858

Прокладка 0.4 mm. дляmula Deluxe 500. (Gasket 0.4 mm. Formula Deluxe 500.)

под заказ832 руб.
1 09-710195

     (не оригинальная запчасть) Верхний комплект прокладок BRP 300F 09-710195

под заказ1 080 руб.
2 420923412

Цилиндр with Гильза. дляmula Deluxe 500. (Cylinder with sleeve. Formula Deluxe 500.)

под заказ26700 руб.
2 421000500

CYLINDRE REFAIT*CYL-RESLEEVING

под заказ27400 руб.
2 FL-1216

     (не оригинальная запчасть) Гильза BRP 503F FL-1216

под заказ12 620 руб.
3 420850540

Уплотнительное кольцо. дляmula Deluxe 500. (O-Ring. Formula Deluxe 500.)

под заказпо запросу
3 850540

O-RING 83-2(USE 420850540)

под заказпо запросу
3 09-710195

     (не оригинальная запчасть) Верхний комплект прокладок BRP 300F 09-710195

под заказ1 080 руб.
4 420923590

Головка блока цилиндра. дляmula Deluxe 500. (Cylinder head. Formula Deluxe 500.)

под заказ31600 руб.
4 420823664

CULASSE *HEAD-CYLINDER

под заказ24700 руб.
5 420250311

Шайба 8.4 mm. дляmula Deluxe 500. (Washer 8.4 mm. Formula Deluxe 500.)

под заказ138 руб.
5 402003100

RONDELLE *WASHER

под заказ110 руб.
6 228081045

Гайка M8. дляmula Deluxe 500. (Nut M8. Formula Deluxe 500.)

под заказ102 руб.
6 232081414

NUT-HEXAGONAL DIN.934

под заказ130 руб.
7 420842203

Distance Гайка M8 x 47. дляmula Deluxe 500. (Distance Nut M8 x 47. Formula Deluxe 500.)

под заказ609 руб.
8 420831849

Прокладка 1.0 mm. дляmula Deluxe 500. (Gasket 1.0 mm. Formula Deluxe 500.)

под заказ832 руб.
8 831843

GASKET

под заказ520 руб.
8 09-718163

     (не оригинальная запчасть) Прокладка выпускного коллектора BRP 09-718163

под заказ220 руб.
9 420973128

Выхлоп Коллектор в сборе. дляmula Deluxe 500. (Exhaust Manifold Assy. Formula Deluxe 500.)

под заказпо запросу
10224781140

Шайба с блокировкой 8 mm. дляmula Deluxe 500. (Lock Washer 8 mm. Formula Deluxe 500.)

под заказ108 руб.
10234181401

WASHER-LOCK DIN*.127B

под заказ140 руб.
11222983065

Socket Head Винт M8 x 30. дляmula Deluxe 500. (Socket Head Screw M8 x 30. Formula Deluxe 500.)

под заказпо запросу
11702000090

VIS *SCREW

под заказпо запросу
12420831866

Система впуска Прокладка 1.0 mm. дляmula Deluxe 500. (Intake Gasket 1.0 mm. Formula Deluxe 500.)

под заказпо запросу
12831866

TIIVISTE ROTAX-377 -94

под заказпо запросу
12SM-09514

     (не оригинальная запчасть) Прокладка впускного коллектора BRP SM-09514

под заказ190 руб.
13420867408

Система впуска Socket в сборе. дляmula Deluxe 500. (Intake Socket Assy. Formula Deluxe 500.)

под заказ4350 руб.
14420945752

Шайба с блокировкой 8 mm. дляmula Deluxe 500. (Lock Washer 8 mm. Formula Deluxe 500.)

под заказ118 руб.
14402001600

RONDELLE-FREIN *WASHER-LOCK#8

под заказ110 руб.
15420840681

Socket Head Винт M8 x 40. дляmula Deluxe 500. (Socket Head Screw M8 x 40. Formula Deluxe 500.)

под заказ428 руб.
15420840680

SCREW-ALLEN M8 X 40

под заказ340 руб.
16413710300

Сальникant, Loctite 17914, 80 ml. дляmula Deluxe 500. (Sealant, Loctite 17914, 80 ml. Formula Deluxe 500.)

под заказ1570 руб.
16293800090

ENDUIT ETANCHE *SEALANT

под заказ2010 руб.
17420994238

Двигатель Комплект прокладок. Includes 17 - 24. дляmula Deluxe 500. (Engine Gasket Set. Includes 17 - 24. Formula Deluxe 500.)

под заказ9300 руб.
1709-711196

     (не оригинальная запчасть) Полный комплект прокладок BRP 503F 09-711196

под заказ3 720 руб.
17SM-MZ1112

     (не оригинальная запчасть) Полный комплект прокладок BRP 503F SM-MZ1112

под заказ2 880 руб.
18420250165

Уплотнительное кольцо 64 mm. дляmula Deluxe 500. (O-Ring 64 mm. Formula Deluxe 500.)

под заказпо запросу
18830350

O-RING 60-2 (USE 420250165)

под заказпо запросу
19420831950

Сальник. дляmula Deluxe 500. (Oil Seal. Formula Deluxe 500.)

под заказпо запросу
19831950

TIIVISTERENGAS 35X72X7/8.5

под заказпо запросу
1909-55104

     (не оригинальная запчасть) Комплект сальников BRP 380F/440F/503F/552F 09-55104

под заказ830 руб.
1909-165

     (не оригинальная запчасть) Сальник коленвала BRP 09-165

под заказ710 руб.
1909-55205

     (не оригинальная запчасть) Комплект сальников BRP 09-55205

под заказ3 030 руб.
1909-55216

     (не оригинальная запчасть) Комплект сальников BRP 593LC 09-55216

под заказ720 руб.
1909-55215

     (не оригинальная запчасть) Комплект сальников BRP 552F 09-55215

под заказ2 310 руб.
19009-780T

     (не оригинальная запчасть) Сальник (PTO) BRP 009-780T

под заказ1 410 руб.
20420831858

Прокладка 0.50 mm. дляmula Deluxe 500. (Gasket 0.50 mm. Formula Deluxe 500.)

под заказ832 руб.
2009-710195

     (не оригинальная запчасть) Верхний комплект прокладок BRP 300F 09-710195

под заказ1 080 руб.
21420850540

Уплотнительное кольцо. дляmula Deluxe 500. (O-Ring. Formula Deluxe 500.)

под заказпо запросу
21850540

O-RING 83-2(USE 420850540)

под заказпо запросу
2109-710195

     (не оригинальная запчасть) Верхний комплект прокладок BRP 300F 09-710195

под заказ1 080 руб.
22420831849

Прокладка 1.00 mm. дляmula Deluxe 500. (Gasket 1.00 mm. Formula Deluxe 500.)

под заказ832 руб.
22831843

GASKET

под заказ520 руб.
2209-718163

     (не оригинальная запчасть) Прокладка выпускного коллектора BRP 09-718163

под заказ220 руб.
23420831866

Система впуска Прокладка 1.00 mm. дляmula Deluxe 500. (Intake Gasket 1.00 mm. Formula Deluxe 500.)

под заказпо запросу
23831866

TIIVISTE ROTAX-377 -94

под заказпо запросу
23SM-09514

     (не оригинальная запчасть) Прокладка впускного коллектора BRP SM-09514

под заказ190 руб.
24404146600

Прокладка. дляmula Deluxe 500. (Gasket. Formula Deluxe 500.)

под заказ284 руб.
24420227500

RONDELLE ETANCH*WASHER-SEAL

под заказ230 руб.
ski-doo

Время выполнения запроса 2.7533609867096 сек.


 
 

данный сайт носит информационный характер и не является публичной офертой

склад запчастей для водомоторной техники