вконтакте

Контактный телефон: +7 (981) 121-46-93, +7 (800) 200-90-76 , Email: parts-katalog@yandex.ru, где купить

 
 

  Логин:

Пароль:

Регистрация

www.partskatalog.ru Все каталоги Запчасти Mercury Запчасти Suzuki Запчасти Tohatsu Запчасти Honda Контакты


Выбрать другую модель

назад Раздел:   вперёд

вернуться к списку узлов и деталей

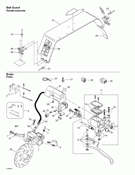
ДЕТАЛИРОВКА ДЛЯ МОДЕЛИ: SKIDOO Formula Deluxe 380/500, 1999

Раздел: Hydraulic тормоз и Belt Guard | Hydraulic Brake And Belt Guard


snowmobile BRP модель Formula Deluxe 380/500, 1999 - Hydraulic тормоз и Belt Guard

Номер на
рисунке
АртикулНаименованиеКол-во
на складе
Цена
1 415034500

Caliper. Includes 1 - 6. дляmula Deluxe 500. (Caliper. Includes 1 - 6. Formula Deluxe 500.)

под заказ21000 руб.
1 507032412

ETRIER *CALIPER

под заказ22900 руб.
2 415053600

тормоз Lining Kit. дляmula Deluxe 500. (Brake Lining Kit. Formula Deluxe 500.)

под заказ5280 руб.
2 415129172

ENS.GARNITURES *KIT-PADS BRAKE

17 шт5140 руб.
1500 руб.
2 SM-05059

     (не оригинальная запчасть) Тормозные колодки BRP SM-05059

под заказ2 440 руб.
2 SM-05059F

     (не оригинальная запчасть) Тормозные колодки BRP SM-05059F

под заказ3 850 руб.
3 414990700

Kit (Штифтs, Фиксаторs, Пружина) дляmula Deluxe 500. (Kit (Pins, Retainers, Spring). Formula Deluxe 500.)

под заказ2920 руб.
4 414989800

Винт-Bleeder. дляmula Deluxe 500. (Screw-Bleeder. Formula Deluxe 500.)

под заказ1610 руб.
5 414989700

Boot. дляmula Deluxe 500. (Boot. Formula Deluxe 500.)

под заказ2340 руб.
6 414989900

Трубка. дляmula Deluxe 500. (Tube. Formula Deluxe 500.)

под заказ2380 руб.
7 222003565

Шестигранный винт M10 x 35. дляmula Deluxe 500. (Hex. Screw M10 x 35. Formula Deluxe 500.)

под заказ222 руб.
7 207103544

SCREW-HEX.CAP ISO.4017

под заказ290 руб.
8 413703000

Loctite 242, 10cc. дляmula Deluxe 500. (Loctite 242, 10cc. Formula Deluxe 500.)

под заказ1680 руб.
8 293800060

LOCTITE 243 *LOCTITE-243

под заказ2150 руб.
9 507029900

Locking Tab. дляmula Deluxe 500. (Locking Tab. Formula Deluxe 500.)

под заказ131 руб.
9 507032316

FREIN DE VIS *LOCK-TAB

под заказ170 руб.
10507032212

Шланг. дляmula Deluxe 500. (Hose. Formula Deluxe 500.)

под заказпо запросу
10415034700

BOYAU *HOSE

под заказпо запросу
11415099500

Master Цилиндр. Includes 11 - 17. дляmula Deluxe 500. (Master Cylinder. Includes 11 - 17. Formula Deluxe 500.)

под заказ18670 руб.
11415129439

MAITRE CYLINDRE*MASTER-CYLIND

под заказ20300 руб.
12415075300

Рычаг в сборе. дляmula Deluxe 500. (Lever Assy. Formula Deluxe 500.)

под заказ3970 руб.
12507032428

LEVIER *LEVER

под заказ6070 руб.
13415117500

MicroПереключатель в сборе. дляmula Deluxe 500. (Microswitch Assy. Formula Deluxe 500.)

под заказ3700 руб.
13507032366

MICROSWITCH

под заказ5210 руб.
1301-280-01

     (не оригинальная запчасть) Выключатель стоп-сигнала BRP 01-280-01

под заказ1 060 руб.
14415030000

Штифт в сборе. дляmula Deluxe 500. (Pin Assy. Formula Deluxe 500.)

под заказ1290 руб.
14507032280

AXE *PIN

под заказ970 руб.
15415029900

Крышка. дляmula Deluxe 500. (Cover. Formula Deluxe 500.)

под заказ3000 руб.
16415029800

Струбцина в сборе. дляmula Deluxe 500. (Clamp Assy. Formula Deluxe 500.)

под заказ1570 руб.
16507032477

BRIDE *CLAMP

под заказ2010 руб.
17414990600

Window. дляmula Deluxe 500. (Window. Formula Deluxe 500.)

под заказ1120 руб.
18414920500

Болт. дляmula Deluxe 500. (Bolt. Formula Deluxe 500.)

под заказ731 руб.
19414920600

Шайба. дляmula Deluxe 500. (Washer. Formula Deluxe 500.)

под заказ284 руб.
20507032203

тормоз Disk. дляmula Deluxe 500. (Brake Disk. Formula Deluxe 500.)

под заказ11020 руб.
20507032458

DISQUE USINE *DISK-BRAKE MACH.

под заказ14100 руб.
21417300012

Belt Guard в сборе. Includes 21 - 24. дляmula Deluxe 500. (Belt Guard Assy. Includes 21 - 24. Formula Deluxe 500.)

под заказпо запросу
22516000132

Warning Наклейки. дляmula Deluxe 500. (Warning Label. Formula Deluxe 500.)

под заказпо запросу
22516002670

ETIQUETTE SECUR*SECURITY-LABEL

под заказпо запросу
23414941800

Инструмент Box Пружина. дляmula Deluxe 500. (Tool Box Spring. Formula Deluxe 500.)

под заказ236 руб.
24390402200

Заклёпка. дляmula Deluxe 500. (Rivet. Formula Deluxe 500.)

под заказ138 руб.
25414473200

Self Саморез. дляmula Deluxe 500. (Self Tapping Screw. Formula Deluxe 500.)

под заказ222 руб.
25211000098

SCREW-THREAD CUT.PH.PAN TYPE25

под заказ290 руб.
26414440800

Установочный винт. дляmula Deluxe 500. (Set Screw. Formula Deluxe 500.)

под заказ290 руб.
26114144408

SCREW

под заказ220 руб.
27409210000

Tab. дляmula Deluxe 500. (Tab. Formula Deluxe 500.)

под заказ572 руб.
27561503400

COSSE MALE *TERMINAL-MALE

под заказ450 руб.
28409204200

Корпус Tab. дляmula Deluxe 500. (Housing Tab. Formula Deluxe 500.)

под заказ572 руб.
29518314200

Шкив Guard Кронштейн. дляmula Deluxe 500. (Pulley Guard Bracket. Formula Deluxe 500.)

под заказ236 руб.
30518207500

Reinдляcement. дляmula Deluxe 500. (Reinforcement. Formula Deluxe 500.)

под заказ383 руб.
31572079500

Корпус-Dimmer. дляmula Deluxe 500. (Housing-Dimmer. Formula Deluxe 500.)

под заказ1180 руб.
32517283800

Кронштейн. дляmula Deluxe 500. (Bracket. Formula Deluxe 500.)

под заказ406 руб.
33415025500

Переключатель Наклейка. дляmula Deluxe 500. (Switch Decal. Formula Deluxe 500.)

под заказ426 руб.
34409209300

Корпус Tab. дляmula Deluxe 500. (Housing Tab. Formula Deluxe 500.)

под заказ540 руб.
35515175293

Light Переключатель. дляmula Deluxe 500. (Light Switch. Formula Deluxe 500.)

под заказ3130 руб.
35515175423

COMMUTATEUR *SWITCH

под заказ3410 руб.
3501-120-36

     (не оригинальная запчасть) Переключатель света BRP/Polaris/Yamaha 01-120-36

под заказ2 310 руб.
36418001706

Наклейка-Задняя подвеска Adjustment. дляmula Deluxe 500. (Decal-Rear Suspension Adjustment. Formula Deluxe 500.)

под заказ580 руб.
36516001639

DECAL-AJUST.

под заказ640 руб.
37414115200

Tie-Rap. дляmula Deluxe 500. (Tie-Rap. Formula Deluxe 500.)

под заказ130 руб.
37414587300

TIE RAP *TIE-RAP

под заказ110 руб.
ski-doo

Время выполнения запроса 2.2139980792999 сек.


 
 

данный сайт носит информационный характер и не является публичной офертой

склад запчастей для водомоторной техники