вконтакте

Контактный телефон: +7 (981) 121-46-93, +7 (800) 200-90-76 , Email: parts-katalog@yandex.ru, где купить

 
 

  Логин:

Пароль:

Регистрация

www.partskatalog.ru Все каталоги Запчасти Mercury Запчасти Suzuki Запчасти Tohatsu Запчасти Honda Контакты



УВАЖАЕМЫЕ КЛИЕНТЫ!
C 31 ОКТЯБРЯ 2025 ПО 10 НОЯБРЯ 2025 ГОДА РАБОТАТЬ НЕ БУДЕМ




Выбрать другую модель

назад Раздел:   вперёд

вернуться к списку узлов и деталей

ДЕТАЛИРОВКА ДЛЯ МОДЕЛИ: SKIDOO Grand Touring 500/583, 1999

Раздел: Магнето 12v 220w (583) | Magneto 12v 220w (583)


Grand Touring 500/583, 1999 - Magneto 12v 220w (583)

Номер на
рисунке
АртикулНаименованиеКол-во
на складе
Цена
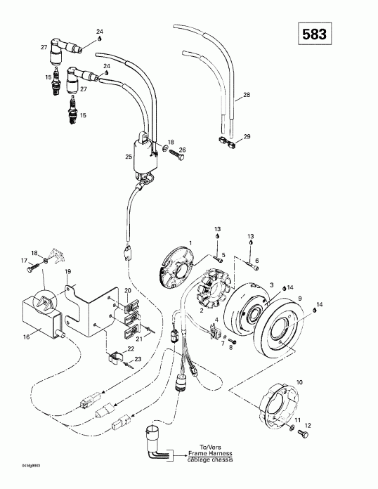
1 420810262

Якорь Пластина. Grand TouКольцо 583. (Armature Plate. Grand Touring 583.)

под заказпо запросу
2 410922400

Магнето в сборе 12V 220W. Includes 2 - 4. Grand TouКольцо 583. (Magneto Assy 12V 220W. Includes 2 - 4. Grand Touring 583.)

под заказпо запросу
2 410922100

Статор в сборе. Grand TouКольцо 583. (Stator Assy. Grand Touring 583.)

под заказ34300 руб.
2 410922905

PLAQUE REACTEUR*PLATE-STATOR A

под заказ37400 руб.
3 410922500

Магнето Маховик. Grand TouКольцо 583. (Magneto Flywheel. Grand Touring 583.)

под заказпо запросу
3 410922400

MAGNETO GEN. *MAGNETO-GEN. rotax 583

под заказпо запросу
4 410921100

Pick выше в сборе. Grand TouКольцо 583. (Pick Up Assy. Grand Touring 583.)

под заказ4620 руб.
5 420941540

Allen Винт M5 x 20. Grand TouКольцо 583. (Allen Screw M5 x 20. Grand Touring 583.)

под заказ170 руб.
5 941540

ALLEN SCREW (USE420941540)

под заказ140 руб.
6 420840886

Allen Винт M6 x 30. Grand TouКольцо 583. (Allen Screw M6 x 30. Grand Touring 583.)

под заказ284 руб.
6 290840886

VIS ALLEN *SCREW-SOCKET

под заказ230 руб.
7 420827800

Шайба 5.5 mm. Grand TouКольцо 583. (Washer 5.5 mm. Grand Touring 583.)

под заказ284 руб.
7 290827800

RONDELLE *WASHER

под заказ230 руб.
8 420941925

Self Саморез M5 x 16. Grand TouКольцо 583. (Self Tapping Screw M5 x 16. Grand Touring 583.)

под заказ284 руб.
8 941925

SCREW M5 X 16(USE 420941925)

под заказ230 руб.
9 420866759

Маховик. Grand TouКольцо 583. (Flywheel. Grand Touring 583.)

под заказпо запросу
9 866759

FLYWHEEL

под заказпо запросу
10420852411

Starting Шкив. Grand TouКольцо 583. (Starting Pulley. Grand Touring 583.)

под заказ1710 руб.
11420945752

Шайба с блокировкой. (Lock Washer. .)

под заказ118 руб.
11402001600

RONDELLE-FREIN *WASHER-LOCK#8

под заказ110 руб.
12207182044

Шестигранный винт M8 x 20. Grand TouКольцо 583. (Hex. Screw M8 x 20. Grand Touring 583.)

под заказ284 руб.
12702000412

VIS *SCREW

под заказ230 руб.
13293800015

Loctite 242, 10 ml. Grand TouКольцо 583. (Loctite 242, 10 ml. Grand Touring 583.)

под заказ1680 руб.
13293800060

LOCTITE 243 *LOCTITE-243

под заказ2150 руб.
14413711400

Loctite 648, 10 ml. Grand TouКольцо 583. (Loctite 648, 10 ml. Grand Touring 583.)

под заказ2700 руб.
14293800039

LOCTITE 642 *LOCTITE-642

под заказ2700 руб.
15414961100

Свеча зажигания (NGK BR9ES) Grand TouКольцо 583. (Spark Plug (NGK BR9ES). Grand Touring 583.)

под заказ166 руб.
15414567000

BOUGIE BR9ES *PLUG-SPARK

под заказ170 руб.
16512058927

Ignition Module. Grand TouКольцо 583. (Ignition Module. Grand Touring 583.)

под заказпо запросу
17222061665

Шестигранный винт M6 x 16. Grand TouКольцо 583. (Hex. Screw M6 x 16. Grand Touring 583.)

под заказпо запросу
17702000778

VIS *BOLT

под заказпо запросу
18224761110

Шайба с блокировкой. (Lock Washer. .)

под заказ102 руб.
18234161471

WASHER-LOCK BLACK DIN.127B

под заказ130 руб.
19515175107

Sвышеport Кабели. Grand TouКольцо 583. (Support Cable. Grand Touring 583.)

под заказпо запросу
20270000141

Зажим. Grand TouКольцо 583. (Clip. Grand Touring 583.)

под заказ1000 руб.
21XXX

Pop Заклёпка. Grand TouКольцо 583. (Pop Rivet. Grand Touring 583.)

22415089700

Зажим. Grand TouКольцо 583. (Clip. Grand Touring 583.)

под заказпо запросу
23390402500

Pop Заклёпка. Grand TouКольцо 583. (Pop Rivet. Grand Touring 583.)

под заказ130 руб.
24293550004

Dielectric Смазка, 150 gr. Grand TouКольцо 583. (Dielectric Grease, 150 gr. Grand Touring 583.)

под заказ4740 руб.
24747018002

GRAISSE *GREASE

под заказ3710 руб.
25415085400

Катушка зажигания. Grand TouКольцо 583. (Ignition Coil. Grand Touring 583.)

под заказ7930 руб.
26207162044

Шестигранный винт M6 x 20. Grand TouКольцо 583. (Hex. Screw M6 x 20. Grand Touring 583.)

под заказ284 руб.
26420940561

SCREW-HEX.M6 X 20

под заказ230 руб.
27278000237

Свеча зажигания Защита Grand TouКольцо 583. (Spark Plug Protector. Grand Touring 583.)

под заказ1580 руб.
27420866708

PROT.BOUGIE *PROT-SPARK PLU

под заказ1230 руб.
28278001268

Свеча зажигания Провод. Grand TouКольцо 583. (Spark Plug Wire. Grand Touring 583.)

под заказпо запросу
28420965521

CABLE ALLUMAGE *CABLE-IGNITION

под заказпо запросу
29410914600

пластиковый Зажим. Grand TouКольцо 583. (Plastic Clip. Grand Touring 583.)

под заказ572 руб.
ski-doo

Время выполнения запроса 1.8823988437653 сек.


 
 

данный сайт носит информационный характер и не является публичной офертой

склад запчастей для водомоторной техники