вконтакте

Контактный телефон: +7 (981) 121-46-93, +7 (800) 200-90-76 , Email: parts-katalog@yandex.ru, где купить

 
 

  Логин:

Пароль:

Регистрация

www.partskatalog.ru Все каталоги Запчасти Mercury Запчасти Suzuki Запчасти Tohatsu Запчасти Honda Контакты



УВАЖАЕМЫЕ КЛИЕНТЫ!
C 19 ДЕКАБРЯ 2025 ПО 02 МАРТА 2026 ГОДА ОТДЕЛ ЗАПЧАСТЕЙ И СЕРВИС РАБОТАТЬ НЕ БУДУТ
ПРОДАЖА ЛОДОЧНЫХ МОТОРОВ В ШТАТНОМ РЕЖИМЕ
ОБ ИЗМЕНЕНИЯХ В ГРАФИКЕ РАБОТЫ ЧИТАЙТЕ НА САЙТА




Выбрать другую модель

назад Раздел:   вперёд

вернуться к списку узлов и деталей

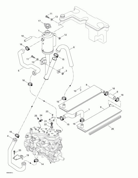
ДЕТАЛИРОВКА ДЛЯ МОДЕЛИ: SKIDOO Formula III 600 R/700 R, 1998

Раздел: Охлаждение System | Cooling System


snowmobile Ski-doo Formula III 600 R/700 R, 1998 - Cooling System

Номер на
рисунке
АртикулНаименованиеКол-во
на складе
Цена
1 572088600

Coolant Tank в сборе. Includes 1 - 2. (Coolant Tank Assy. Includes 1 - 2.)

под заказпо запросу
1 509000049

RES.ANTIGEL *TANK-COOLANT

под заказпо запросу
2 269500252

Корпус Гайка в сборе. Includes 2 - 3. (Housing Nut Assy. Includes 2 - 3.)

под заказ572 руб.
2 269500108

LOGEMENT ECROU *HOUSING-NUT

под заказ450 руб.
3 212100004

Hex. Гайка M6 (Hex. Nut M6)

под заказ222 руб.
3 232061600

NUT-HEXAGONAL DIN.934A2

под заказ290 руб.
4 415046700

Двигатель вход Шланг (Engine Inlet Hose)

под заказпо запросу
5 415046800

Двигатель выход Шланг (Engine Outlet Hose)

под заказпо запросу
6 415047000

Radiator выход Шланг (Radiator Outlet Hose)

под заказ1880 руб.
7 415047100

Radiator вход Шланг (Radiator Inlet Hose)

под заказ2600 руб.
8 414795800

Radiator Connecting Шланг (Radiator Connecting Hose)

под заказ474 руб.
9 517280510

R.H. Radiator. дляmula III 600. дляmula III 600 R. дляmula III 700. дляmula III 700 R. (R.H. Radiator. Formula III 600. Formula III 600 R. Formula III 700. Formula III 700 R.)

под заказпо запросу
517290710

R.H. Radiator. дляmula III 600 LT. (R.H. Radiator. Formula III 600 LT.)

под заказпо запросу
517280511

L.H. Radiator. дляmula III 600. дляmula III 600 R. дляmula III 700. дляmula III 700 R. (L.H. Radiator. Formula III 600. Formula III 600 R. Formula III 700. Formula III 700 R.)

под заказпо запросу
517290711

L.H. Radiator. дляmula III 600 LT. (L.H. Radiator. Formula III 600 LT.)

под заказпо запросу
10XXX

Заклёпка (Rivet)

11222062565

Шестигранный винт M6 x 25 (Hex. Screw M6 x 25)

под заказпо запросу
11702000183

BOULON *BOLT

под заказпо запросу
12228761045

Elastic Фланецd Stop Гайка M6 (Elastic Flanged Stop Nut M6)

под заказ222 руб.
12233261414

NUT-FLANGE ELASTIC DIN.6926

под заказ290 руб.
13224061121

плоский Шайба (Flat Washer)

под заказ138 руб.
13702000112

RONDELLE *WASHER

под заказ110 руб.
14XXX

Tridon Шестерня Струбцина (Tridon Gear Clamp)

15408800400

Tridon Шестерня Струбцина (Tridon Gear Clamp)

под заказ1150 руб.
15740002006

COLLIER SERRAGE*CLAMP-GEAR

под заказ900 руб.
16408803400

Tridon Шестерня Струбцина (Tridon Gear Clamp)

под заказ537 руб.
17414684700

Pressure Колпачок (Pressure Cap)

под заказ1680 руб.
17509000187

BOUCHON RADIAT.*PRESSURE CAP

под заказ2150 руб.
17SM-10005

     (не оригинальная запчасть) Крышка расширительного бачка BRP/Polaris SM-10005

под заказ890 руб.
18415080200

Overflow Шланг (Overflow Hose)

под заказ1150 руб.
18709000183

BOYAU POLYURE *POLYURETHANE H

под заказпо запросу
19517294200

Шланг Защита (Hose Protector)

под заказпо запросу
20732601067

Hex. Саморез M5 x 11 (Hex. Tapping Screw M5 x 11)

под заказ222 руб.
20210251180

SCREW-FORMING HEX.HD.FL.GM6174M

под заказ290 руб.
21414834100

Термостат (Thermostat)

под заказ2430 руб.
21420922519

THERMOSTAT *THERMOSTAT

под заказ3350 руб.
22420931270

Сальникing Кольцо (Sealing Ring)

под заказ1120 руб.
23420240480

Заглушка винта (Plug Screw)

под заказ859 руб.
23240480

PLUG, (USE 420240480)

под заказ680 руб.
24414728700

Датчик (Sender)

под заказ3470 руб.
24357287

SENDER 414728700 BBD

под заказ3180 руб.
25413702300

Loctite 592 Трубка Сальникant, 50 ml (Loctite 592 Pipe Sealant, 50 ml)

под заказ2360 руб.
25293800018

SCELLANT TUYAU *SEALANT-PIPE

под заказ2800 руб.
26415056500

Radiator Защита дляmula III 600. дляmula III 600 R. дляmula III 700. дляmula III 700 R. (Radiator Protector. Formula III 600. Formula III 600 R. Formula III 700. Formula III 700 R.)

под заказ1300 руб.
26415012300

PROTECTEUR RAD.*PROTECTOR-RAD.

под заказ1660 руб.
26917-51-80

     (не оригинальная запчасть) Защита радиатора BRP 917-51-80

под заказ1 060 руб.
415012300

Radiator Защита дляmula III 600 LT. (Radiator Protector. Formula III 600 LT.)

под заказ1660 руб.
518322360

PROT.RADIATEUR *PROT-RADIATOR

под заказ1300 руб.
917-51-80

     (не оригинальная запчасть) Защита радиатора BRP 917-51-80

под заказ1 060 руб.
ski-doo

Время выполнения запроса 1.833416223526 сек.


 
 

данный сайт носит информационный характер и не является публичной офертой

склад запчастей для водомоторной техники