вконтакте

Контактный телефон: +7 (981) 121-46-93, +7 (800) 200-90-76 , Email: parts-katalog@yandex.ru, где купить

 
 

  Логин:

Пароль:

Регистрация

www.partskatalog.ru Все каталоги Запчасти Mercury Запчасти Suzuki Запчасти Tohatsu Запчасти Honda Контакты


Выбрать другую модель

назад Раздел:   вперёд

вернуться к списку узлов и деталей

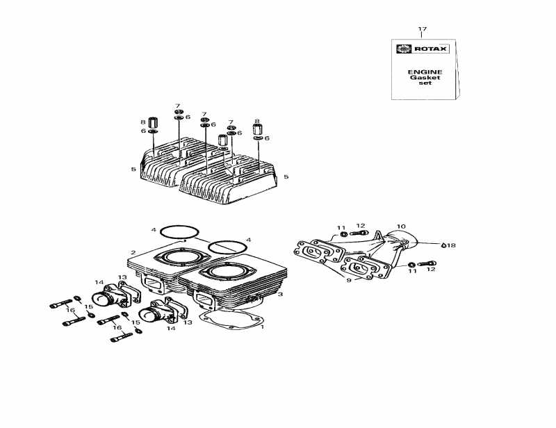
ДЕТАЛИРОВКА ДЛЯ МОДЕЛИ: SKIDOO Formula S, 1998

Раздел: Цилиндр, Система впуска Выхлопной патрубок | Cylinder, Intake Exhaust Manifold


 - Цилиндр, Система впуска Выхлопной патрубок

Номер на
рисунке
АртикулНаименованиеКол-во
на складе
Цена
1 420850105

Прокладка 0.4 mm (Gasket 0.4 mm)

под заказ545 руб.
1 420430351

JOINT 0,4 *GASKET-0,4

под заказ910 руб.
2 420923400

Цилиндр with Гильза, PTO (Cylinder with Sleeve, PTO)

под заказпо запросу
3 420923405

Цилиндр with Гильза, MAG (Cylinder with Sleeve, MAG)

под заказпо запросу
3 420823809

CYLINDRE MAG *CYLINDER-MAG

под заказпо запросу
4 420931380

Уплотнительное кольцо (O-Ring)

под заказ808 руб.
5 420823823

Головка блока цилиндра (Cylinder Head)

под заказпо запросу
6 420250311

Шайба 8.4 mm (Washer 8.4 mm)

под заказ138 руб.
6 402003100

RONDELLE *WASHER

под заказ110 руб.
7 228081045

Hex. Гайка M8 (Hex. Nut M8)

под заказ102 руб.
7 232081414

NUT-HEXAGONAL DIN.934

под заказ130 руб.
8 420842385

Distance Гайка M8 x 42 (Distance Nut M8 x 42)

под заказпо запросу
9 420850114

Прокладка 1.0 mm (Gasket 1.0 mm)

под заказ832 руб.
9 850113

PAKOSARJAN TIIVISTE X1CO4

под заказ450 руб.
9 SM-09515

     (не оригинальная запчасть) Прокладка выпускного коллектора BRP SM-09515

под заказ230 руб.
10420978437

Выхлоп Коллектор в сборе (Exhaust Manifold Assy)

под заказпо запросу
11224781140

Шайба с блокировкой 8 mm (Lock Washer 8 mm)

под заказ108 руб.
11234181401

WASHER-LOCK DIN*.127B

под заказ140 руб.
12222983065

Allen Винт M8 x 30 (Allen Screw M8 x 30)

под заказпо запросу
12702000090

VIS *SCREW

под заказпо запросу
13420831866

Система впуска Прокладка 1.0 mm (Intake Gasket 1.0 mm)

под заказпо запросу
13831866

TIIVISTE ROTAX-377 -94

под заказпо запросу
13SM-09514

     (не оригинальная запчасть) Прокладка впускного коллектора BRP SM-09514

под заказ190 руб.
14420867408

Система впуска Socket в сборе (Intake Socket Assy)

под заказ4350 руб.
15420945752

Шайба с блокировкой 8 mm (Lock Washer 8 mm)

под заказ118 руб.
15402001600

RONDELLE-FREIN *WASHER-LOCK#8

под заказ110 руб.
16420841591

Allen Винт M8 x 35 (Allen Screw M8 x 35)

под заказ428 руб.
16290841591

VIS HEX.M8X35 *SCREW-HEX.M8X35

под заказ340 руб.
17420994232

Двигатель Комплект прокладок (Engine Gasket Set)

под заказ9700 руб.
17994231

GASKET SET, (USE 420994232)

под заказ7640 руб.
1709-711210

     (не оригинальная запчасть) Полный комплект прокладок BRP 380F/440F 09-711210

под заказ2 950 руб.
420250165

Уплотнительное кольцо 64.0 mm (O-Ring 64.0 mm)

под заказпо запросу
830350

O-RING 60-2 (USE 420250165)

под заказпо запросу
420831950

Сальник-Oil (Seal-Oil)

под заказпо запросу
831950

TIIVISTERENGAS 35X72X7/8.5

под заказпо запросу
09-55104

     (не оригинальная запчасть) Комплект сальников BRP 380F/440F/503F/552F 09-55104

под заказ830 руб.
09-165

     (не оригинальная запчасть) Сальник коленвала BRP 09-165

под заказ710 руб.
09-55205

     (не оригинальная запчасть) Комплект сальников BRP 09-55205

под заказ3 030 руб.
09-55216

     (не оригинальная запчасть) Комплект сальников BRP 593LC 09-55216

под заказ720 руб.
09-55215

     (не оригинальная запчасть) Комплект сальников BRP 552F 09-55215

под заказ2 310 руб.
009-780T

     (не оригинальная запчасть) Сальник (PTO) BRP 009-780T

под заказ1 410 руб.
420850105

Прокладка 0.4 mm (Gasket 0.4 mm)

под заказ545 руб.
420430351

JOINT 0,4 *GASKET-0,4

под заказ910 руб.
420850114

Прокладка (Gasket)

под заказ832 руб.
850113

PAKOSARJAN TIIVISTE X1CO4

под заказ450 руб.
SM-09515

     (не оригинальная запчасть) Прокладка выпускного коллектора BRP SM-09515

под заказ230 руб.
420931380

Уплотнительное кольцо (O-Ring)

под заказ808 руб.
420831866

Прокладка Система впуска (Gasket Intake)

под заказпо запросу
831866

TIIVISTE ROTAX-377 -94

под заказпо запросу
SM-09514

     (не оригинальная запчасть) Прокладка впускного коллектора BRP SM-09514

под заказ190 руб.
18413710300

Сальникant, Loctite 17914, 80ml (Sealant, Loctite 17914, 80ml)

под заказ1570 руб.
18293800090

ENDUIT ETANCHE *SEALANT

под заказ2010 руб.
ski-doo

Время выполнения запроса 1.1920211315155 сек.


 
 

данный сайт носит информационный характер и не является публичной офертой

склад запчастей для водомоторной техники