вконтакте

Контактный телефон: +7 (981) 121-46-93, +7 (800) 200-90-76 , Email: parts-katalog@yandex.ru, где купить

 
 

  Логин:

Пароль:

Регистрация

www.partskatalog.ru Все каталоги Запчасти Mercury Запчасти Suzuki Запчасти Tohatsu Запчасти Honda Контакты



УВАЖАЕМЫЕ КЛИЕНТЫ!
C 31 ОКТЯБРЯ 2025 ПО 10 НОЯБРЯ 2025 ГОДА РАБОТАТЬ НЕ БУДЕМ




Выбрать другую модель

назад Раздел:   вперёд

вернуться к списку узлов и деталей

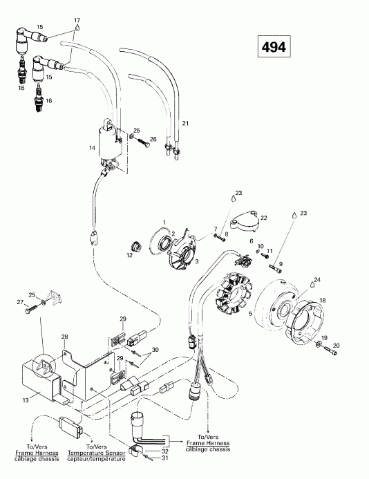
ДЕТАЛИРОВКА ДЛЯ МОДЕЛИ: SKIDOO Grand Touring 500/583, 1998

Раздел: Магнето 12v 220w (494) | Magneto 12v 220w (494)


snowmobile SkiDoo модель Grand Touring 500/583, 1998 - Магнето 12v 220w (494)

Номер на
рисунке
АртикулНаименованиеКол-во
на складе
Цена
1 420850430

Уплотнительное кольцо. Grand TouКольцо 500. (O-Ring. Grand Touring 500.)

под заказ1000 руб.
1 850430

O-RING 75-2,5(USE 420850430)

под заказ790 руб.
2 420930695

Сальник-Oil. Grand TouКольцо 500. (Seal-Oil. Grand Touring 500.)

под заказ2710 руб.
2 930695

OIL-SEAL (USE 420930695)

под заказ2150 руб.
3 420810265

Якорь Пластина. Grand TouКольцо 500. (Armature Plate. Grand Touring 500.)

под заказпо запросу
4 410922000

Магнето в сборе 12V 220W. Includes 4 - 6. Grand TouКольцо 500. (Magneto Assy 12V 220W. Includes 4 - 6. Grand Touring 500.)

под заказпо запросу
4 410922100

Статор в сборе. Grand TouКольцо 500. (Stator Assy. Grand Touring 500.)

под заказ34300 руб.
4 410922905

PLAQUE REACTEUR*PLATE-STATOR A

под заказ37400 руб.
5 410922200

Магнето Маховик. Grand TouКольцо 500. (Magneto Flywheel. Grand Touring 500.)

под заказпо запросу
6 410921100

Pick выше в сборе. Grand TouКольцо 500. (Pick Up Assy. Grand Touring 500.)

под заказ4620 руб.
7 420945750

Шайба с блокировкой 5 mm. Grand TouКольцо 500. (Lock Washer 5 mm. Grand Touring 500.)

под заказ138 руб.
7 402402400

RONDELLE-FREIN *WASHER-LOCK

под заказ110 руб.
8 420941540

Allen Винт M5 x 20. Grand TouКольцо 500. (Allen Screw M5 x 20. Grand Touring 500.)

под заказ170 руб.
8 941540

ALLEN SCREW (USE420941540)

под заказ140 руб.
9 420840886

Allen Винт M6 x 30. Grand TouКольцо 500. (Allen Screw M6 x 30. Grand Touring 500.)

под заказ284 руб.
9 290840886

VIS ALLEN *SCREW-SOCKET

под заказ230 руб.
10420827800

Шайба 5.5 mm. Grand TouКольцо 500. (Washer 5.5 mm. Grand Touring 500.)

под заказ284 руб.
10290827800

RONDELLE *WASHER

под заказ230 руб.
11420840511

Allen Винт M5 x 16. Grand TouКольцо 500. (Allen Screw M5 x 16. Grand Touring 500.)

под заказ154 руб.
12420860965

Кабели Crommet. Grand TouКольцо 500. (Cable Crommet. Grand Touring 500.)

под заказ978 руб.
13415085300

Ignition Module. Grand TouКольцо 500. (Ignition Module. Grand Touring 500.)

под заказпо запросу
14415085400

Катушка зажигания. Grand TouКольцо 500. (Ignition Coil. Grand Touring 500.)

под заказ7930 руб.
15414864000

Свеча зажигания Защита Grand TouКольцо 500. (Spark Plug Protector. Grand Touring 500.)

под заказ1230 руб.
15278000237

CAPUCHON BOUGIE*SPARK PLUG CAP

под заказ1580 руб.
16414961100

Свеча зажигания (NGK BR9ES) Grand TouКольцо 500. (Spark Plug (NGK BR9ES). Grand Touring 500.)

под заказ166 руб.
16414567000

BOUGIE BR9ES *PLUG-SPARK

под заказ170 руб.
17413706100

Lithium Смазка, 400gr. Grand TouКольцо 500. (Lithium Grease, 400gr. Grand Touring 500.)

под заказпо запросу
17219700417

GRAISE SYNTHETI*GREASE-SYNTHE.

под заказ7860 руб.
18420852416

Starting Шкив. Grand TouКольцо 500. (Starting Pulley. Grand Touring 500.)

под заказ1420 руб.
18420852590

PULL-STARTING

под заказ2140 руб.
19420945752

Шайба с блокировкой 8 mm. Grand TouКольцо 500. (Lock Washer 8 mm. Grand Touring 500.)

под заказ118 руб.
19402001600

RONDELLE-FREIN *WASHER-LOCK#8

под заказ110 руб.
20420841520

Allen Винт M8 x 12. Grand TouКольцо 500. (Allen Screw M8 x 12. Grand Touring 500.)

под заказ122 руб.
21420965033

Свеча зажигания Кабели. Grand TouКольцо 500. (Spark Plug Cable. Grand Touring 500.)

под заказ1010 руб.
21278002198

FIL BOUGIE *WIRE-SPARK PLUG

под заказ1290 руб.
22420810700

Pick-выше Крышка. Grand TouКольцо 500. (Pick-Up Cover. Grand Touring 500.)

под заказ1130 руб.
23413703000

Loctite 242, 10cc. Grand TouКольцо 500. (Loctite 242, 10cc. Grand Touring 500.)

под заказ1680 руб.
23293800060

LOCTITE 243 *LOCTITE-243

под заказ2150 руб.
24413711400

Loctite 648, 10ml. Grand TouКольцо 500. (Loctite 648, 10ml. Grand Touring 500.)

под заказ2700 руб.
24293800039

LOCTITE 642 *LOCTITE-642

под заказ2700 руб.
25224761110

Шайба с блокировкой 6 mm. Grand TouКольцо 500. (Lock Washer 6 mm. Grand Touring 500.)

под заказ102 руб.
25234161471

WASHER-LOCK BLACK DIN.127B

под заказ130 руб.
26222062065

Шестигранный винт M6 x 20. Grand TouКольцо 500. (Hex. Screw M6 x 20. Grand Touring 500.)

под заказпо запросу
26702000083

VIS *SCREW

под заказпо запросу
27222061665

Шестигранный винт M6 x 16. Grand TouКольцо 500. (Hex. Screw M6 x 16. Grand Touring 500.)

под заказпо запросу
27702000778

VIS *BOLT

под заказпо запросу
28517297000

Sвышеport Кабели. Grand TouКольцо 500. (Support Cable. Grand Touring 500.)

под заказпо запросу
29270000141

Зажим. Grand TouКольцо 500. (Clip. Grand Touring 500.)

под заказ1000 руб.
30390402400

Заклёпка. Grand TouКольцо 500. (Rivet. Grand Touring 500.)

под заказ138 руб.
31390402500

Заклёпка. Grand TouКольцо 500. (Rivet. Grand Touring 500.)

под заказ130 руб.
32415089700

Зажим. Grand TouКольцо 500. (Clip. Grand Touring 500.)

под заказпо запросу
ski-doo

Время выполнения запроса 3.5686950683594 сек.


 
 

данный сайт носит информационный характер и не является публичной офертой

склад запчастей для водомоторной техники