вконтакте

Контактный телефон: +7 (981) 121-46-93, +7 (800) 200-90-76 , Email: parts-katalog@yandex.ru, где купить

 
 

  Логин:

Пароль:

Регистрация

www.partskatalog.ru Все каталоги Запчасти Mercury Запчасти Suzuki Запчасти Tohatsu Запчасти Honda Контакты


Выбрать другую модель

назад Раздел:   вперёд

вернуться к списку узлов и деталей

ДЕТАЛИРОВКА ДЛЯ МОДЕЛИ: SKIDOO Formula S, 1997

Раздел: Карбюраторs (503) | Carburetors (503)


снегоход  Formula S, 1997 раздел - Carburetors (503)

Номер на
рисунке
АртикулНаименованиеКол-во
на складе
Цена
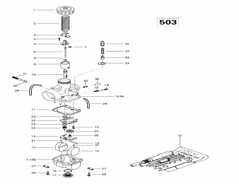
1 403127400

Карбюратор VM 34 481 (PTO) Includes 1 - 36. дляmula SL. (Carburetor VM 34 481 (PTO). Includes 1 - 36. Formula SL.)

под заказпо запросу
403127500

Карбюратор VM 34 482 (MAG) дляmula SL. (Carburetor VM 34 482 (MAG). Formula SL.)

под заказпо запросу
1 404103700

Крышка. дляmula SL. (Cover. Formula SL.)

под заказ2360 руб.
2 404154800

Пружина клапана дросселя. дляmula SL. (Throttle Valve Spring. Formula SL.)

под заказ1850 руб.
3 404122100

Крышка. дляmula SL. (Cover. Formula SL.)

под заказ1400 руб.
4 404122900

Коннектор. дляmula SL. (Connector. Formula SL.)

под заказ946 руб.
4 404160800

CONNECTEUR *CONNECTOR

под заказ1210 руб.
5 404121300

Винт with Шайба с блокировкой. дляmula SL. (Screw with Lock Washer. Formula SL.)

под заказ428 руб.
5 404128200

SCREW-WITH LOCK WASHER

под заказ340 руб.
6 404110400

Игла жиклёра JN 6DH2-3. дляmula SL. (Jet Needle JN 6DH2-3. Formula SL.)

под заказ1400 руб.
6 1471002

NEEDLE 6DH2 (USE 404110400)

под заказ1110 руб.
7 404152400

Уплотнительное кольцо. дляmula SL. (E-Ring. Formula SL.)

под заказ572 руб.
8 404117000

Уплотнительное кольцо. дляmula SL. (O-Ring. Formula SL.)

под заказ284 руб.
9 404128400

Клапан дросселя CA 2.5. дляmula SL. (Throttle Valve CA 2.5. Formula SL.)

под заказ9300 руб.
10404107000

Игла распылителя NJ 159-P-0. дляmula SL. (Needle Jet NJ 159-P-0. Formula SL.)

под заказ1400 руб.
10963953

SEOSPUTKI 159/P-O

под заказ1140 руб.
11404104200

Прокладка Pan. дляmula SL. (Gasket Pan. Formula SL.)

под заказ481 руб.
11420831895

GASKET

под заказпо запросу
12404109100

Pilot Jet 40. дляmula SL. (Pilot Jet 40. Formula SL.)

под заказ396 руб.
12963825

TYHJAKAYNTISUUTIN 40

под заказ240 руб.
13404103300

Стопор рычага поплавка. дляmula SL. (Float Arm Pin. Formula SL.)

под заказ428 руб.
14404107600

Поплавок Рычаг. дляmula SL. (Float Arm. Formula SL.)

под заказ1780 руб.
15404107100

Поплавок. дляmula SL. (Float. Formula SL.)

под заказ2140 руб.
15SM-07243

     (не оригинальная запчасть) Поплавок карбюратора BRP SM-07243

под заказ830 руб.
16404107300

Шайба. дляmula SL. (Washer. Formula SL.)

под заказ588 руб.
17404107400

Заглушка винта. дляmula SL. (Plug Screw. Formula SL.)

под заказ1780 руб.
18404149000

Idle Регулировочный винт. дляmula SL. (Idle Adjusting Screw. Formula SL.)

под заказ2320 руб.
19404139800

Idle Регулировочный винт Пружина. дляmula SL. (Idle Adjusting Screw Spring. Formula SL.)

под заказ588 руб.
20404101700

Дроссель Стопорный винт Пружина. дляmula SL. (Throttle Stop Screw Spring. Formula SL.)

под заказ295 руб.
20420938940

SPRING

под заказ240 руб.
21404125200

Дроссель Стопорный винт. дляmula SL. (Throttle Stop Screw. Formula SL.)

под заказ1060 руб.
22404109600

Baffle Пластина. дляmula SL. (Baffle Plate. Formula SL.)

под заказпо запросу
23404101600

Прокладка. дляmula SL. (Gasket. Formula SL.)

под заказ237 руб.
24404103200

Игольчатый клапан. дляmula SL. (Needle Valve. Formula SL.)

под заказ4140 руб.
24963848

NEULAVENTTIILI 1,5 VM34

под заказ2760 руб.
25404110900

BafflУплотнительное кольцо. дляmula SL. (Baffle Ring. Formula SL.)

под заказ3260 руб.
26404112200

Главный жиклёр MJ 180 (PTO) дляmula SL. (Main Jet MJ 180 (PTO). Formula SL.)

под заказ396 руб.
404123800

Главный жиклёр MJ 170 (MAG) дляmula SL. (Main Jet MJ 170 (MAG). Formula SL.)

под заказ396 руб.
27404103000

Трубка Фиксатор Пластина. дляmula SL. (Tube Retainer Plate. Formula SL.)

под заказ792 руб.
28404102000

Винт и Шайба с блокировкой. дляmula SL. (Screw and Lock Washer. Formula SL.)

под заказ237 руб.
29404109800

Vent Трубка. дляmula SL. (Vent Tube. Formula SL.)

под заказпо запросу
30404127600

Ниппель. дляmula SL. (Nipple. Formula SL.)

под заказ691 руб.
30420961030

PRIMER ADAPTER

под заказпо запросу
31404105800

Колпачок. дляmula SL. (Cap. Formula SL.)

под заказ481 руб.
31420960990

FOAT FIXATION CAP

под заказпо запросу
31SM-07243

     (не оригинальная запчасть) Поплавок карбюратора BRP SM-07243

под заказ830 руб.
32404127400

Пружина. дляmula SL. (Spring. Formula SL.)

под заказ792 руб.
33404156400

Пластина. дляmula SL. (Plate. Formula SL.)

под заказпо запросу
33420963800

PLATE

под заказпо запросу
34404127500

Плунжер в сборе. дляmula SL. (Plunger Assy. Formula SL.)

под заказпо запросу
35404127200

Sвышеport Направляющая. дляmula SL. (Support Guide. Formula SL.)

под заказпо запросу
36404156600

Колпачок. дляmula SL. (Cap. Formula SL.)

под заказ1170 руб.
37404112000

Набор инструмента. дляmula SL. (Tool Kit. Formula SL.)

под заказ7330 руб.
37876960

SPECIAL TOOL KIT

под заказ5730 руб.
38861756600

High Altitude Kit (Not Shown) дляmula SL. (High Altitude Kit (Not Shown). Formula SL.)

под заказпо запросу
ski-doo

Время выполнения запроса 1.8549399375916 сек.


 
 

данный сайт носит информационный характер и не является публичной офертой

склад запчастей для водомоторной техники