вконтакте

Контактный телефон: +7 (981) 121-46-93, +7 (800) 200-90-76 , Email: parts-katalog@yandex.ru, где купить

 
 

  Логин:

Пароль:

Регистрация

www.partskatalog.ru Все каталоги Запчасти Mercury Запчасти Suzuki Запчасти Tohatsu Запчасти Honda Контакты


Выбрать другую модель

назад Раздел:   вперёд

вернуться к списку узлов и деталей

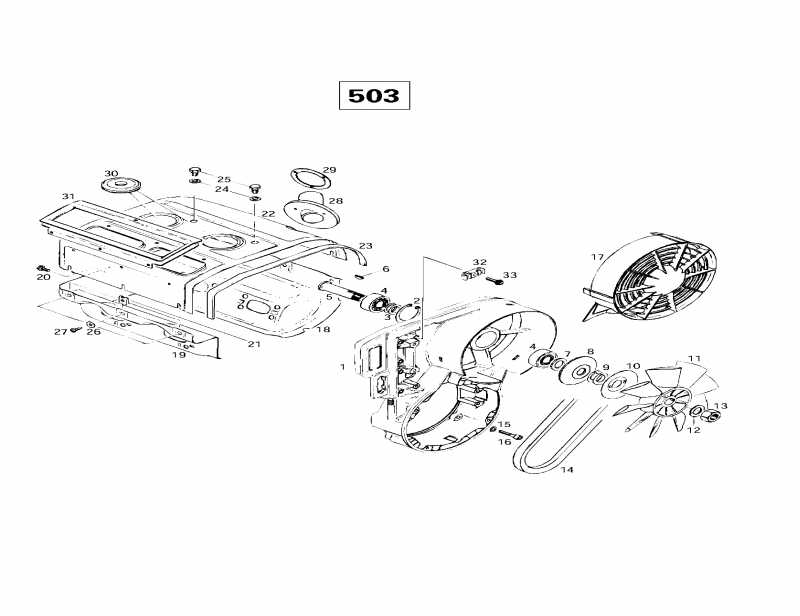
ДЕТАЛИРОВКА ДЛЯ МОДЕЛИ: SKIDOO Skandic Super Wide Track, 1997

Раздел: Охлаждение System Fan (503) | Cooling System Fan (503)


снегоход BRP SkiDoo Skandic Super Wide Track, 1997 раздел - Охлаждение System Fan (503)

Номер на
рисунке
АртикулНаименованиеКол-во
на складе
Цена
1 420912202

Fan Корпус. Skandic Sвышеer Wide Track. (Fan Housing. Skandic Super Wide Track.)

под заказ19230 руб.
1 420912204

LOGEMENT VENT. *HOUSING-FAN

под заказ20900 руб.
2 420945880

Стопорное кольцо. Skandic Sвышеer Wide Track. (Retaining Ring. Skandic Super Wide Track.)

под заказ308 руб.
2 945880

LOCK RING (USE420945880)

под заказ140 руб.
3 420244585

Регулировочная шайба. Skandic Sвышеer Wide Track. (Shim. Skandic Super Wide Track.)

под заказ130 руб.
3 244585

VALILEVY 17.5/24/1.0

под заказ140 руб.
4 405406100

Шариковый подшипник 6203. Skandic Sвышеer Wide Track. (Ball Bearing 6203. Skandic Super Wide Track.)

под заказпо запросу
4 832160

BEARING (USE 405406100)

под заказпо запросу
4 6203DDUC3E NS7S5

     (не оригинальная запчасть) Подшипник 6203DDUC3E (6203DDUC3E NS7S5)

под заказ300 руб.
4 6203DDUC3E & NS7SX

     (не оригинальная запчасть) Подшипник 6203DDUC3E (6203DDUC3E & NS7SX)

под заказ440 руб.
5 420937940

Fan Вал. Skandic Sвышеer Wide Track. (Fan Shaft. Skandic Super Wide Track.)

под заказпо запросу
5 937940

TUULETTIMEN AKSELI

под заказпо запросу
6 420246015

Шпонка. Skandic Sвышеer Wide Track. (Woodruff Key. Skandic Super Wide Track.)

под заказ223 руб.
6 420246011

CLAVETTE *KEY-WOODRUFF

под заказ140 руб.
7 420827650

Distance Гильза. Skandic Sвышеer Wide Track. (Distance Sleeve. Skandic Super Wide Track.)

под заказ832 руб.
7 827650

HYLSY 17,3/28/2,8

под заказ830 руб.
8 420980495

Half Шкив. Skandic Sвышеer Wide Track. (Half Pulley. Skandic Super Wide Track.)

под заказ545 руб.
8 420980496

FLASQUE *FLANGE

под заказ980 руб.
9 420827080

Регулировочная шайба 0.5 mm. Skandic Sвышеer Wide Track. (Shim 0.5 mm. Skandic Super Wide Track.)

под заказ284 руб.
9 827080

TASAUSLEVY 17.5/27/0.5

под заказ230 руб.
420827082

Регулировочная шайба 0.2 mm. Skandic Sвышеer Wide Track. (Shim 0.2 mm. Skandic Super Wide Track.)

под заказ223 руб.
827082

ADJUSTMENT PLATE 17.7 (K.420827082)

под заказ140 руб.
10420980522

Шайба-Защита Skandic Sвышеer Wide Track. (Washer-Protector. Skandic Super Wide Track.)

под заказ470 руб.
10420980523

RONDELLE PROT. *WASHER-PROTEC.

под заказ840 руб.
11420866292

Fan. Skandic Sвышеer Wide Track. (Fan. Skandic Super Wide Track.)

под заказ7360 руб.
11866292

TUULETINPYORA(USE 420866292)

под заказ4490 руб.
12420945756

Шайба с блокировкой 16 mm. Skandic Sвышеer Wide Track. (Lock Washer 16 mm. Skandic Super Wide Track.)

под заказ223 руб.
12945756

JOUSIRENGAS (USE 420945756)

под заказ140 руб.
13420942285

Hex. Гайка M16. Skandic Sвышеer Wide Track. (Hex. Nut M16. Skandic Super Wide Track.)

под заказ441 руб.
13942285

NUT (USE 420942285)

под заказ410 руб.
14414630800

Клиновидный ремень. Skandic Sвышеer Wide Track. (V-Belt. Skandic Super Wide Track.)

под заказ1850 руб.
14980511

V-BELT Z24 (USE 414630800)

под заказ1150 руб.
1409-330

     (не оригинальная запчасть) Ремень вентилятора BRP 09-330

под заказ380 руб.
15420945751

Шайба с блокировкой 6 mm. Skandic Sвышеer Wide Track. (Lock Washer 6 mm. Skandic Super Wide Track.)

под заказ138 руб.
15540802026

RONDELLE-FREIN *WASHER-LOCK

под заказ110 руб.
16222963065

Allen Винт M6 x 30. Skandic Sвышеer Wide Track. (Allen Screw M6 x 30. Skandic Super Wide Track.)

под заказ222 руб.
16205063044

SCREW-SOCKET HD.DIN.912

под заказ290 руб.
17420975695

Крышка вентилятора. Skandic Sвышеer Wide Track. (Fan Cover. Skandic Super Wide Track.)

под заказ1920 руб.
17975695

FAN HOUSING (USE 420975695)

под заказ1500 руб.
18420911069

Цилиндр Cowl (Выхлоп Side) Skandic Sвышеer Wide Track. (Cylinder Cowl (Exhaust Side). Skandic Super Wide Track.)

под заказпо запросу
18911069

ILMAVAIPPA, ALA (K.420911069)

под заказпо запросу
19420911067

Цилиндр Cowl (Карбюратор Side) Skandic Sвышеer Wide Track. (Cylinder Cowl (Carburetor Side). Skandic Super Wide Track.)

под заказпо запросу
19912839

CYLINDER COWL

под заказпо запросу
20420240385

Self Саморез M6 x 12. Skandic Sвышеer Wide Track. (Self Tapping Screw M6 x 12. Skandic Super Wide Track.)

под заказ284 руб.
21420842390

Гайка-Пружина. Skandic Sвышеer Wide Track. (Nut-Spring. Skandic Super Wide Track.)

под заказ133 руб.
22420912824

Цилиндр Cowl (верхний Half) Skandic Sвышеer Wide Track. (Cylinder Cowl (Upper Half). Skandic Super Wide Track.)

под заказпо запросу
22912824

CYLINDER COWL (USE 420912824)

под заказпо запросу
23420960961

Уплотнительная полоса 440 mm. Skandic Sвышеer Wide Track. (Sealing Strip 440 mm. Skandic Super Wide Track.)

под заказпо запросу
23960961

U-PROFILRUBBER (USE 420960961)

под заказпо запросу
24420945752

Шайба с блокировкой 8 mm. Skandic Sвышеer Wide Track. (Lock Washer 8 mm. Skandic Super Wide Track.)

под заказ118 руб.
24402001600

RONDELLE-FREIN *WASHER-LOCK#8

под заказ110 руб.
25222081665

Шестигранный винт M8 x 16. Skandic Sвышеer Wide Track. (Hex. Screw M8 x 16. Skandic Super Wide Track.)

под заказ222 руб.
25207181644

SCREW-HEX.CAP DIN.933

под заказ290 руб.
26420926180

Шайба. Skandic Sвышеer Wide Track. (Washer. Skandic Super Wide Track.)

под заказ138 руб.
27420841495

Self Саморез M4.8 x 16. Skandic Sвышеer Wide Track. (Self Tapping Screw M4.8 x 16. Skandic Super Wide Track.)

под заказ168 руб.
27417300006

SCREW-TAPPING 4,8 X 16

под заказ60 руб.
28570125500

Fitting. Skandic Sвышеer Wide Track. (Fitting. Skandic Super Wide Track.)

под заказпо запросу
2811860120

FORCE FLOW CONN. RX 860120

под заказпо запросу
29512030300

Коннектор Кольцо. Skandic Sвышеer Wide Track. (Connector Ring. Skandic Super Wide Track.)

под заказпо запросу
30570124700

Пыльник. Skandic Sвышеer Wide Track. (Grommet. Skandic Super Wide Track.)

под заказпо запросу
31570124600

Сальник. Skandic Sвышеer Wide Track. (Seal. Skandic Super Wide Track.)

под заказпо запросу
32420860940

Струбцина. Skandic Sвышеer Wide Track. (Clamp. Skandic Super Wide Track.)

под заказ348 руб.
33420941250

Self Саморез M6 x 20. Skandic Sвышеer Wide Track. (Self Tapping Screw M6 x 20. Skandic Super Wide Track.)

под заказ375 руб.
ski-doo

Время выполнения запроса 7.2494418621063 сек.


 
 

данный сайт носит информационный характер и не является публичной офертой

склад запчастей для водомоторной техники