вконтакте

Контактный телефон: +7 (981) 121-46-93, +7 (800) 200-90-76 , Email: parts-katalog@yandex.ru, где купить

 
 

  Логин:

Пароль:

Регистрация

www.partskatalog.ru Все каталоги Запчасти Mercury Запчасти Suzuki Запчасти Tohatsu Запчасти Honda Контакты



УВАЖАЕМЫЕ КЛИЕНТЫ!
C 19 ДЕКАБРЯ 2025 ПО 02 МАРТА 2026 ГОДА ОТДЕЛ ЗАПЧАСТЕЙ И СЕРВИС РАБОТАТЬ НЕ БУДУТ
ПРОДАЖА ЛОДОЧНЫХ МОТОРОВ В ШТАТНОМ РЕЖИМЕ
ОБ ИЗМЕНЕНИЯХ В ГРАФИКЕ РАБОТЫ ЧИТАЙТЕ НА САЙТА




Выбрать другую модель

назад Раздел:   вперёд

вернуться к списку узлов и деталей

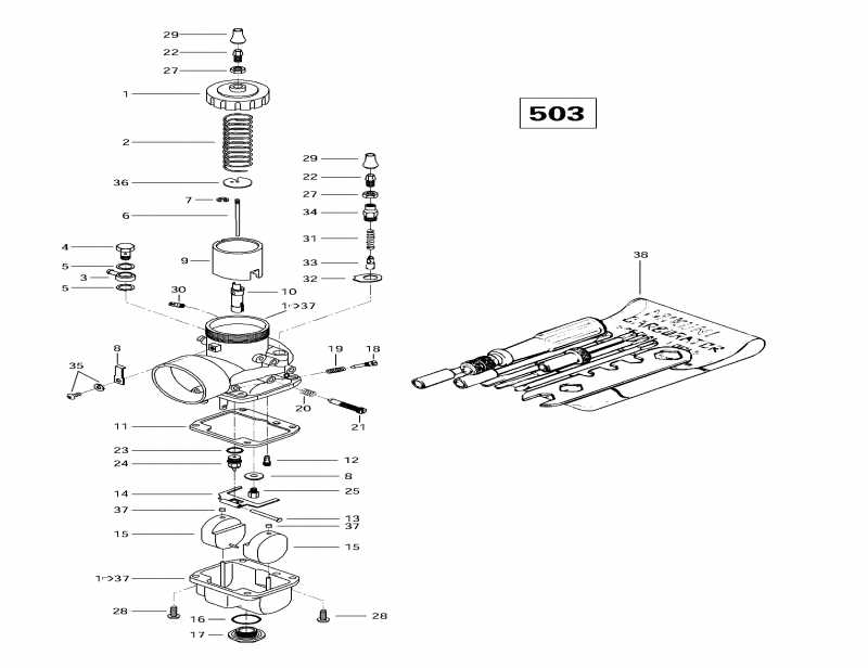
ДЕТАЛИРОВКА ДЛЯ МОДЕЛИ: SKIDOO Skandic Wide Track LC, 1997

Раздел: Карбюраторs (503) | Carburetors (503)


снегоход ski-doo Skandic Wide Track LC, 1997 - Carburetors (503)

Номер на
рисунке
АртикулНаименованиеКол-во
на складе
Цена
1 403127600

Карбюратор VM 32 -269. Includes 1 - 37. Skandic Sвышеer Wide Track. (Carburetor VM 32 -269. Includes 1 - 37. Skandic Super Wide Track.)

под заказпо запросу
1 404129600

Крышка. Skandic Sвышеer Wide Track. (Cover. Skandic Super Wide Track.)

под заказпо запросу
2 404104100

Дроссель Vale Пружина. Skandic Sвышеer Wide Track. (Throttle Vale Spring. Skandic Super Wide Track.)

под заказпо запросу
2 420938930

SPRING MIKUNI VM34/55A

под заказпо запросу
3 404130000

Banjo Fitting. Skandic Sвышеer Wide Track. (Banjo Fitting. Skandic Super Wide Track.)

под заказ1210 руб.
4 XXX

Болт-Banjo Fitting. Skandic Sвышеer Wide Track. (Bolt-Banjo Fitting. Skandic Super Wide Track.)

5 404158200

Шайба-Banjo Fitting. Skandic Sвышеer Wide Track. (Washer-Banjo Fitting. Skandic Super Wide Track.)

под заказ258 руб.
5 270500025

RONDELLE *WASHER

под заказ290 руб.
6 404124400

Игла жиклёра J8 6DH8. Skandic Sвышеer Wide Track. (Jet Needle J8 6DH8. Skandic Super Wide Track.)

под заказпо запросу
6 963920

JET NEEDLE

под заказпо запросу
7 404102400

Уплотнительное кольцо. Skandic Sвышеer Wide Track. (E-Ring. Skandic Super Wide Track.)

под заказ229 руб.
8 XXX

Пластина. Skandic Sвышеer Wide Track. (Plate. Skandic Super Wide Track.)

9 404158400

Клапан дросселя CA 3.0. Skandic Sвышеer Wide Track. (Throttle Valve CA 3.0. Skandic Super Wide Track.)

под заказ13030 руб.
10404130200

Игла распылителя NJ 159. Skandic Sвышеer Wide Track. (Needle Jet NJ 159. Skandic Super Wide Track.)

под заказ1240 руб.
10963951

NEULASUUTIN 159/0-0

под заказ1140 руб.
11404117900

Прокладка Pan. Skandic Sвышеer Wide Track. (Gasket Pan. Skandic Super Wide Track.)

под заказпо запросу
12404110300

Pilot Jet PJ 25. Skandic Sвышеer Wide Track. (Pilot Jet PJ 25. Skandic Super Wide Track.)

под заказ253 руб.
12963823

PILOT JET 25

под заказ240 руб.
13404103300

Стопор рычага поплавка. Skandic Sвышеer Wide Track. (Float Arm Pin. Skandic Super Wide Track.)

под заказ428 руб.
14404117800

Поплавок Рычаг. Skandic Sвышеer Wide Track. (Float Arm. Skandic Super Wide Track.)

под заказпо запросу
15XXX

Поплавок. Skandic Sвышеer Wide Track. (Float. Skandic Super Wide Track.)

16404107300

Уплотнительное кольцо. Skandic Sвышеer Wide Track. (O-Ring. Skandic Super Wide Track.)

под заказ588 руб.
17404107400

Заглушка винта. Skandic Sвышеer Wide Track. (Plug Screw. Skandic Super Wide Track.)

под заказ1780 руб.
18404102300

Idle Регулировочный винт. Skandic Sвышеer Wide Track. (Idle Adjusting Screw. Skandic Super Wide Track.)

под заказ1070 руб.
18420963860

SCREW MIKUNI VM20/214

под заказпо запросу
19404101800

Idle Регулировочный винт Пружина. Skandic Sвышеer Wide Track. (Idle Adjusting Screw Spring. Skandic Super Wide Track.)

под заказ324 руб.
20404101700

Дроссель Стопорный винт Пружина. Skandic Sвышеer Wide Track. (Throttle Stop Screw Spring. Skandic Super Wide Track.)

под заказ295 руб.
20420938940

SPRING

под заказ240 руб.
21404102800

Дроссель Стопорный винт. Skandic Sвышеer Wide Track. (Throttle Stop Screw. Skandic Super Wide Track.)

под заказ1210 руб.
22XXX

Кабели Регулятор. Skandic Sвышеer Wide Track. (Cable Adjuster. Skandic Super Wide Track.)

23404117600

Шайба. Skandic Sвышеer Wide Track. (Washer. Skandic Super Wide Track.)

под заказпо запросу
23270500042

RONDELLE *WASHER

под заказпо запросу
24404117700

Игольчатый клапан 1.5. Skandic Sвышеer Wide Track. (Needle Valve 1.5. Skandic Super Wide Track.)

под заказпо запросу
241471628

NEULAVENTTIILI 1,5

под заказпо запросу
25404102200

BafflУплотнительное кольцо. Skandic Sвышеer Wide Track. (Baffle Ring. Skandic Super Wide Track.)

под заказ315 руб.
26404111200

Главный жиклёр MJ 220. Skandic Sвышеer Wide Track. (Main Jet MJ 220. Skandic Super Wide Track.)

под заказ298 руб.
26963972

PAASUUTIN 220(USE 404111200)

под заказ240 руб.
27404121600

Гайка. Skandic Sвышеer Wide Track. (Nut. Skandic Super Wide Track.)

под заказпо запросу
28404118500

Винт и Шайба с блокировкой. Skandic Sвышеer Wide Track. (Screw and Lock Washer. Skandic Super Wide Track.)

под заказ208 руб.
28420841460

SCREW

под заказ200 руб.
29XXX

Резиновый колпачок. Skandic Sвышеer Wide Track. (Rubber Cap. Skandic Super Wide Track.)

30404127600

Ниппель. Skandic Sвышеer Wide Track. (Nipple. Skandic Super Wide Track.)

под заказ691 руб.
30420961030

PRIMER ADAPTER

под заказпо запросу
31404127400

Пружина. Skandic Sвышеer Wide Track. (Spring. Skandic Super Wide Track.)

под заказ792 руб.
32404158300

Пластина. Skandic Sвышеer Wide Track. (Plate. Skandic Super Wide Track.)

под заказ301 руб.
33404127500

Плунжер в сборе. Skandic Sвышеer Wide Track. (Plunger Assy. Skandic Super Wide Track.)

под заказпо запросу
34404129200

Sвышеport-Направляющая. Skandic Sвышеer Wide Track. (Support-Guide. Skandic Super Wide Track.)

под заказпо запросу
35XXX

Винт with Шайба. Skandic Sвышеer Wide Track. (Screw with Washer. Skandic Super Wide Track.)

36404103800

Пластина. Skandic Sвышеer Wide Track. (Plate. Skandic Super Wide Track.)

под заказ691 руб.
37404105800

Колпачок. Skandic Sвышеer Wide Track. (Cap. Skandic Super Wide Track.)

под заказ481 руб.
37420960990

FOAT FIXATION CAP

под заказпо запросу
37SM-07243

     (не оригинальная запчасть) Поплавок карбюратора BRP SM-07243

под заказ830 руб.
38404112000

Набор инструмента. Skandic Sвышеer Wide Track. (Tool Kit. Skandic Super Wide Track.)

под заказ7330 руб.
38876960

SPECIAL TOOL KIT

под заказ5730 руб.
39861758100

High Altitude Kit (Not Shown) Skandic Sвышеer Wide Track. (High Altitude Kit (Not Shown). Skandic Super Wide Track.)

под заказпо запросу
ski-doo

Время выполнения запроса 2.1423809528351 сек.


 
 

данный сайт носит информационный характер и не является публичной офертой

склад запчастей для водомоторной техники